GM Service Manual Online
For 1990-2009 cars only
Makes
🢒
Chevrolet
🢒
2000
🢒
Impala
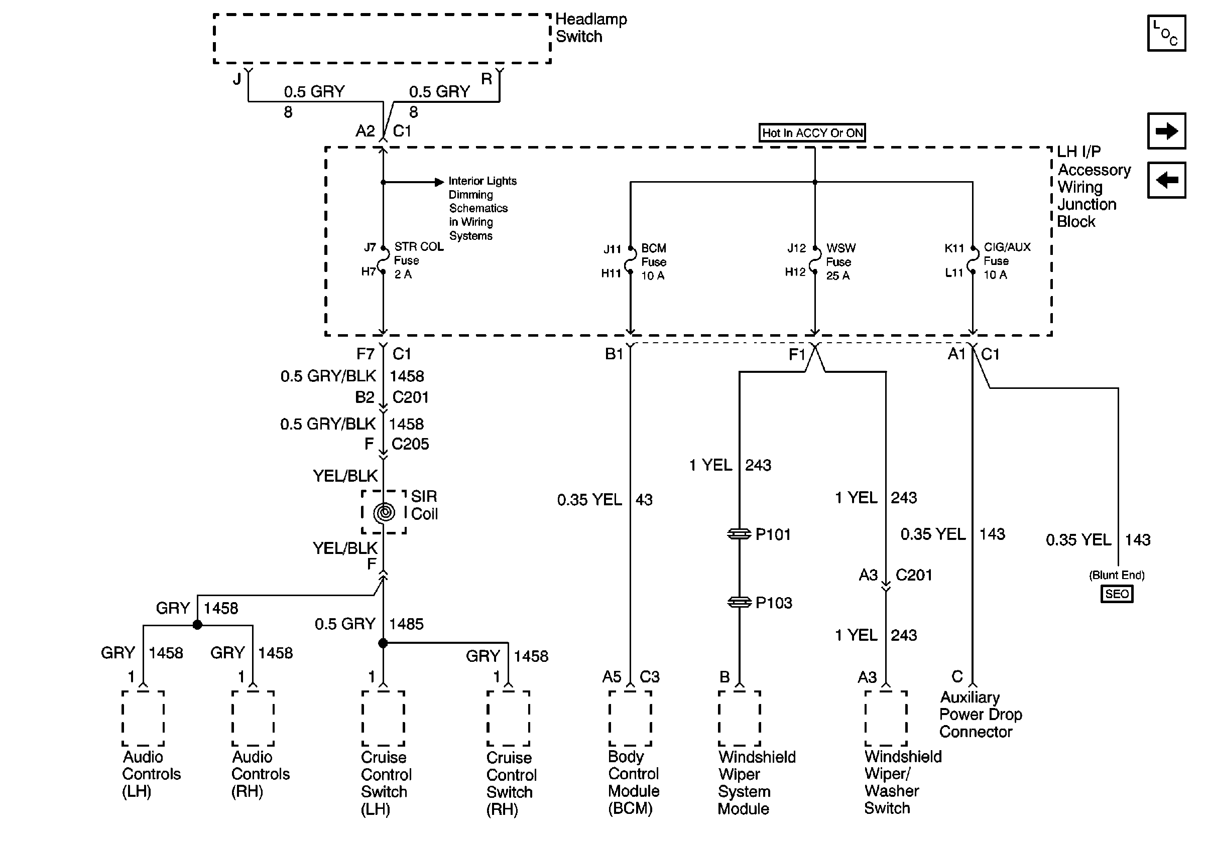
🢒 STR COL, BCM, WSW and CIG/AUX Fuses
STR COL, BCM, WSW and CIG/AUX Fuses
STR COL, BCM, WSW and CIG/AUX Fuses
BCM, Door Lock, Door Window Switch, HVAC, Radio, and Fog Lamp Switch Lamps
Power and Grounding Components
ABS/PCM, STOP, TURN SIGNAL and SRS Fuses
EXT LTS, A/C RLY (CMPR) and PCM Fuses