GM Service Manual Online
For 1990-2009 cars only
Makes
🢒
Chevrolet
🢒
2000
🢒
Impala
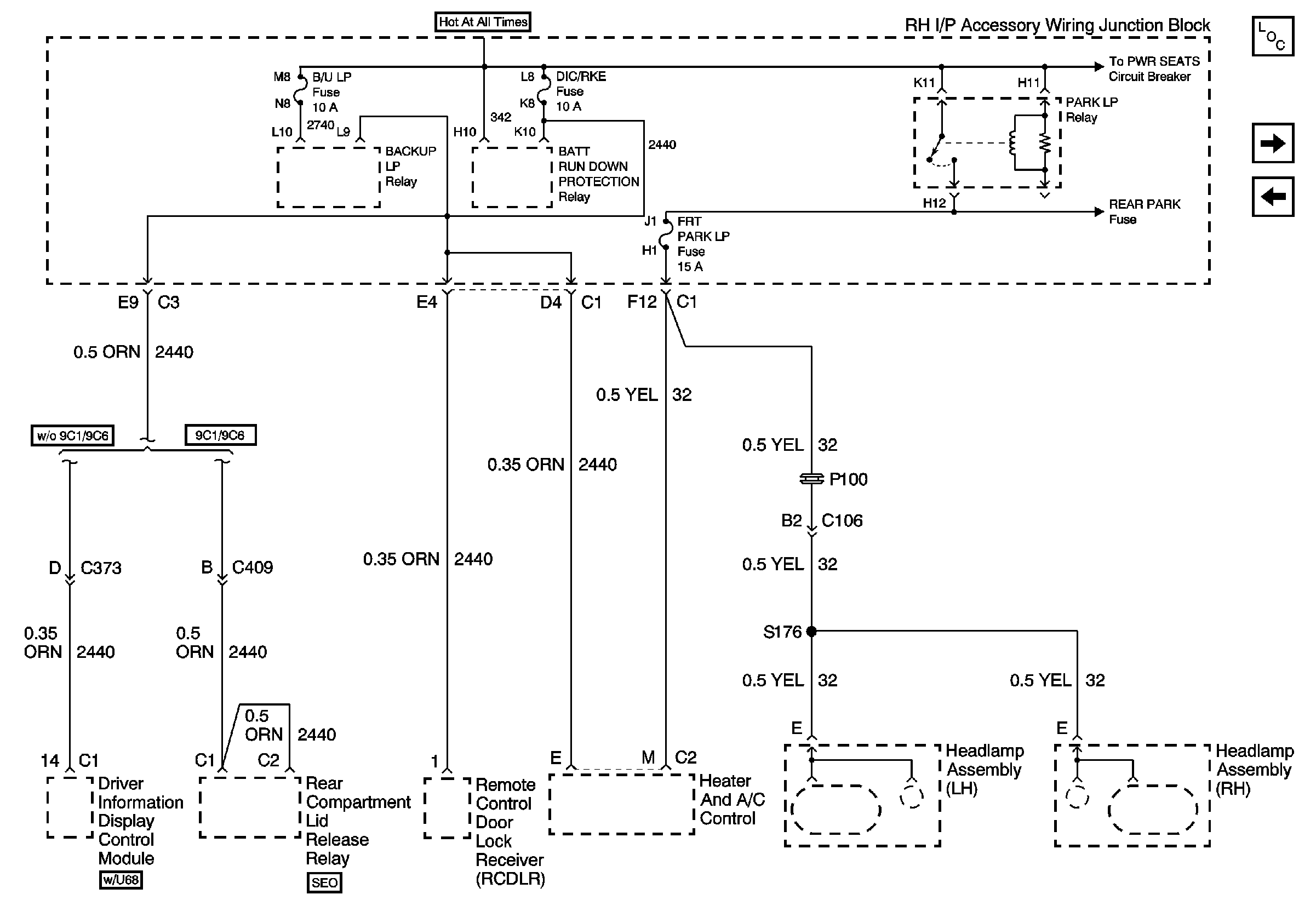
🢒 B/U LP, DIC/RKE and FRT PARK LP Fuses, and BACKUP LP, BATT RUN DOWN PROTECTION and PARK LP Relays
B/U LP, DIC/RKE and FRT PARK LP Fuses, and BACKUP LP, BATT RUN DOWN PROTECTION and PARK LP Relays
B/U LP, DIC/RKE and FRT PARK LP Fuses, and BACKUP LP, BATT RUN DOWN PROTECTION and PARK LP Relays
PWR DROP, REAR PARK, FRT PARK LP and HTD ST Fuses, PWR SEATS Circuit Breaker, and PARK LP Relay
REAR PARK Fuse
Power and Grounding Components
REAR PARK Fuse
TRK/ROOF BRP and IP BRP Fuses