GM Service Manual Online
For 1990-2009 cars only
Makes
🢒
Chevrolet
🢒
2000
🢒
Impala
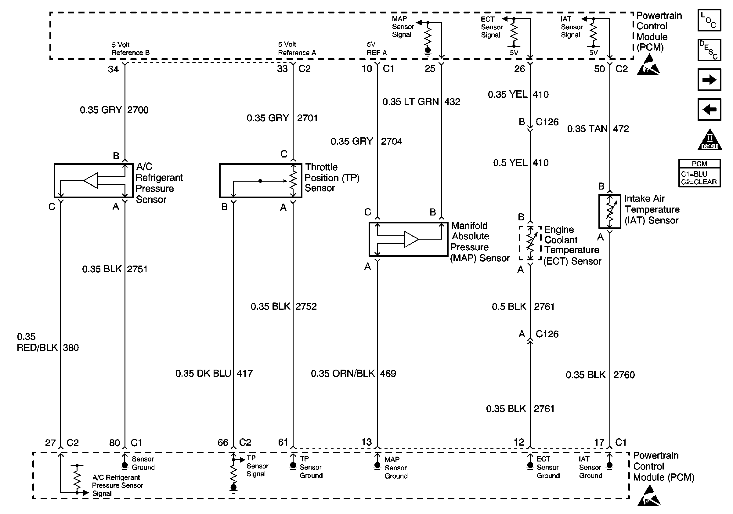
🢒 Engine Data Sensors: A/C Pressure Refrig, TP, MAP, ECT, IAT
Engine Data Sensors: A/C Pressure Refrig, TP, MAP, ECT, IAT
Engine Data Sensors: A/C Pressure Refrig, TP, MAP, ECT, IAT
Handling ESD Sensitive Parts Notice
Handling ESD Sensitive Parts Notice
Engine Controls Components
Powertrain Control Module Description
Engine Data Sensors - HO2S 1, HO2S 2
Fuel Injectors
OBD II Symbol Description Notice