GM Service Manual Online
For 1990-2009 cars only
Makes
🢒
Chevrolet
🢒
2000
🢒
Impala
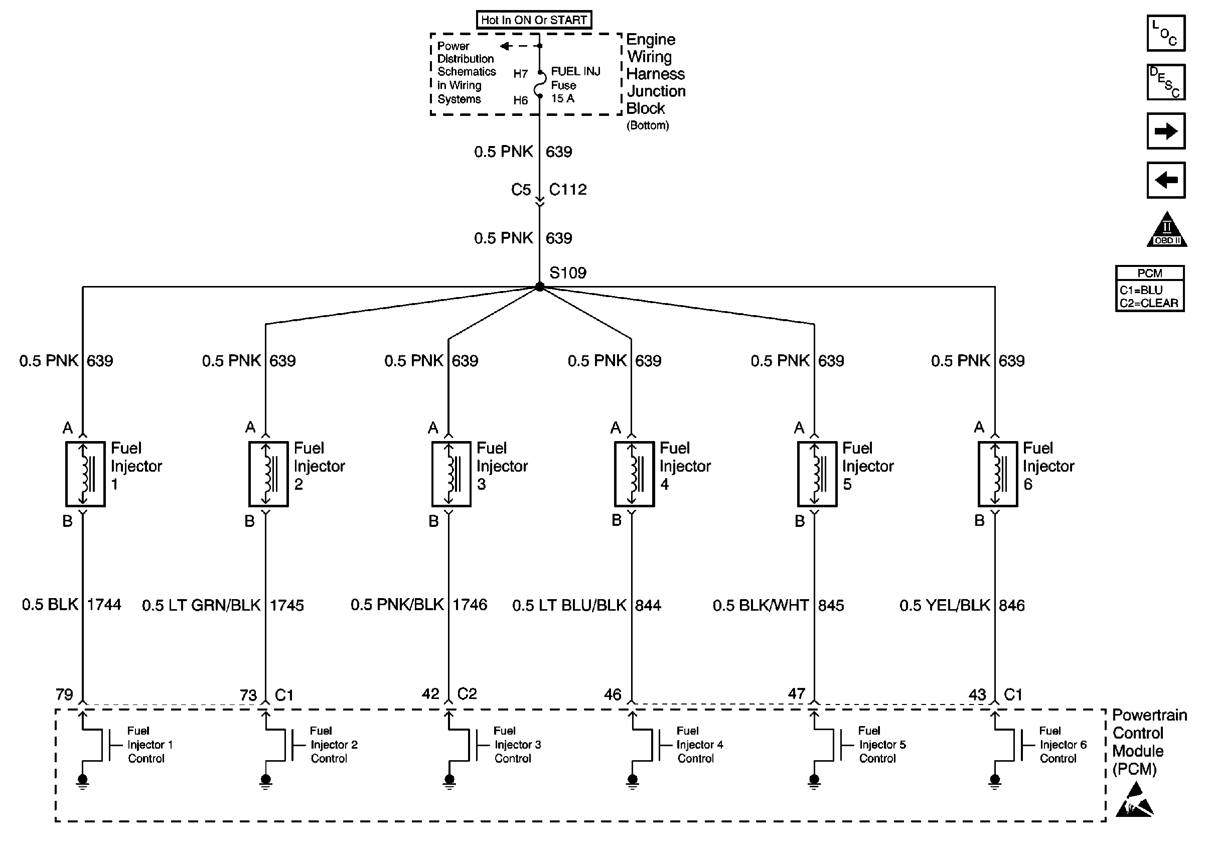
🢒 Fuel Injectors
Fuel Injectors
Fuel Injectors
FUEL INJ, TRANS SOL and A/C RLY (COIL) Fuses
Handling ESD Sensitive Parts Notice
Engine Controls Components
Powertrain Control Module Description
Engine Data Sensors: A/C Pressure Refrig, TP, MAP, ECT, IAT
Fuel Controls
OBD II Symbol Description Notice