GM Service Manual Online
For 1990-2009 cars only
Makes
🢒
Chevrolet
🢒
2000
🢒
Impala
🢒 Heated Seat 2 Door LH
Heated Seat 2 Door LH
Heated Seat 2 Door LH
Power Seat Systems Components
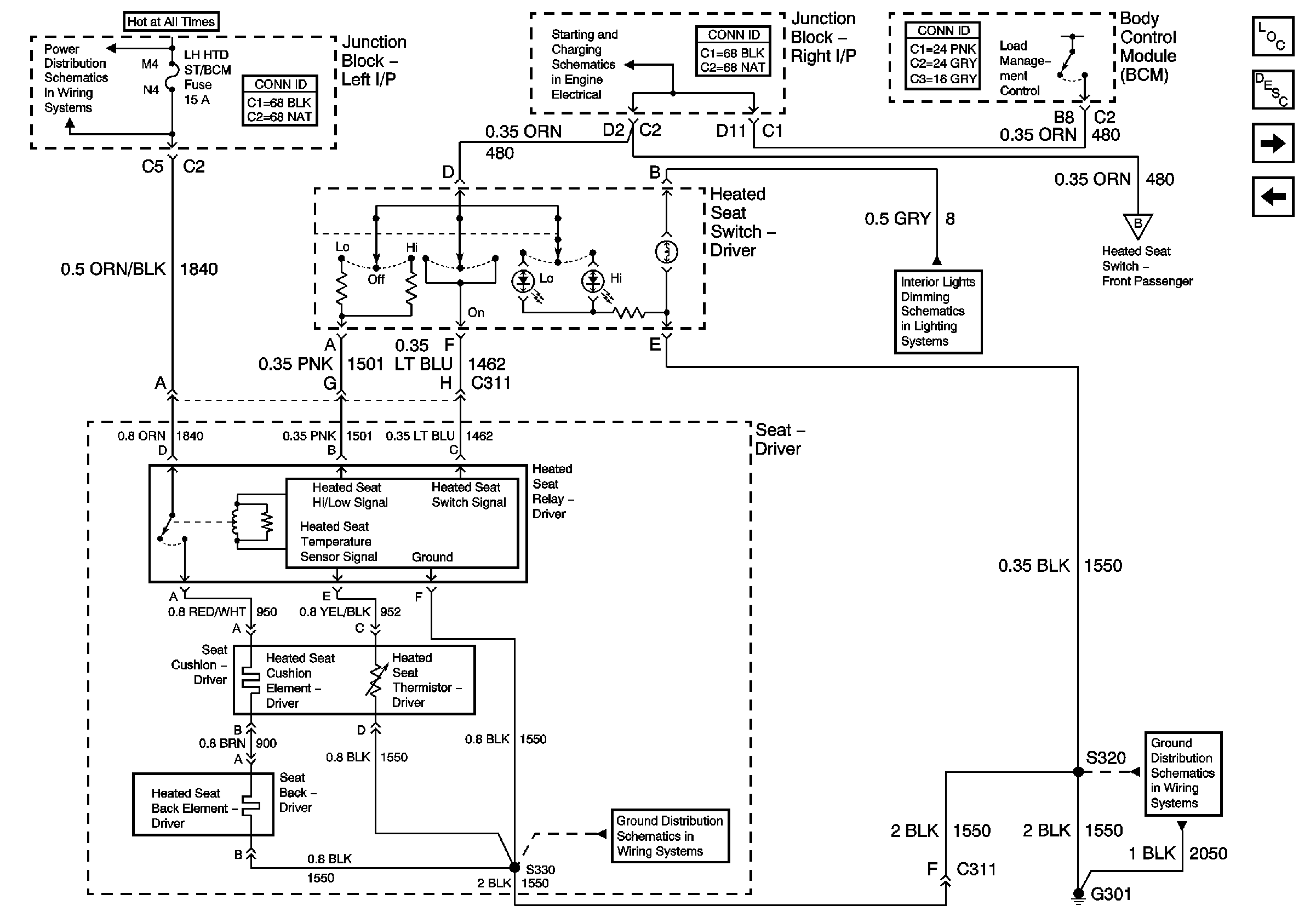
Heated Seats Circuit Description
Heated Seat 2 Door RH
Heated Seat 4 Door RH