GM Service Manual Online
For 1990-2009 cars only
Makes
🢒
Chevrolet
🢒
2000
🢒
Impala
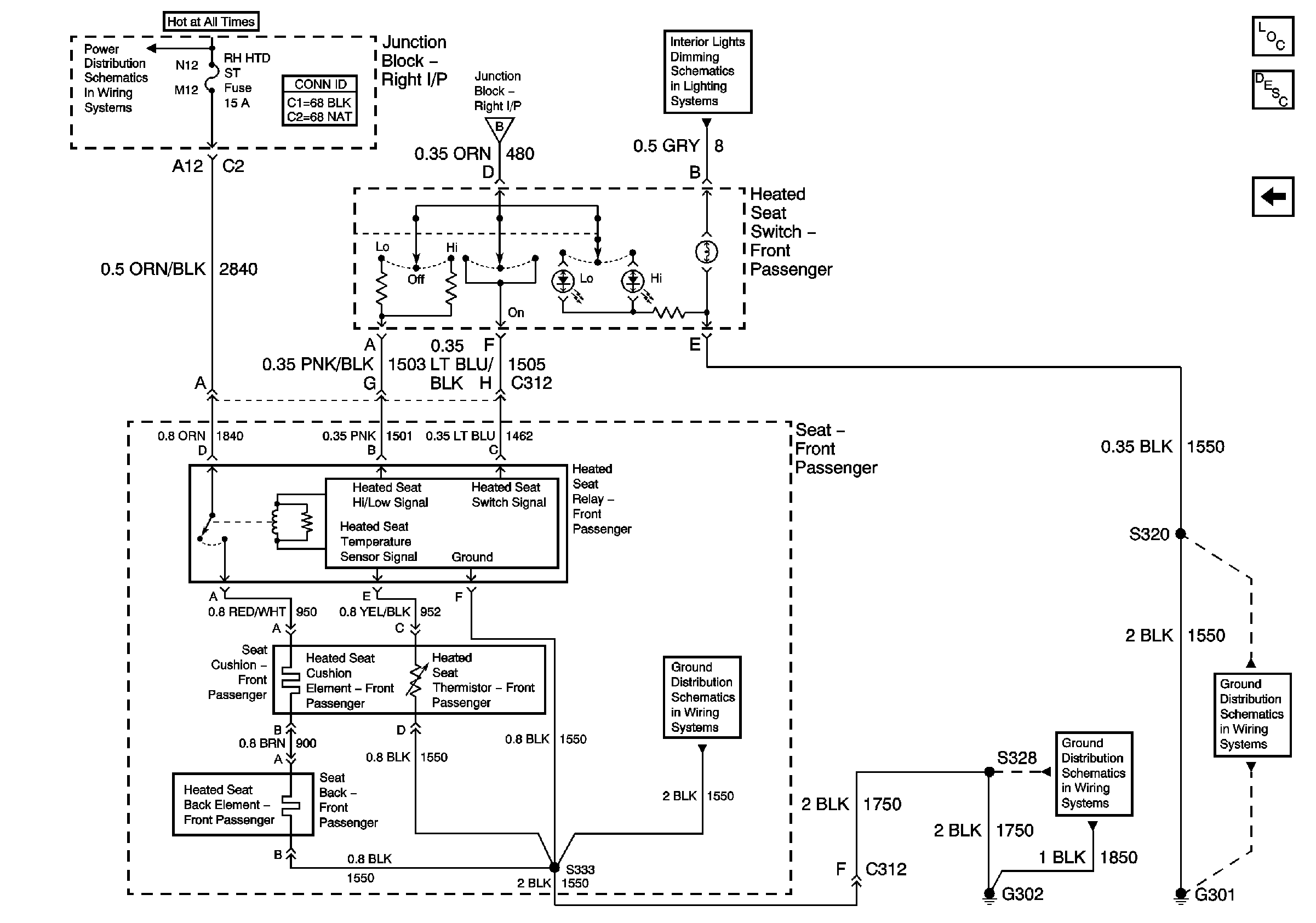
🢒 Heated Seat 2 Door RH
Heated Seat 2 Door RH
Heated Seat 2 Door RH
Power Seat Systems Components
Heated Seats Circuit Description
Heated Seat 2 Door LH