GM Service Manual Online
For 1990-2009 cars only
Makes
🢒
Chevrolet
🢒
2000
🢒
Impala
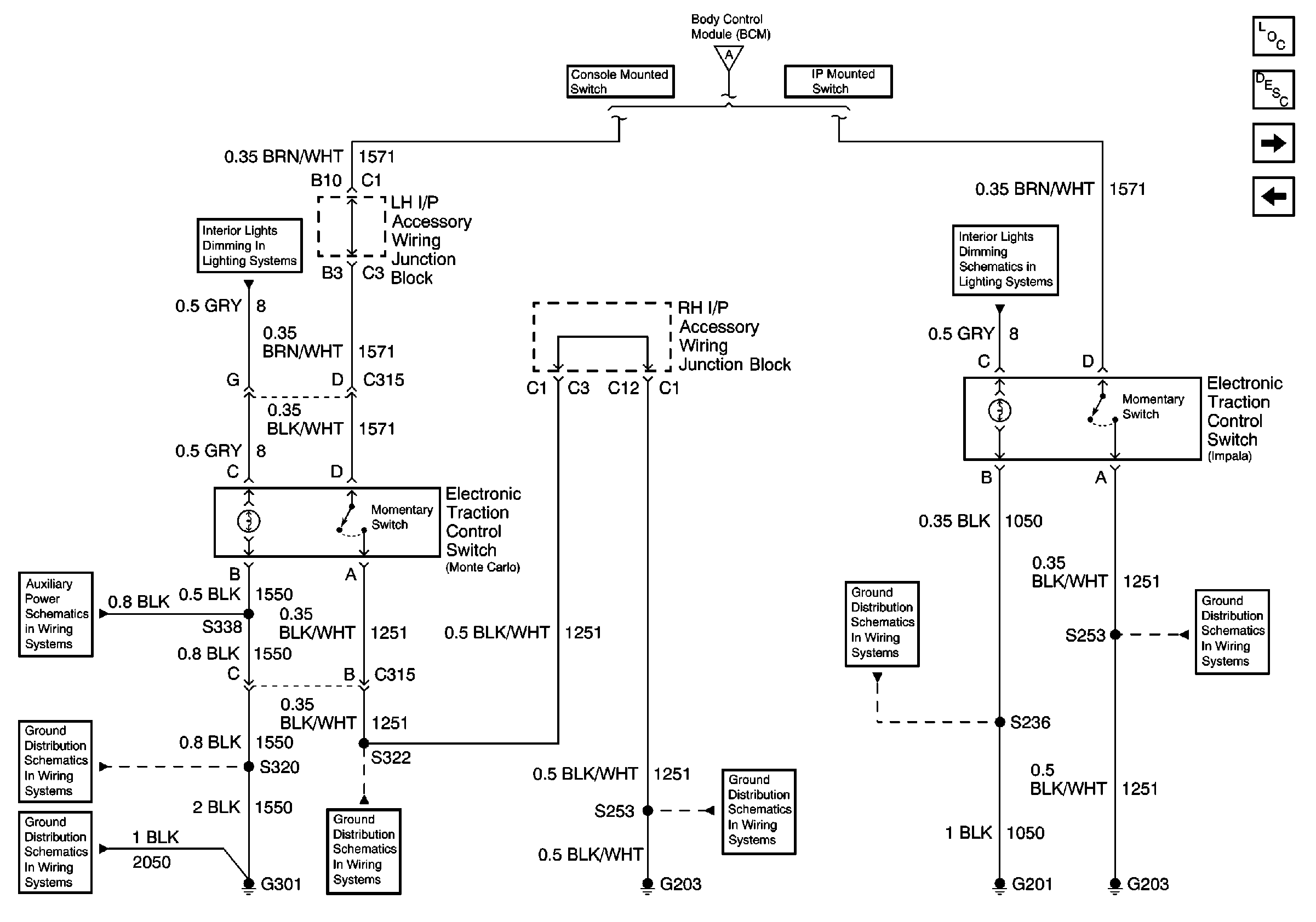
🢒 Traction Control Switch
Traction Control Switch
Traction Control Switch
Serial Data and PASSLOCK Sensor
IP and Console Lamps
Cigar/Auxiliary Outlet schematics
G301 (1 of 2)
G301 (1 of 2)
G203 (1 of 3)
G203 (2 of 3)
G201 (1 of 2)
IP and Console Lamps
G203 (2 of 3)
Body Control Module Components
Body Control System Circuit Description
Headlamp Switch, Ignition Key Alarm Switch, Surveillance Switch and Park Brake Switch
Serial Data and PASSLOCK Sensor