GM Service Manual Online
For 1990-2009 cars only
Makes
🢒
Chevrolet
🢒
2000
🢒
Impala
🢒 Power and Ground Distribution, Starter Assembly, Powertrain Control Module (PCM)
Power and Ground Distribution, Starter Assembly, Powertrain Control Module (PCM)
Power and Ground Distribution, Starter Assembly, Powertrain Control Module (PCM)
Engine Electrical Components
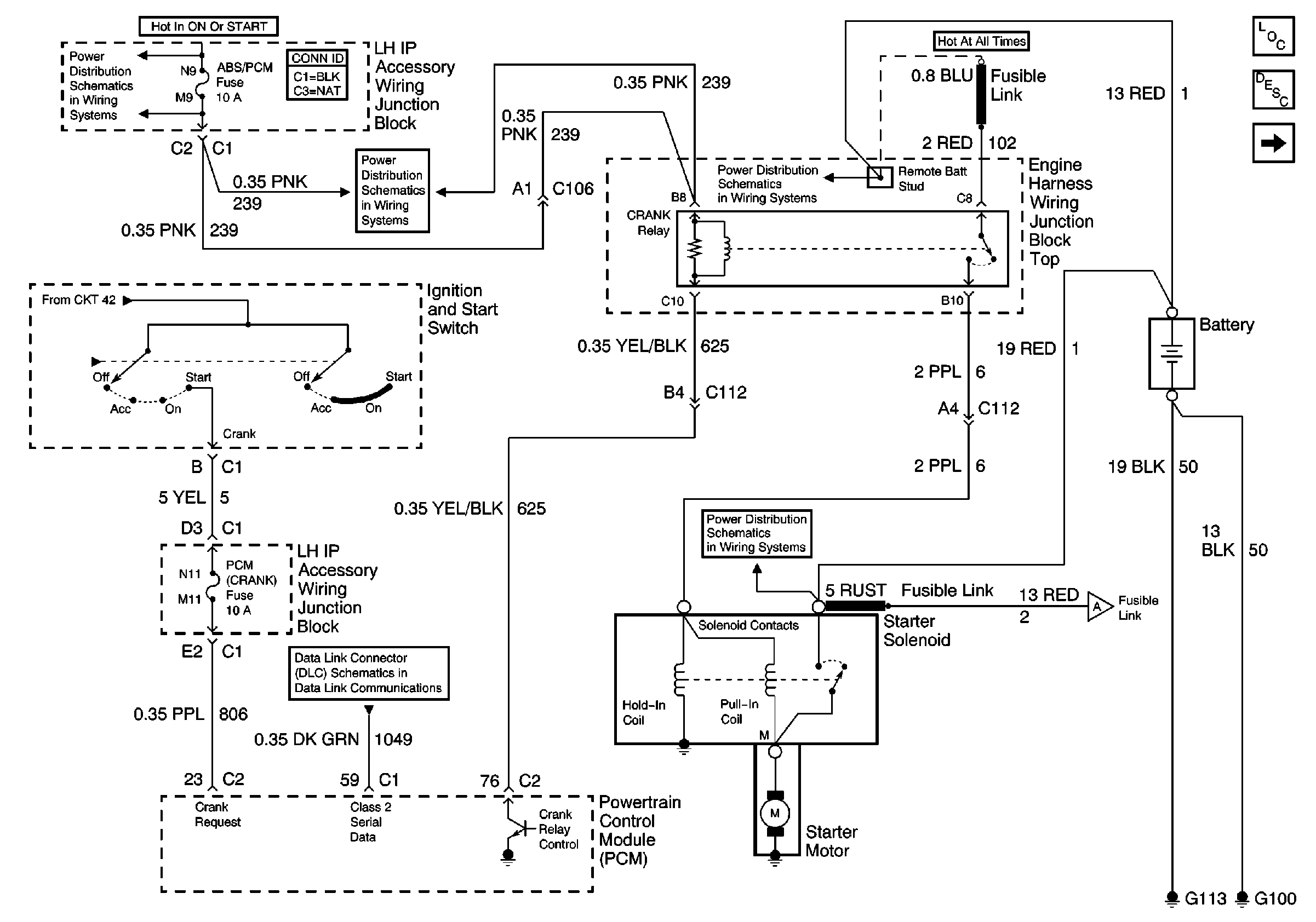
Starting System Circuit Description
Generator, Powertrain Control Module (PCM), Body Control Module (BCM),and Instrument Cluster, and Serial Data
ABS/PCM, STOP, TURN SIGNAL and SRS Fuses
ABS/PCM, STOP, TURN SIGNAL and SRS Fuses
Battery, EBCM, Engine Wiring Harness Junction Blocks (Bottom and Top),Fusible Links, Generator, Remote Battery Stud and Starter
G100, G111, G113 and G151
Generator, Powertrain Control Module (PCM), Body Control Module (BCM),and Instrument Cluster, and Serial Data
ABS/PCM, STOP, TURN SIGNAL and SRS Fuses
Data Link Communications Schematic