GM Service Manual Online
For 1990-2009 cars only
Makes
🢒
Chevrolet
🢒
2000
🢒
Impala
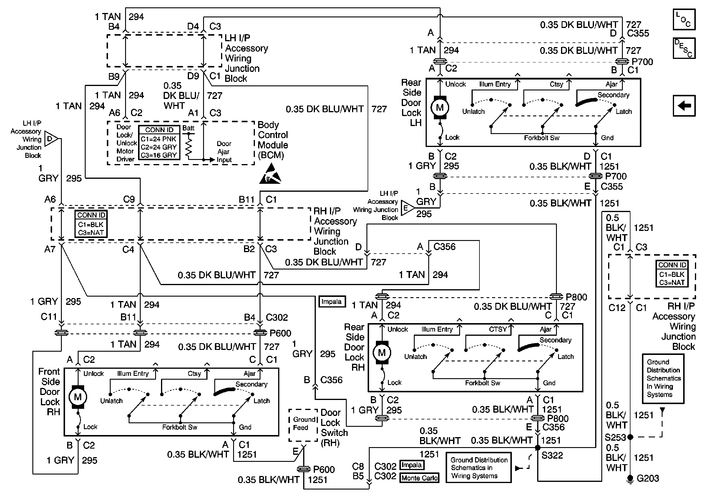
🢒 Door Lock Switches and Motors
Door Lock Switches and Motors
Door Lock Switches and Motors
Door Lock Switches
Door Lock Switches
G203 (2 of 3)
G203 (2 of 3)
Interior Lamps - Rear Compartment
Lighting Systems Components
Interior Lights Circuit Description