GM Service Manual Online
For 1990-2009 cars only
Makes
🢒
Chevrolet
🢒
2000
🢒
Impala
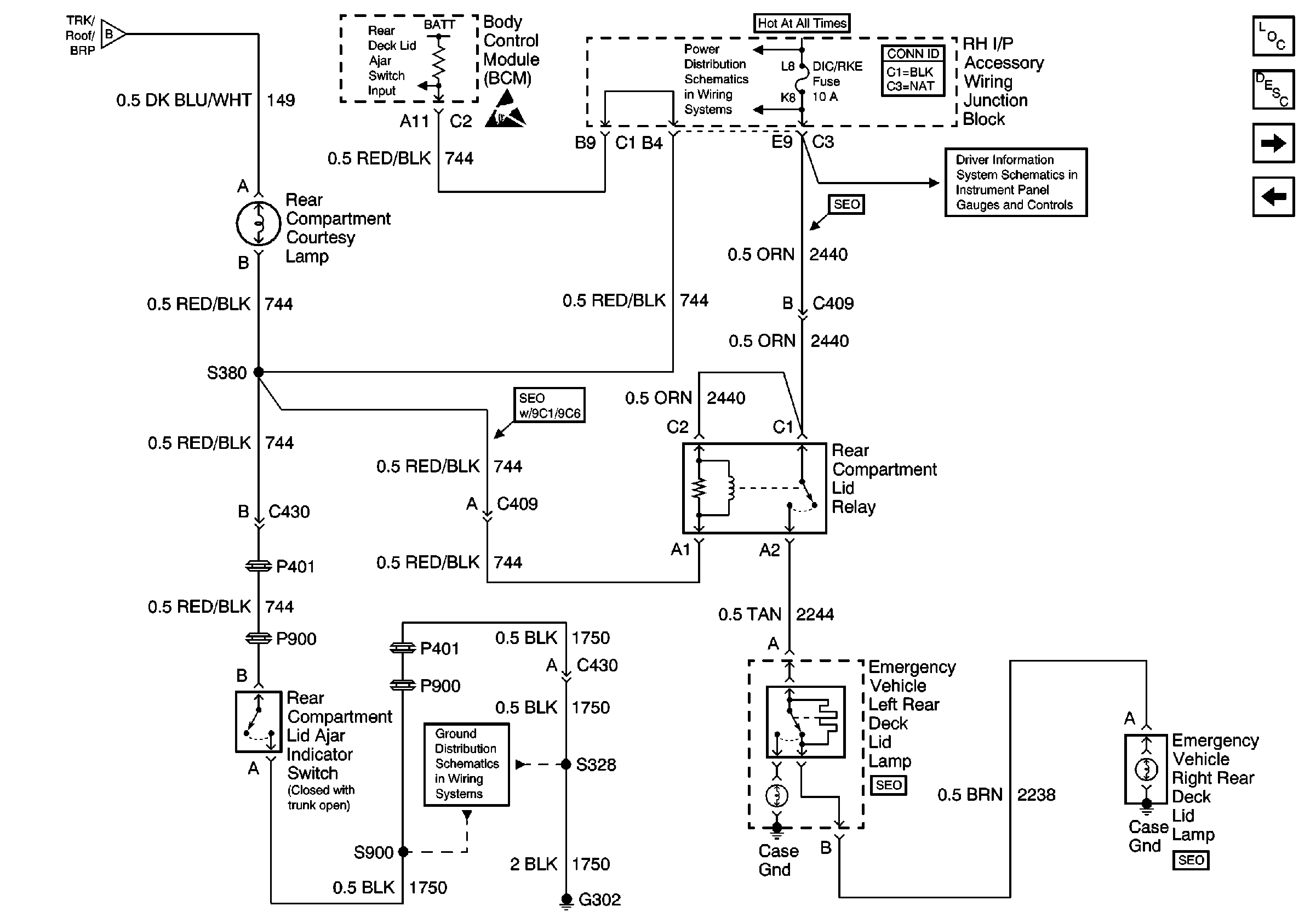
🢒 Interior Lamps - Rear Compartment
Interior Lamps - Rear Compartment
Interior Lamps -- Rear Compartment
Lighting Systems Components
Interior Lights Circuit Description
Door Lock Switches and Motors
Door Lock Switches
BCM, Footwell Lamps and Rear Compartment Lamp
Handling ESD Sensitive Parts Notice
B/U LP, DIC/RKE and FRT PARK LP Fuses, and BACKUP LP, BATT RUN DOWN PROTECTION and PARK LP Relays
G302
Driver Information System Schematics