GM Service Manual Online
For 1990-2009 cars only

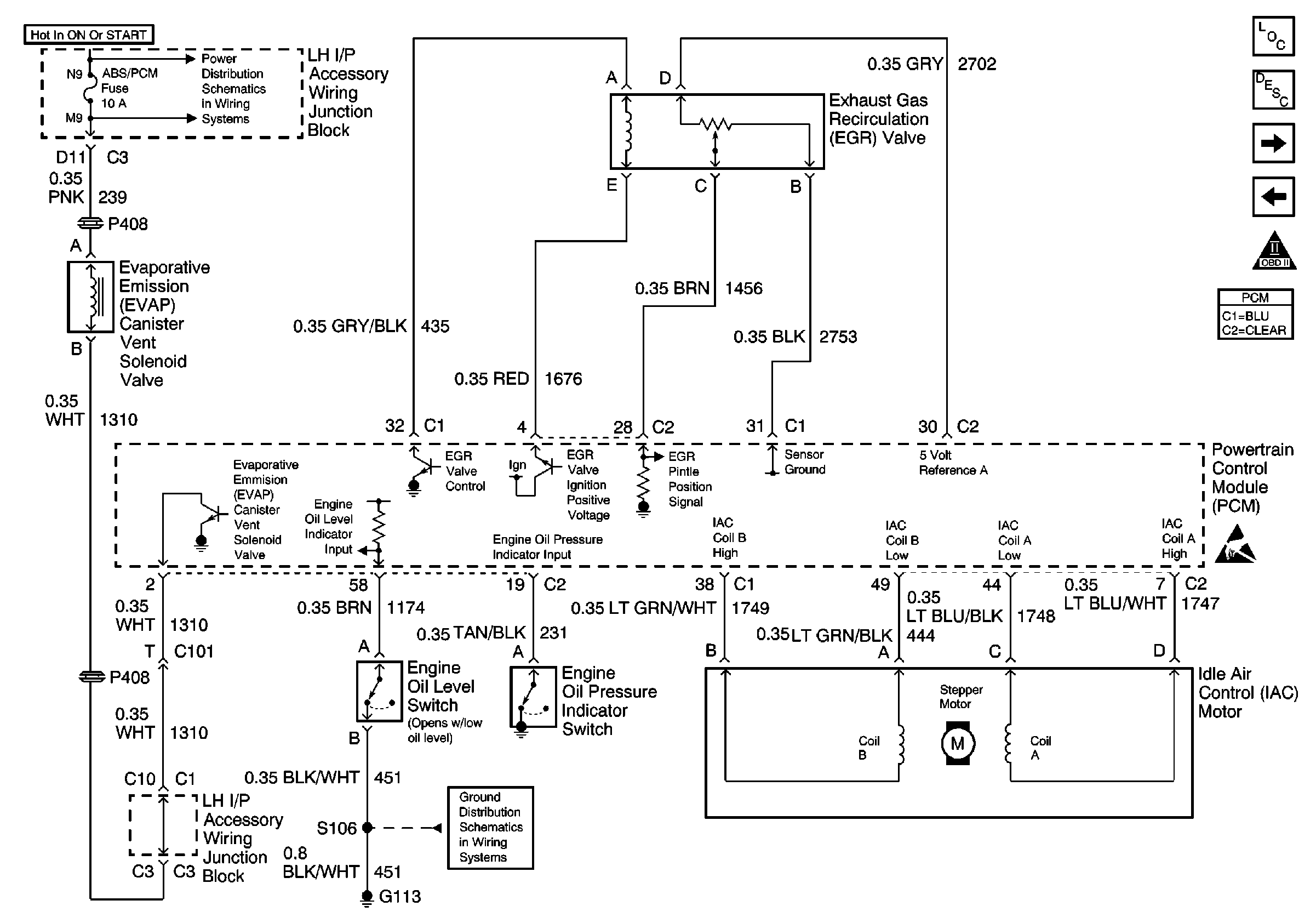
Refer to Engine Controls Schematic

IAC, Engine Oil Level, Engine Oil Pressure, EGR, EVAP Vent


Object Number: 488668  Size: FS
ABS/PCM, STOP, TURN SIGNAL and SRS Fuses
G113 - Continued
Handling ESD Sensitive Parts Notice
Engine Controls Components
Powertrain Control Module Description
VSS, Cruise
Engine Data Sensors - MAF, EVAP Purge, Air Injection
OBD II Symbol Description Notice
.

Circuit Description

The Powertrain Control Module (PCM) monitors the exhaust gas recirculation (EGR) valve pintle position input in order to ensure that the valve responds properly to commands from the PCM and to detect a fault if the pintle position sensor circuit is open or shorted. If the PCM detects an excessively low EGR feedback signal voltage, DTC P0405 will set.

Conditions for Running the DTC

The system voltage is more than 11 volts.

Conditions for Setting the DTC

    • The EGR feedback is less than 0.3 volt at any time.
    •  The condition is present for more than 20 seconds.

Action Taken When the DTC Sets

    • The PCM will illuminate the malfunction indicator lamp (MIL) during the second consecutive trip in which the diagnostic test has been run and failed.
    • The PCM will store conditions which were present when the DTC set as Freeze Frame/Failure Records data.

Conditions for Clearing the MIL/DTC

    • The PCM will turn OFF the malfunction indicator lamp (MIL) during the third consecutive trip in which the diagnostic has run and passed.
    • The history DTC will clear after 40 consecutive warm-up cycles have occurred without a malfunction.
    • The DTC can be cleared by using a scan tool.

Diagnostic Aids

Inspect for the following conditions:

Many situations may lead to an intermittent condition. Perform each inspection or test as directed.

Important: :  Remove any debris from the connector surfaces before servicing a component. Inspect the connector gaskets when diagnosing or replacing a component. Ensure that the gaskets are installed correctly. The gaskets prevent contaminate intrusion.

    • Loose terminal connection
       -  Use a corresponding mating terminal to test for proper tension. Refer to Testing for Intermittent Conditions and Poor Connections , and to Connector Repairs in Wiring Systems for diagnosis and repair.
       -  Inspect the harness connectors for backed out terminals, improper mating, broken locks, improperly formed or damaged terminals, and faulty terminal to wire connection. Refer to Testing for Intermittent Conditions and Poor Connections , and to Connector Repairs in Wiring Systems for diagnosis and repair.
    • Damaged harness--Inspect the wiring harness for damage. If the harness inspection does not reveal a problem, observe the display on the scan tool while moving connectors and wiring harnesses related to the sensor. A change in the scan tool display may indicate the location of the fault. Refer to Wiring Repairs in Wiring Systems for diagnosis and repair.
    •  Inspect the powertrain control module (PCM) and the engine grounds for clean and secure connections. Refer to Wiring Repairs in Wiring Systems for diagnosis and repair.

If the condition is determined to be intermittent, reviewing the Snapshot or Freeze Frame/Failure Records may be useful in determining when the DTC or condition was identified.

Test Description

The numbers below refer to the step numbers on the diagnostic table.

  1. Verifies that the malfunction is present.

  2. If DTC P0405 will only set under certain conditions, the malfunction may be intermittent. Refer to Diagnostic Aids. If an intermittent wiring problem is not present, check for a faulty connection at the PCM or the EGR valve.

  3. This vehicle is equipped with a PCM which utilizes an electrically erasable programmable read only memory (EEPROM). When the PCM is being replaced, the new PCM must be programmed.

DTC P0405 - EGR Valve Pintle Position Circuit Low Voltage

Step

Action

Values

Yes

No

1

Did you perform the Powertrain On-Board Diagnostic (OBD) System Check?

--

Go to Step 2

Go to Powertrain On Board Diagnostic (OBD) System Check

2

  1. Turn ON the ignition.
  2. Select the scan tool EGR valve output control function.
  3. Increment the EGR valve through all positions while comparing Desired EGR Position to Actual EGR Position.

Does Desired EGR Position remain close to Actual EGR Position at all commanded positions?

--

Go to Step 3

Go to Step 4

3

  1. Review and record the scan tool Failure Records data.
  2. Operate the vehicle within the Failure Records conditions.
  3. Use a scan tool in order to monitor the Specific DTC information for DTC P0405.

Does the scan tool indicate DTC P0405 failed this ignition?

--

Go to Step 4

Go to Diagnostic Aids

4

  1. Disconnect the EGR valve electrical connector.
  2. Connect a DMM in order to measure the voltage between the EGR pintle position sensor ground circuit and the 5-volt reference A circuit at the EGR valve connector.

Is the voltage at the specified value?

5.0 V

Go to Step 5

Go to Step 9

5

Probe the EGR valve pintle position circuit at the EGR valve harness connector with a test lamp connected to battery positive voltage.

Is the test lamp on?

--

Go to Step 8

Go to Step 6

6

  1. Connect a jumper between the 5-volt reference A circuit and the pintle position circuit at the EGR valve connector.
  2. Observe the Actual EGR Position on the scan tool.

Is the Actual EGR Position at the specified value?

100 %

Go to Step 13

Go to Step 7

7

  1. Turn OFF the ignition.
  2. Disconnect the PCM.
  3. Test for an open in the EGR valve pintle position circuit. Refer to Wiring Repairs in Wiring Systems.

Did you find and correct the condition?

--

Go to Step 19

Go to Step 17

8

  1. Turn OFF the ignition.
  2. Disconnect the PCM.
  3. Probe the EGR valve pintle position circuit with a test lamp to battery positive voltage.

Did the test lamp illuminate?

--

Go to Step 12

Go to Step 15

9

Probe the 5-volt reference A circuit with a test lamp to battery positive voltage.

Did the test lamp illuminate?

--

Go to Step 10

Go to Step 11

10

  1. Turn OFF the ignition.
  2. Disconnect the PCM.
  3. Probe the 5-volt reference A circuit with a test lamp to battery positive voltage.

Did the test lamp illuminate?

--

Go to Step 16

Go to Step 18

11

Test for an open in the 5-volt reference A circuit between the PCM and the EGR valve. Refer to Wiring Repairs in Wiring Systems.

Did you find and correct the condition?

--

Go to Step 19

Go to Step 17

12

Locate and correct the short to ground in the EGR valve pintle position circuit. Refer to Wiring Repairs in Wiring Systems.

Did you complete the repair?

--

Go to Step 19

--

13

Inspect for:

  1. Faulty terminal connections at the EGR valve.
  2. The EGR pintle position signal circuit shorted to the EGR valve control circuit. Refer to Testing for Continuity , Testing for Intermittent Conditions and Poor Connections , and Wiring Repairs in Wiring Systems.

Did you find and correct the condition?

--

Go to Step 19

Go to Step 14

14

Replace the EGR valve. Refer to Exhaust Gas Recirculation Valve Replacement .

Notice: If the EGR valve shows signs of excessive heat, inspect the exhaust system for blockage--possibly a plugged converter--using the procedure found on the Restricted Exhaust System Check. If the exhaust system is restricted, repair the cause. Inspect for an open injector caused by one or more of the following conditions:

   • Stuck
   • Grounded driver circuit
   • Possible faulty control module
If one of the above conditions is found, inspect the oil for possible fuel contamination.

Did you complete the replacement?

--

Go to Step 19

--

15

Test the EGR valve pintle position circuit for a short to the sensor ground circuit. Refer to Wiring Repairs in Wiring Systems.

Did you find and correct the condition?

--

Go to Step 19

Go to Step 18

16

Locate and repair short to ground in the 5-volt reference A circuit. Refer to Wiring Repairs in Wiring Systems.

Did you complete the repair?

--

Go to Step 19

--

17

Test the circuits related to the EGR valve for a faulty terminal connection at the PCM. Refer to Testing for Continuity , and Testing for Intermittent Conditions and Poor Connections in Wiring Systems.

Did you find and correct the condition?

--

Go to Step 19

Go to Step 18

18

Important: :  The replacement PCM must be programmed.

Replace the PCM. Refer to Powertrain Control Module Replacement/Programming .

Did you complete the replacement?

--

Go to Step 19

--

19

  1. Review and record scan tool Failure Records data.
  2. Clear the DTCs.
  3. Operate the vehicle within Failure Records conditions.
  4. Use a scan tool in order to monitor the Specific DTC information for DTC P0405.

Does the scan tool indicate DTC P0405 failed this ignition?

--

Go to Step 2

System OK