GM Service Manual Online
For 1990-2009 cars only

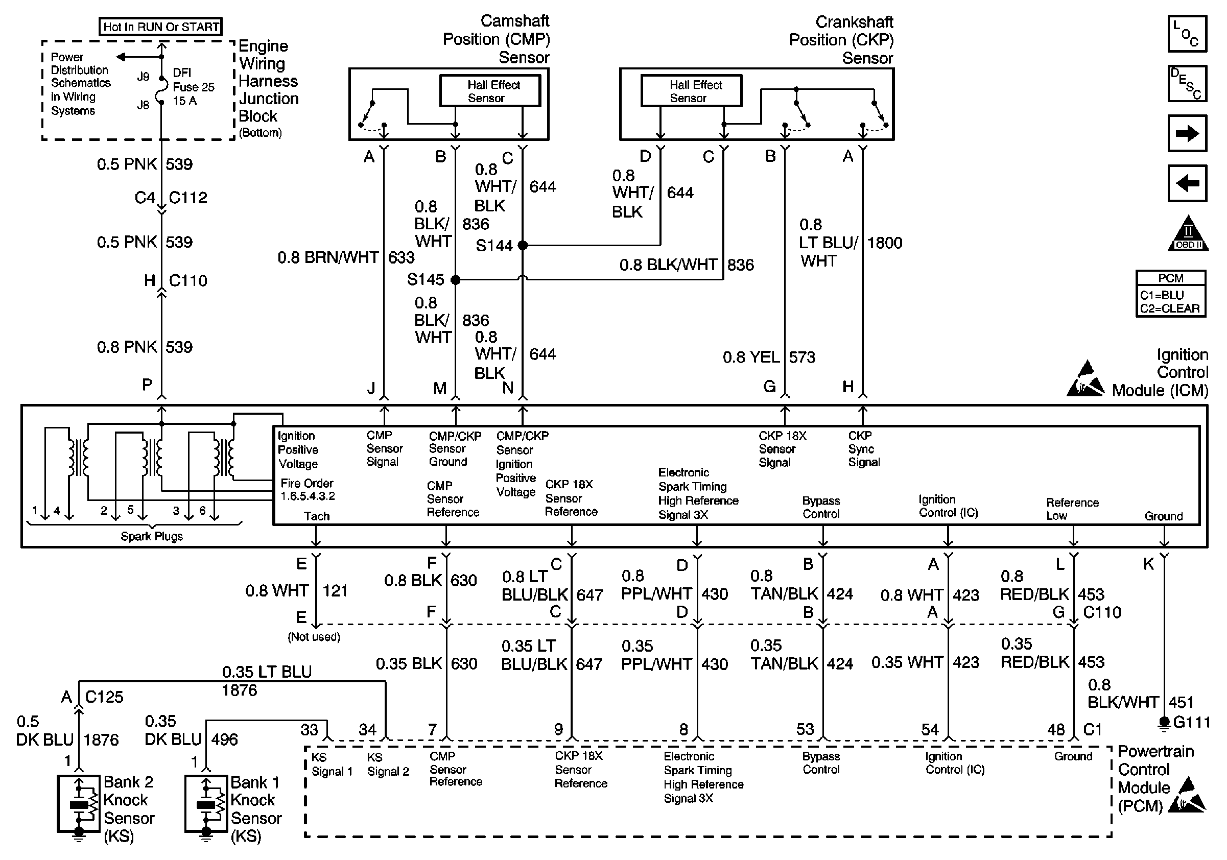
Refer to Engine Controls Schematics

Ignition System, Knock Sensors


Object Number: 489426  Size: FS
FAN CONT #2 & #3, FAN CONT #1, OXY SEN, DFI MDL and ENG DEVICES Fuses
Handling ESD Sensitive Parts Notice
Handling ESD Sensitive Parts Notice
Engine Controls Components
Powertrain Control Module Description
Fuel Controls
Power, Grounds, MIL, Serial Data
OBD II Symbol Description Notice
.

Circuit Description

The ignition control module (ICM) sends signals that the PCM requires for fuel control and spark advance calculations. At the start of engine crank, the ICM controls spark advance (Bypass mode.) When the second 3X reference pulse is recognized by the PCM, the PCM applies 5 volts to the Bypass circuit, commanding the ICM to switch spark advance to PCM control (IC mode). If the PCM detects a short to voltage in the IC circuit. The engine will start and may run in Bypass mode timing. DTC  P1361 will set. A short to ground in the IC circuit or Bypass circuit will cause both DTC P1361 and DTC P1362 to set.

Condition for Running the DTC

The engine is running.

Conditions for Setting the DTC

The PCM detects a short to voltage in the IC circuit for at least 300 3X reference periods (100 crankshaft revolutions).

Action Taken When the DTC Sets

    • The PCM will illuminate the malfunction indicator lamp (MIL) during the second consecutive trip in which the diagnostic test has been run and failed.
    • The PCM will store conditions which were present when the DTC set as Freeze Frame/Failure Records data.

Conditions for Clearing the MIL/DTC

    • The PCM will turn OFF the malfunction indicator lamp (MIL) during the third consecutive trip in which the diagnostic has run and passed.
    • The history DTC will clear after 40 consecutive warm-up cycles have occurred without a malfunction.
    • The DTC can be cleared by using a scan tool.

Diagnostic Aids

Check for the following conditions:

    • Poor connection at the PCM -- Inspect harness connectors for the following conditions:
      • Backed out terminals
      •  Improper mating
      • Improperly formed or damaged terminals
      • Poor terminal to wire connection
    • Damaged harness -- Inspect the wiring harness for damage. If the harness appears to be OK, disconnect the ICM, turn ON the ignition and observe a Digital Multimeter connected between the IC circuit and B+ while moving connectors and wiring harnesses related to the ICM. A change in voltage will indicate the location of the malfunction.

If the DTC cannot be duplicated and is determined to be intermittent, reviewing the Failure Records can be useful in determining when the DTC was last set. Also refer to Testing for Intermittent Conditions and Poor Connections in Wiring Systems.

Test Description

Numbers below refer to steps in the diagnostic table.

  1. This vehicle uses a PCM which contains a Electrically Erasable Programmable Read Only Memory (EEPROM) which must be reprogrammed if the PCM is replaced.

DTC P1361 - IC Circuit Not Toggling

Step

Action

Values

Yes

No

1

Did you perform the On-Board Diagnostic System Check?

--

Go to Step 2

Go to Powertrain On Board Diagnostic (OBD) System Check

2

Is DTC P1362 set also?

--

Go to Step 6

Go to Step 3

3

  1. Turn OFF the ignition.
  2. Disconnect the PCM.
  3. Turn ON the ignition .
  4. Probe the IC circuit with a test lamp connected to ground.

Is the test lamp ON?

--

Go to Step 4

Go to Step 13

4

  1. Turn OFF the ignition.
  2. Leave the PCM disconnected.
  3. Disconnect the ignition control module connector.
  4. Turn ON the ignition.
  5. Probe the IC circuit with a test lamp connected to ground.

Is the test lamp ON?

--

Go to Step 5

Go to Step 12

5

Locate and repair the short to voltage in the IC circuit. Refer to Wiring Repairs in Wiring Systems.

Is action complete?

--

Go to Step 14

--

6

  1. Turn OFF the ignition .
  2. Disconnect the PCM.
  3. Disconnect the ignition control module.
  4. Probe the IC circuit with a test lamp connected to B+.

Is the test lamp ON?

--

Go to Step 7

Go to Step 8

7

Locate and repair the short to ground in the IC circuit. Refer to Wiring Repairs in Wiring Systems.

Is action complete?

--

Go to Step 14

--

8

  1. Leave the ignition OFF.
  2. Leave the PCM disconnected.
  3. Leave the ignition control module disconnected.
  4. Probe the BYPASS circuit with a test lamp connected to battery positive voltage.

Is the test lamp ON?

--

Go to Step 9

Go to Step 10

9

Locate and repair the short to ground in the BYPASS circuit. Refer to Wiring Repairs in Wiring Systems.

Is action complete?

--

Go to Step 14

--

10

  1. Leave the ignition OFF.
  2. Leave the PCM disconnected.
  3. Leave the ignition control module disconnected.
  4. Check for a short between the IC and BYPASS circuits.
  5. If a problem is found, repair as necessary. Refer to Wiring Repairs in Wiring Systems.

Was a problem found?

--

Go to Step 14

Go to Step 11

11

  1. Leave the ignition switch OFF.
  2. Reconnect the ignition control module.
  3. Leave the PCM disconnected.
  4. Turn ON the ignition switch.
  5. Using DMM, observe the voltage between the IC and Reference Low circuits while probing the BYPASS circuit with a test lamp connected to B+.

Does the voltage toggle between the two indicated ranges?

20-40 mV

150-250 mV

Go to Step 13

Go to Step 12

12

Replace the ignition control module. Refer to Ignition Control Module Replacement .

Is action complete?

--

Go to Step 14

--

13

Important: Replacement PCM must be reprogrammed.

Replace the PCM. Refer to Powertrain Control Module Replacement/Programming .

Is action complete?

--

Go to Step 14

--

14

  1. Review and record scan tool Failure Records data.
  2. Clear DTCs.
  3. Operate the vehicle within Failure Records conditions.
  4. Using the scan tool, monitor Specific DTC Info for DTC P1361.

Does the scan tool indicate DTC P1361 failed this ignition?

--

Go to Step 2

System OK