GM Service Manual Online
For 1990-2009 cars only

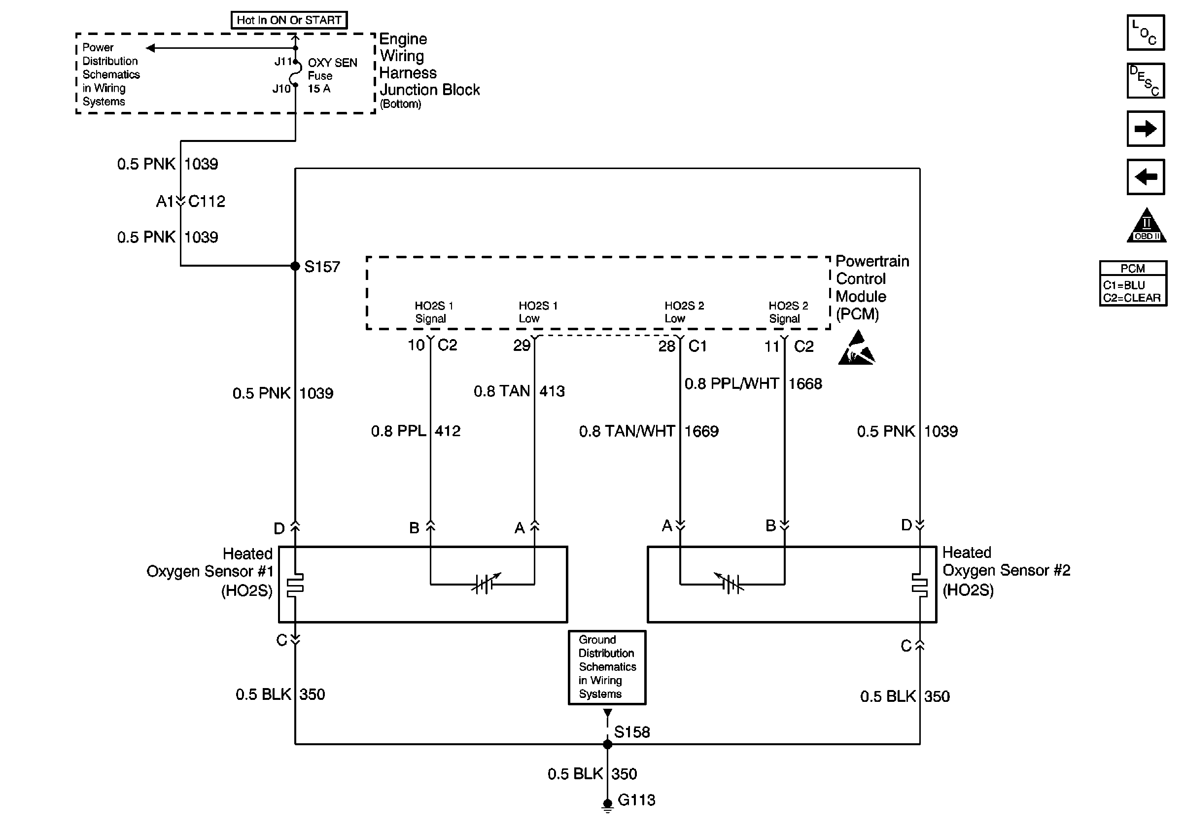
Refer to Engine Controls Schematics

Engine Data Sensors -- HO2S 1, HO2S 2


Object Number: 488655  Size: FS
FAN CONT #2 & #3, FAN CONT #1, OXY SEN, DFI MDL and ENG DEVICES Fuses
G100, G111, G113 and G151
Handling ESD Sensitive Parts Notice
Engine Controls Components
Powertrain Control Module Description
Engine Data Sensors - MAF, EVAP Purge, Air Injection
Engine Data Sensors: A/C Pressure Refrig, TP, MAP, ECT, IAT
OBD II Symbol Description Notice
.

Circuit Description

The PCM continuously monitors the heated oxygen sensor (HO2S) activity for 100 seconds. During the monitor period the PCM counts the number of times that the HO2S responds from rich to lean and from lean to rich and adds the amount of time it took to complete all transitions. With this information, an average time for all transitions can be determined. The PCM then divides the rich to lean average by the lean to rich average to obtain a ratio. If the HO2S transition time ratio is not within range, DTC P1134 will set.

Conditions for Running the DTC

    • No TP sensor, EVAP system, misfire, IAT sensor, MAP sensor, Fuel trim, injector circuit, EGR pintle position, MAF sensor, ECT sensor, CKP sensor, or H02S 1 heater circuit DTCs set.
    • Mass Air Flow is between 10 g/s and 30 g/s.
    • ECT is more than 50°C (122°F).
    • Engine run time is more than 60 seconds.
    • Engine speed is between 1000 RPM and 3000 RPM.
    • The engine is running in Closed Loop.

Conditions for Setting the DTC

    • Above conditions present for a 100 second monitoring period.
    • Ratio of average response times is not between 4.5 and 0.5.

Action Taken When the DTC Sets

    • The PCM will illuminate the malfunction indicator lamp (MIL) during the second consecutive trip in which the diagnostic test has been run and failed.
    • The PCM will store conditions which were present when the DTC set as Freeze Frame/Failure Records data.

Conditions for Clearing the MIL/DTC

    • The PCM will turn OFF the malfunction indicator lamp (MIL) during the third consecutive trip in which the diagnostic has run and passed.
    • The history DTC will clear after 40 consecutive warm-up cycles have occurred without a malfunction.
    • The DTC can be cleared by using a scan tool.

Diagnostic Aids

A malfunction in the HO2S heater ignition feed or ground circuit may cause the DTC to set. Check HO2S heater circuitry for intermittent malfunctions or poor connections. If connections and wiring are OK and the DTC continues to set, replace the HO2S 1.

If the DTC cannot be duplicated and is determined to be intermittent, reviewing the Failure Records can be useful in determining when the DTC was last set. Also refer to Testing for Intermittent Conditions and Poor Connections in Wiring Systems.

Test Description

The numbers below refer to the step numbers on the diagnostic table.

  1. This step checks for conditions which may cause the DTC to set with a good heated oxygen sensor. Correct any of the described conditions if present.

  2. Before replacing the HO2S, check for silicon contamination.

DTC P1134 - HO2S Transition Time Ratio Sensor 1

Step

Action

Values

Yes

No

1

Did you perform the Powertrain On-Board Diagnostic (OBD) System Check?

--

Go to Step 2

Go to Powertrain On Board Diagnostic (OBD) System Check

2

Important:: If any DTCs are set (except P1133 or P1134), go to those DTCs before proceeding with this diagnostic table.

  1. Operate the vehicle within parameters specified under Conditions for Setting the DTC.
  2. Using a scan tool, monitor Specific DTC info for DTC P1134 until the DTC P1134 test runs.

Does the scan tool indicate DTC failed this ignition?

--

Go to Step 3

Go to Diagnostic Aids

3

  1. Check the exhaust system for leaks. Refer to Exhaust System Inspection in Engine Exhaust.
  2. If an exhaust leak is found, repair as necessary.

Did you find and correct the condition?

--

Go to Step 10

Go to Step 4

4

Visually and physically inspect the following items:

    • Ensure that the HO2S 1 is securely installed.
    • Corrosion on terminals at HO2S 1 and at the PCM
    • Terminal tension
    • Damaged wiring

Did you find and correct the condition?

--

Go to Step 10

Go to Step 5

5

  1. Disconnect HO2S 1.
  2. Jumper HO2S low (PCM side) signal circuit to ground.
  3. Using a scan tool, monitor HO2S 1 voltage.

Does the voltage measure near the specified value?

450 mV

Go to Step 6

Go to Step 8

6

  1. Jumper HO2S 1 high and low (PCM side) signal circuits to ground.
  2. Using a scan tool, monitor HO2S 1 voltage.

Does voltage measure less than the specified value?

300 mV

Go to Step 7

Go to Step 9

7

Replace affected heated oxygen sensors. Refer to Heated Oxygen Sensor Replacement .

Did you complete the replacement?

--

Go to Step 10

--

8

Repair open HO2S 1 low signal circuit or grounded HO2S 1 high signal circuit. Refer to Wiring Repairs in Wiring Systems.

Did you find and correct the condition?

--

Go to Step 10

--

9

Repair open HO2S 1 high signal circuit or poor connections at the PCM. Refer to Wiring Repairs in Wiring Systems.

Did you find and correct the condition?

--

Go to Step 10

--

10

  1. Use a scan tool to Clear the DTCs.
  2. Operate the vehicle within the Conditions for Running the DTC as specified in the supporting text.

Does the DTC reset?

--

Go to Step 2

System OK