GM Service Manual Online
For 1990-2009 cars only

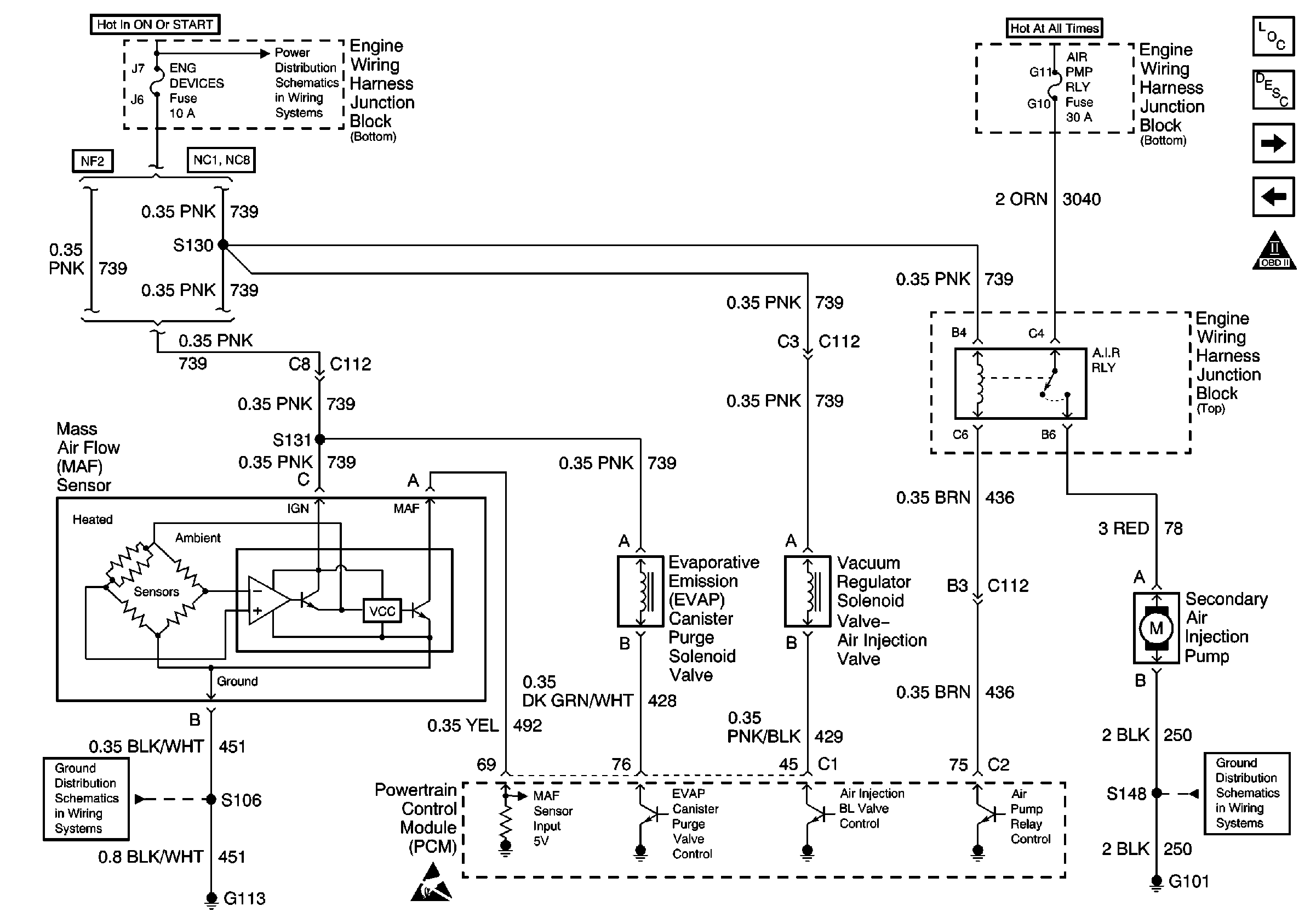
Refer to Engine Controls Schematics

Engine Data Sensors -- MAF, EVAP Purge, Air Injection


Object Number: 488659  Size: FS
FAN CONT #2 & #3, FAN CONT #1, OXY SEN, DFI MDL and ENG DEVICES Fuses
G113 - Continued
Handling ESD Sensitive Parts Notice
G101 (1 of 2)
Engine Controls Components
Powertrain Control Module Description
IAC, Engine Oil Level, Engine Oil Pressure, EGR, EVAP Vent
Engine Data Sensors - HO2S 1, HO2S 2
OBD II Symbol Description Notice
.

Description

The control module activates the Secondary Air Injection System by grounding both the pump relay and the vacuum control solenoid control circuits simultaneously. This energizes the pump and the vacuum control solenoid. Vacuum is then applied, opening the valves. The pump then forces fresh air into the exhaust stream in order to accelerate catalyst operation. The control module will run up to 3 diagnostic tests using the pre-catalyst HO2S voltage and Short Term FT to diagnose the system. The system can be diagnosed during normal Secondary Air Injection operation or the control module can activate the system specifically for diagnostic purposes. If an air flow problem is detected this DTC will set. When inactive, the system prevents air flow in either direction.

Conditions for Running the DTC

    • No EVAP, ECT, Fuel Trim, idle control, HO2S, MAF, IAT, TP or Misfire DTCs set.
    • The engine run time is more than 90 seconds.
    • The fuel control is in Closed Loop.
    • The engine coolant temperature is between 65°C and 110°C (149°F - 230°F).
    • The mass air flow (MAF) is less than 8.1 g/s.
    • The ignition voltage is more than 11 volts.
    • The engine speed is more than 850 RPM.
    • The fuel system is operating in DECEL control cell.

Conditions for Setting the DTC

    • The pre-catalyst HO2S voltage remains above a predetermined lean value during the test.
        AND
    • The Short Term FT does not increase a calibrated amount during the test.
    • Both conditions above exist for 3 consecutive tests.

Action Taken When the DTC Sets

    • The PCM will illuminate the malfunction indicator lamp (MIL) during the second consecutive trip in which the diagnostic test has been run and failed.
    • The PCM will store conditions which were present when the DTC set as Freeze Frame/Failure Records data.

Conditions for Clearing the MIL/DTC

    • The PCM will turn OFF the malfunction indicator lamp (MIL) during the third consecutive trip in which the diagnostic has run and passed.
    • The history DTC will clear after 40 consecutive warm-up cycles have occurred without a malfunction.
    • The DTC can be cleared by using a scan tool.

Diagnostic Aids

Notice: Use the connector test adapter kit J 35616-A for any test that requires probing the following items:

   • The PCM harness connectors
   • The electrical center fuse/relay cavities
   • The component terminals
   • The component harness connector
Using this kit will prevent damage caused by the improper probing of connector terminals.

If the DTC cannot be duplicated and is determined to be intermittent, reviewing the Failure Records can be useful in determining when the DTC was last set. Also refer to Testing for Intermittent Conditions and Poor Connections in Wiring Systems.

Test Description

The numbers below refer to the step numbers on the diagnostic table.

  1. This vehicle is equipped with a PCM which utilizes an Electrically Erasable Programmable Read Only Memory (EEPROM). When the PCM is being replaced, the new PCM must be programmed.

Step

Action

Values

Yes

No

1

Did you perform the Powertrain On-Board Diagnostic (OBD) System Check?

--

Go to Step 2

Go to Powertrain On Board Diagnostic (OBD) System Check

2

Important: If DTC P0412 Secondary Air Injection (AIR) Solenoid Control Circuit or DTC P0418 Secondary Air Injection (AIR) Pump Relay Control Circuit are also set, refer to the applicable DTC first.

Visually inspect the for the following:

    • Damage
    • Loose or restricted AIR pipes / hoses
    • Loose or restricted vacuum lines

Did you find and correct the condition?

--

Go to Step 42

Go to Step 3

3

  1. Turn ON the ignition.
  2. With a scan tool, command the AIR pump relay ON and OFF.

Does the pump turn ON and OFF with each command?

--

Go to Step 4

Go to Step 10

4

With a scan tool, command the AIR solenoid ON and OFF.

Does the solenoid turn ON and OFF with each command?

--

Go to Step 5

Go to Step 14

5

  1. Disconnect the AIR hose from the valve.
  2. With a scan tool, command the AIR pump ON.

Is airflow present at the hose outlet?

--

Go to Step 6

Go to Step 16

6

  1. Disconnect the vacuum line from the solenoid.
  2. Start the engine.

Is vacuum present at the vacuum line?

--

Go to Step 7

Go to Step 24

7

  1. Reconnect the vacuum line to the solenoid.
  2. Disconnect the vacuum line from the valve.
  3. Start the engine.
  4. With a scan tool, command the AIR solenoid ON.

Is vacuum present at the vacuum line?

--

Go to Step 8

Go to Step 17

8

  1. Remove the valve from the vehicle.
  2. Install a hand held vacuum pump to the valve.
  3. Apply 33 kPa (10 in Hg) to valve.

Does the valve hold vacuum for 1 minute?

--

Go to Step 9

Go to Step 33

9

Important: Attempt to blow through the valve without vacuum applied. If you can blow through the valve, refer to step 33.

  1. Leave the vacuum applied to the valve.
  2. Attempt to blow through the valve from the inlet side.

Can you blow through the valve?

--

Go to Step 25

Go to Step 33

10

Does the pump run continuously?

--

Go to Step 18

Go to Step 11

11

  1. Disconnect the pump relay.
  2. Turn ON the ignition.
  3. Probe the relay feed circuits using a test lamp that is connect to a good ground.

Does the test lamp illuminate when probing both circuits?

--

Go to Step 12

Go to Step 20

12

  1. Probe the control circuit using a test lamp that is connected to B+.
  2. Using a scan tool, command the pump ON and OFF.

Does the test lamp turn ON and OFF with each command?

--

Go to Step 13

Go to Step 23

13

  1. Install a jumper wire between the relay switch feed and the pump feed.
  2. Turn ON the ignition.

Does the AIR pump operate?

--

Go to Step 34

Go to Step 26

14

  1. Disconnect the solenoid.
  2. Turn ON the ignition.
  3. Probe the solenoid feed using a test lamp that is connected to a good ground.

Does the test lamp illuminate?

--

Go to Step 15

Go to Step 20

15

  1. Probe the solenoid control circuit using a test lamp that is connected to B+.
  2. With a scan tool, command the solenoid ON and OFF.

Does the test lamp turn ON and OFF with each command?

--

Go to Step 36

Go to Step 23

16

  1. Disconnect the AIR hose from the pump.
  2. With a scan tool, command the AIR pump ON.

Is airflow present at the pump outlet?

--

Go to Step 25

Go to Step 39

17

Inspect the vacuum line from the solenoid to the valve for a restriction or a loose condition.

Did you find and correct the condition?

--

Go to Step 42

Go to Step 37

18

  1. Ensure the ignition is ON.
  2. Disconnect the relay.

Does the pump stop operating?

--

Go to Step 19

Go to Step 28

19

  1. Probe the relay control circuit using a test lamp that is connected to B+.
  2. With a scan tool, command the pump ON and OFF.

Does the test lamp turn ON and OFF with each command?

--

Go to Step 29

Go to Step 35

20

Inspect the feed fuse or fuses.

Is the fuse or fuses OK?

--

Go to Step 30

Go to Step 21

21

Test the feed circuit if corresponding to the blown fuse or fuses for a short to ground. Refer to Circuit Testing and Wiring Repairs in Wiring Systems.

Did you find and correct the condition?

--

Go to Step 42

Go to Step 22

22

Test the pump feed for a short to ground. Refer to Circuit Testing and Wiring Repairs in Wiring Systems.

Did you find and correct the condition?

--

Go to Step 42

Go to Step 39

23

Is the test lamp on steady?

--

Go to Step 29

Go to Step 32

24

Repair the vacuum source.

Did you complete the repair?

--

Go to Step 42

--

25

Repair the pipe, hose or check valve for an open or a restriction.

Did you find and correct the condition?

--

Go to Step 42

Go to Restricted Exhaust System Check

26

  1. Ensure the ignition is ON.
  2. Leave the jumper wire installed.
  3. Disconnect the pump.
  4. Connect a test lamp between the feed and ground circuits at the pump harness connector.

Does the test lamp illuminate?

--

Go to Step 38

Go to Step 27

27

  1. Ensure the ignition is ON.
  2. Leave the jumper wire installed.
  3. Disconnect the pump.
  4. Connect a test lamp between the feed and a good ground.

Does the test lamp illuminate?

--

Go to Step 31

Go to Step 30

28

Repair the short to voltage in the pump feed circuit. Refer to Wiring Repairs in Wiring Systems.

Did you complete the repair?

--

Go to Step 42

--

29

Test for a short to ground in the control circuit. Refer to Circuit Testing and Wiring Repairs in Wiring Systems.

Did you find and correct the condition?

--

Go to Step 42

Go to Step 41

30

Repair the open feed circuit. Refer to Wiring Repairs in Wiring Systems.

Did you complete the repair?

--

Go to Step 42

--

31

Repair the open ground circuit. Refer to Wiring Repairs in Wiring Systems.

Did you complete the repair?

--

Go to Step 42

--

32

Test for an open or short to voltage in the control circuit. Refer to Circuit Testing and Wiring Repairs in Wiring Systems.

Did you find and correct the condition?

--

Go to Step 42

Go to Step 40

33

Replace the valve. Refer to Secondary Air Injection Combination Valve/Pipe Replacement .

Did you complete the repair?

--

Go to Step 42

--

34

Test for poor connections at the relay. Refer to Testing for Intermittent Conditions and Poor Connections and Connector Repairs in Wiring Systems.

Did you find and correct the condition?

--

Go to Step 42

Go to Step 35

35

Replace the relay.

Did you complete the repair?

--

Go to Step 42

--

36

Test for poor connections at the solenoid. Refer to Testing for Intermittent Conditions and Poor Connections and Connector Repairs in Wiring Systems.

Did you find and correct the condition?

--

Go to Step 42

Go to Step 37

37

Replace the solenoid. Refer to Secondary Air Injection Vacuum Solenoid Replacement .

Did you complete the repair?

--

Go to Step 42

--

38

Test for poor connections at the pump. Refer to Testing for Intermittent Conditions and Poor Connections and Connector Repairs in Wiring Systems.

Did you find and correct the condition?

--

Go to Step 42

Go to Step 39

39

Important: After you have replaced the pump, turn ON the ignition, with the engine OFF. If the pump runs without a scan tool command, refer to step 18.

Replace the pump. Refer to Secondary Air Injection Pump Replacement .

Did you complete the repair?

--

Go to Step 42

--

40

Test for poor connections at the control module. Refer to Testing for Intermittent Conditions and Poor Connections and Connector Repairs in Wiring Systems.

Did you find and correct the condition?

--

Go to Step 42

Go to Step 41

41

Important: The replacement control module must be reprogrammed.

Replace the control module. Refer to Powertrain Control Module Replacement/Programming .

Did you complete the repair?

--

Go to Step 42

--

42

  1. Use the scan tool in order to clear the DTCs.
  2. Operate the vehicle within the Failure Record conditions.

Does the DTC reset?

--

Go to Step 2

System OK