GM Service Manual Online
For 1990-2009 cars only
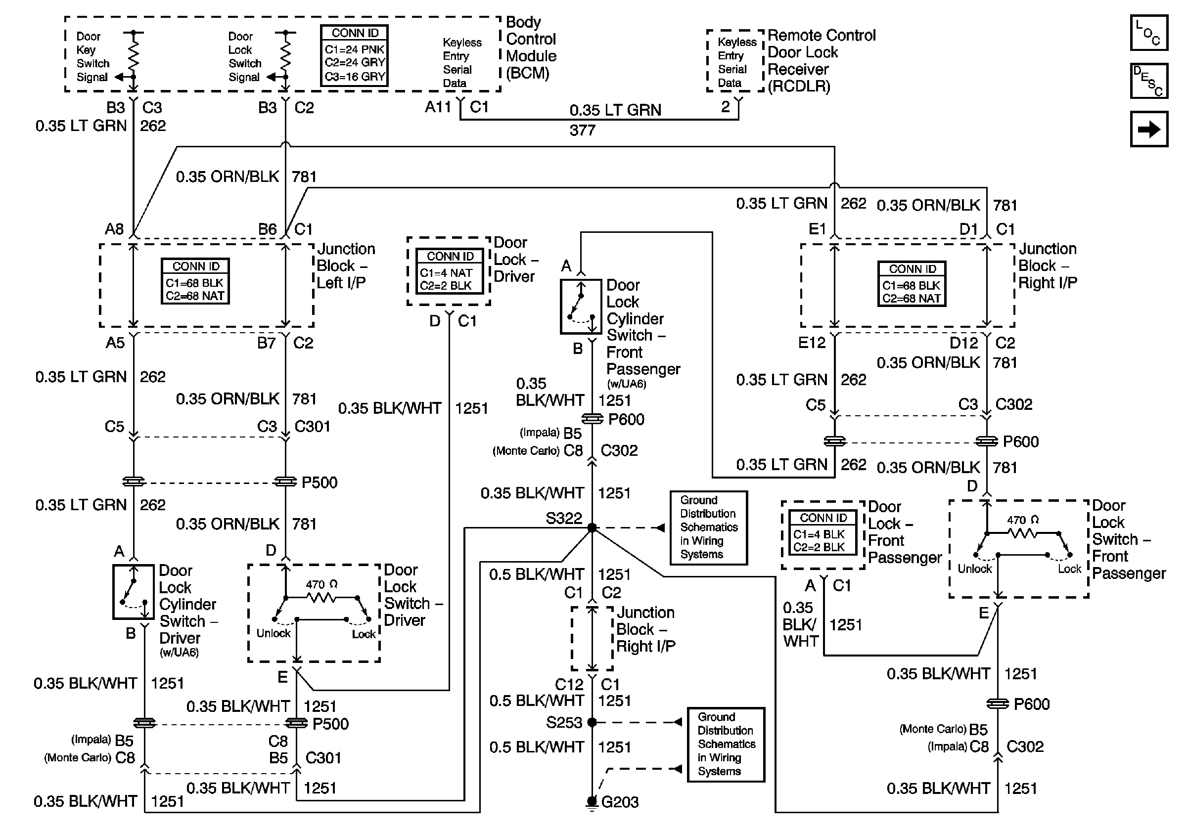
Figure 1:

Lock Switches


Object Number: 691919  Size: FS
Master Electrical Component List
Power Door Locks Description and Operation
Door Lock Actuators
G203 (2 of 3)
G203 (1 of 3)
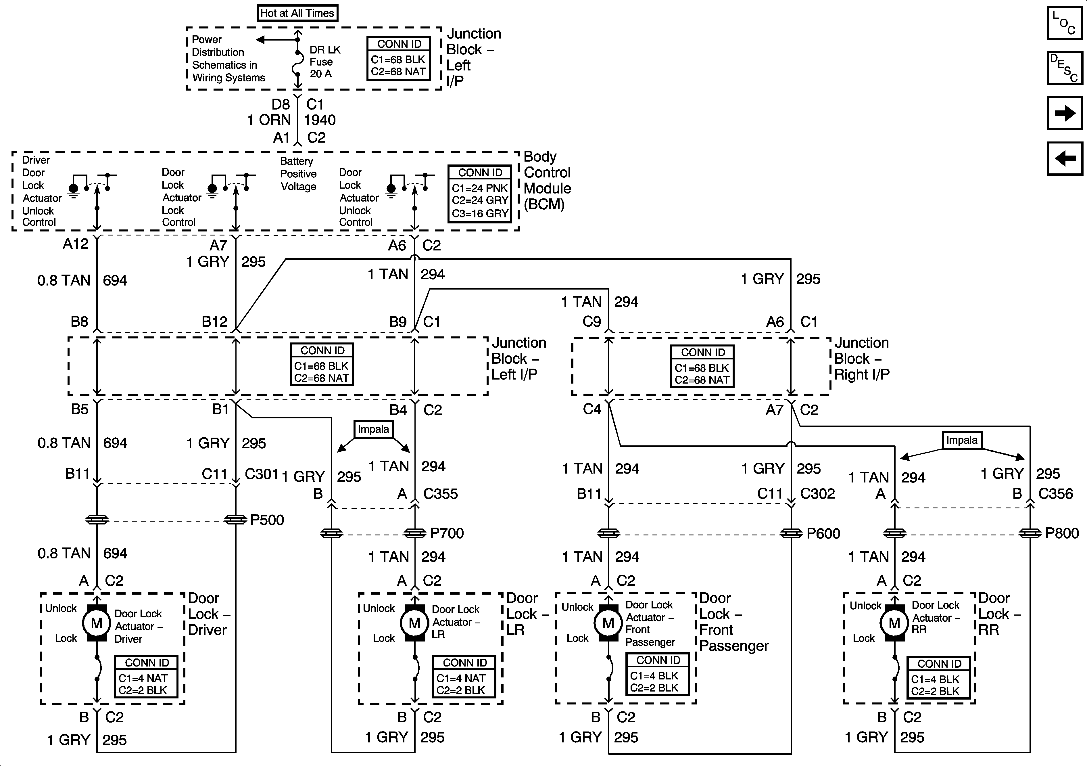
Figure 2:

Door Lock Actuators


Object Number: 691924  Size: FS
Master Electrical Component List
Power Door Locks Description and Operation
Door Open Switches (Left)
Lock Switches
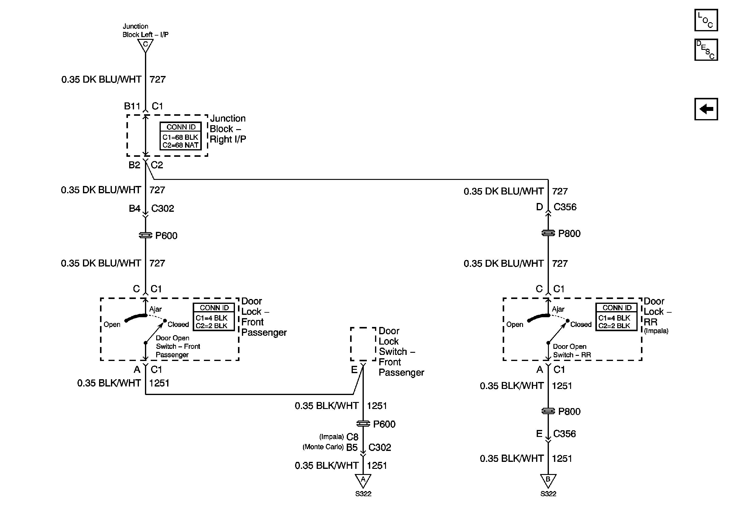
Figure 3:

Door Open Switches (Left)


Object Number: 691926  Size: FS
Master Electrical Component List
Power Door Locks Description and Operation
Door Open Switches (Right)
Door Lock Actuators
Door Open Switches (Right)
Door Open Switches (Right)
Door Open Switches (Right)
G203 (2 of 3)
G203 (1 of 3)
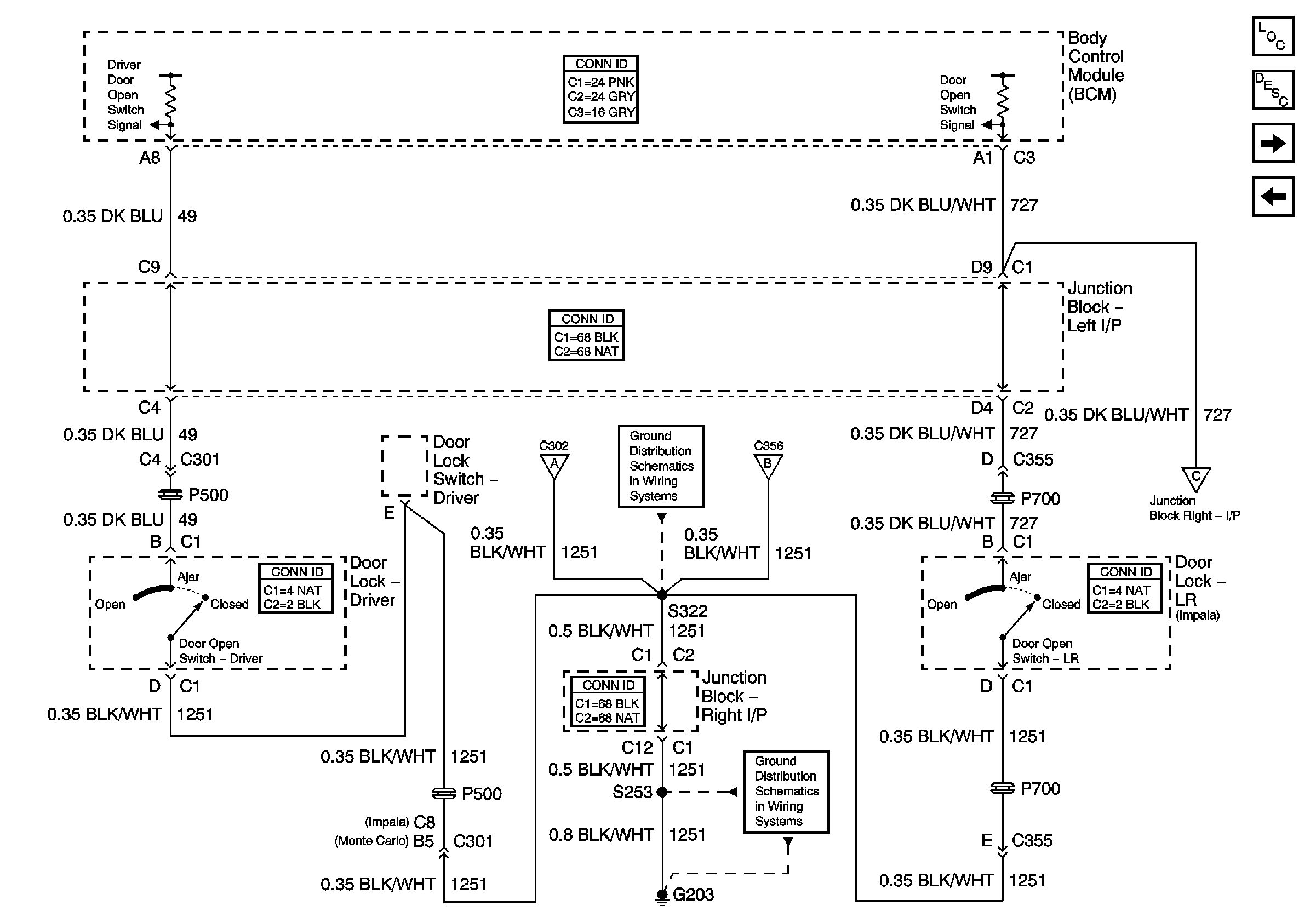
Figure 4:

Door Open Switches (Right)


Object Number: 691927  Size: FS
Master Electrical Component List
Power Door Locks Description and Operation
Door Open Switches (Left)
Door Open Switches (Left)
Door Open Switches (Left)
Door Open Switches (Left)