GM Service Manual Online
For 1990-2009 cars only
Makes
🢒
Chevrolet
🢒
2001
🢒
Impala
🢒
Body and Accessories
🢒
Wiring Systems
🢒 Upfitter Provision Schematics
Figure
1:
Rear Compartment Junction Block, and Roof Wiring Provision
Master Electrical Component List
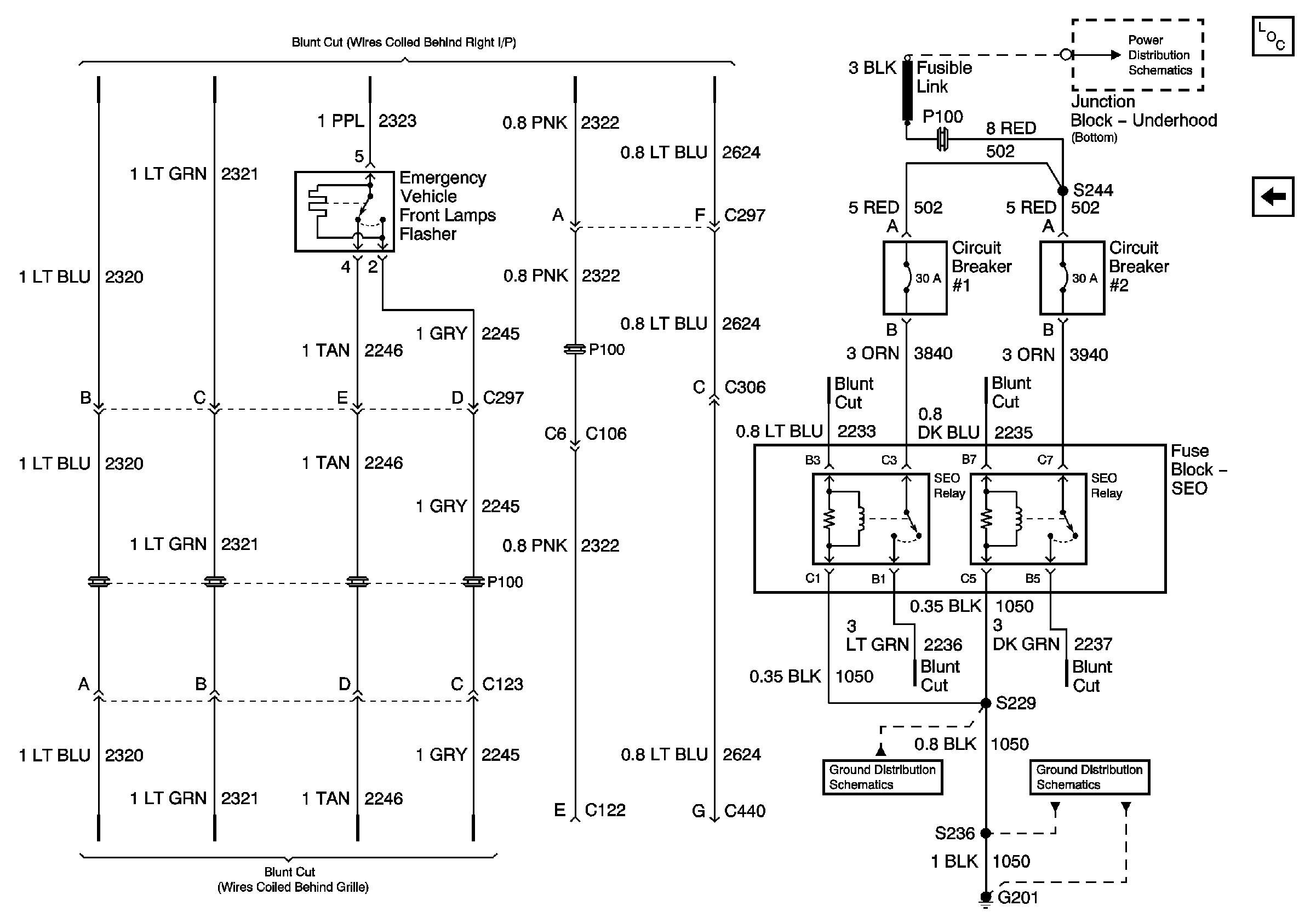
Front and Rear Lamps Provisions, SEO Relays
ABS/PCM, SRS, STOP, and TURN SIGNAL Fuses
Fuse Block-SEO and Fusible Links
Figure
2:
Front and Rear Lamps Provisions, SEO Relays
Master Electrical Component List
Rear Compartment Junction Block, and Roof Wiring Provision
Fuse Block-SEO and Fusible Links
G201 (2 of 2)
G201 (2 of 2)