GM Service Manual Online
For 1990-2009 cars only
Makes
🢒
Chevrolet
🢒
2001
🢒
Impala
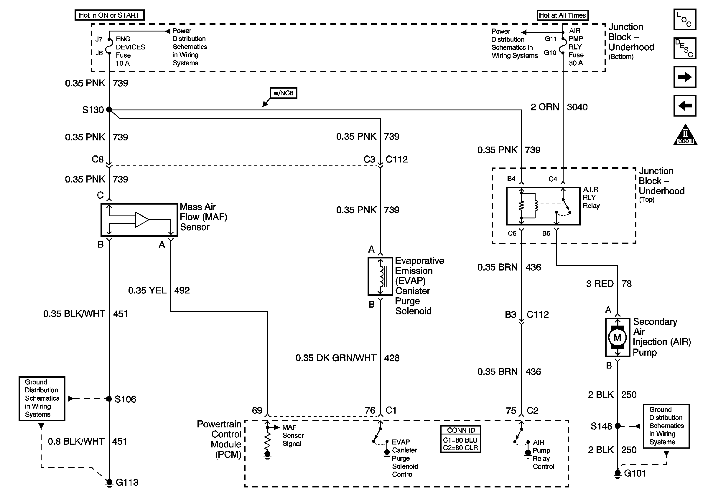
🢒 Air Injection, EVAP Purge, and MAF
Air Injection, EVAP Purge, and MAF
Air Injection, EVAP Purge, and MAF
Master Electrical Component List
Evaporative Emission Control System Description
EGR, EOP, IAC, and EVAP Vent
HO2S and VSS
Engine Controls Schematic Icons
DFI MDL, ENG DEVICES, and OXY SEN Fuses
G101
G113 (2 of 2)
A/C RLY (COIL), AIR PMP RLY, COOLING FANS, DFI MDL, ENG DEVISES, FANCONT#1, FAN CONT#2&3, FUEL INJ, IGN SW, OXY SEN, RT IP#3, TRANS SOL, AND U/HOOD#2 Fuses