GM Service Manual Online
For 1990-2009 cars only
Makes
🢒
Chevrolet
🢒
2001
🢒
Impala
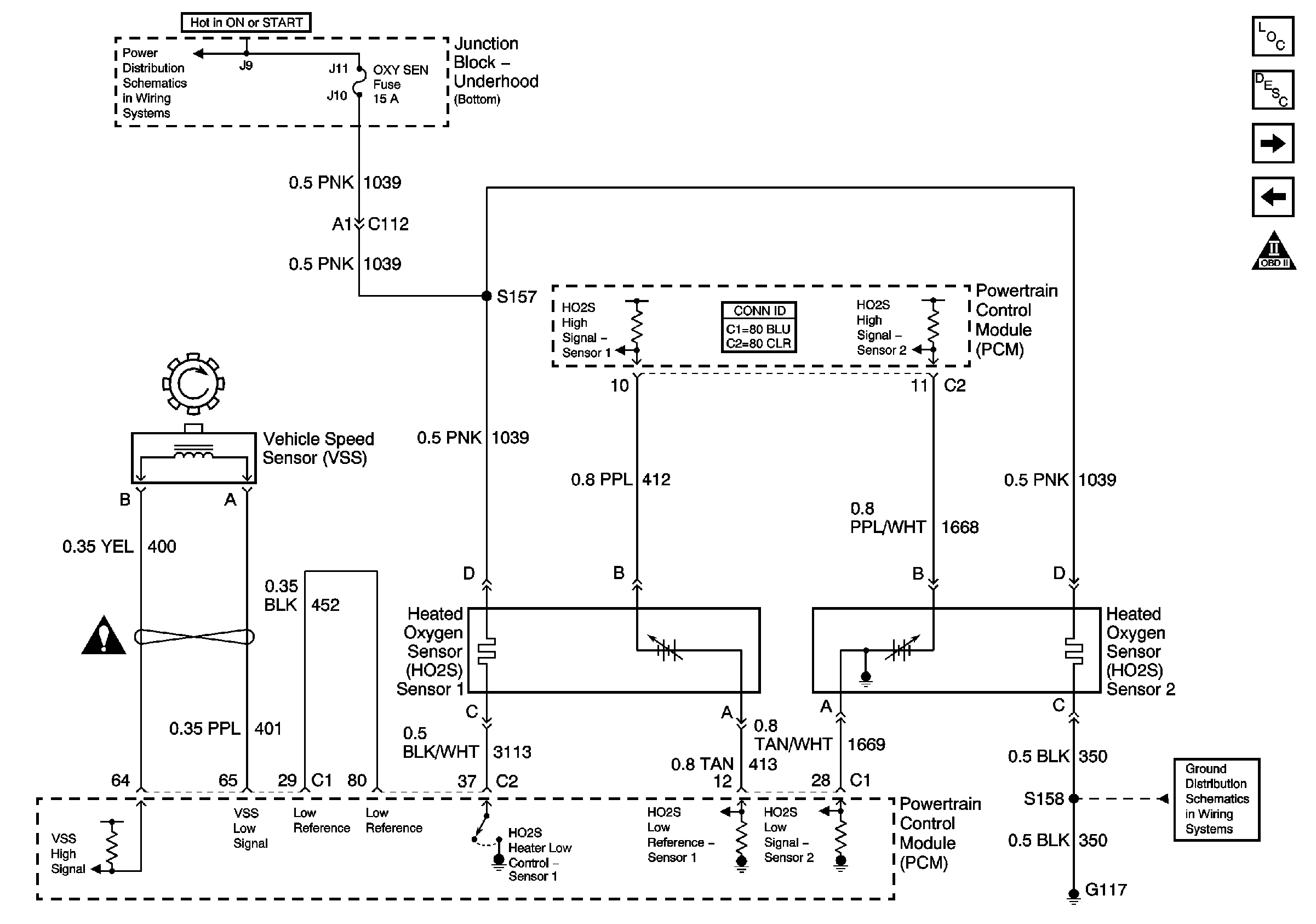
🢒 HO2S and VSS
HO2S and VSS
HO2S and VSS
Master Electrical Component List
Fuel System Description
Air Injection, EVAP Purge, and MAF
Sensors
Engine Controls Schematic Icons
A/C RLY (COIL), AIR PMP RLY, COOLING FANS, DFI MDL, ENG DEVISES, FANCONT#1, FAN CONT#2&3, FUEL INJ, IGN SW, OXY SEN, RT IP#3, TRANS SOL, AND U/HOOD#2 Fuses
Engine Controls Schematic Icons
G100, G111, G113, G117, and G151 (1 of 2)