GM Service Manual Online
For 1990-2009 cars only
Makes
🢒
Chevrolet
🢒
2001
🢒
Impala
🢒 1/1
1/1
Master Electrical Component List
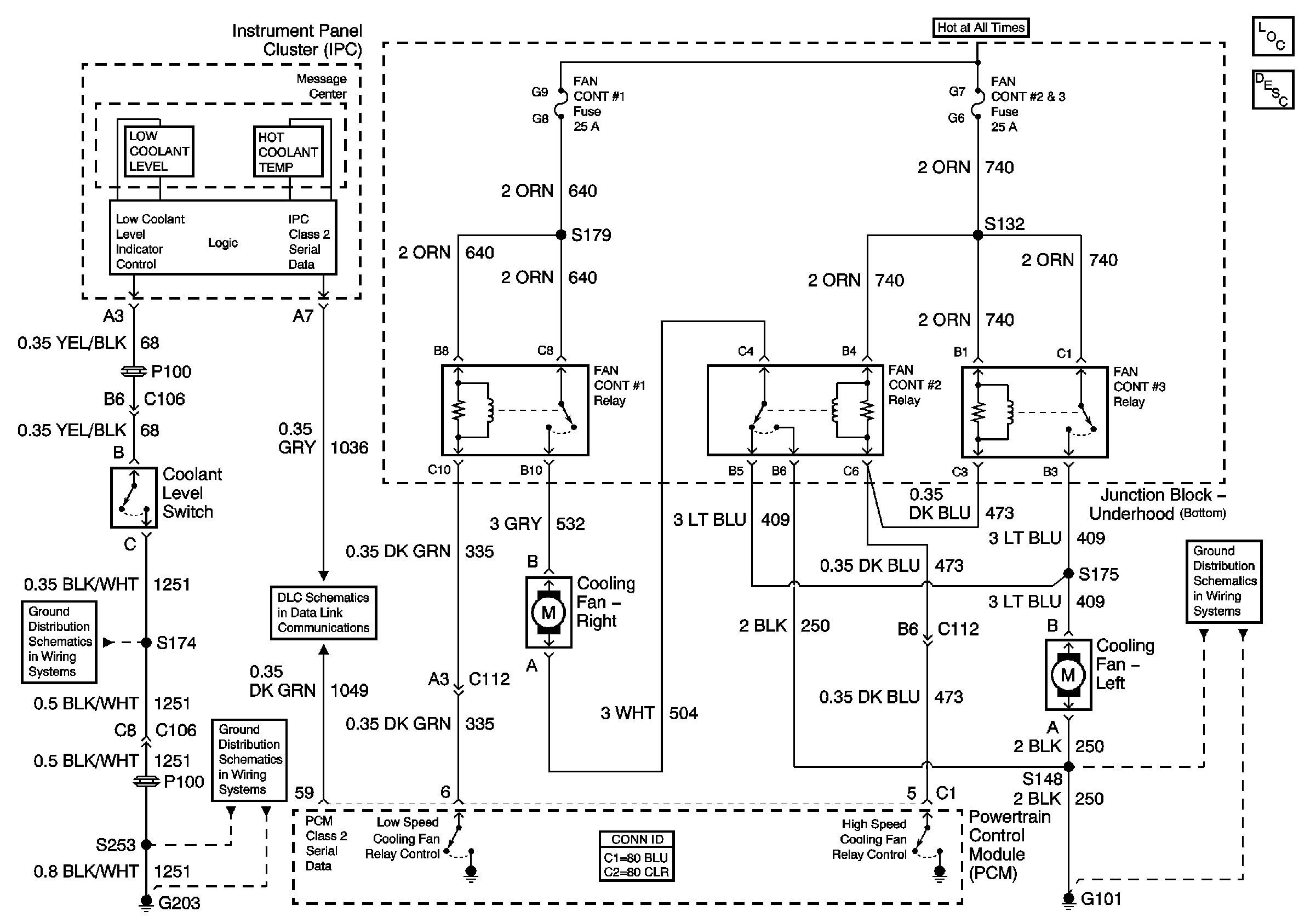
Cooling System Description and Operation
G203 (3 of 3)
G203 (1 of 3)
DLC Schematics
G101