GM Service Manual Online
For 1990-2009 cars only
Makes
🢒
Chevrolet
🢒
2001
🢒
Impala
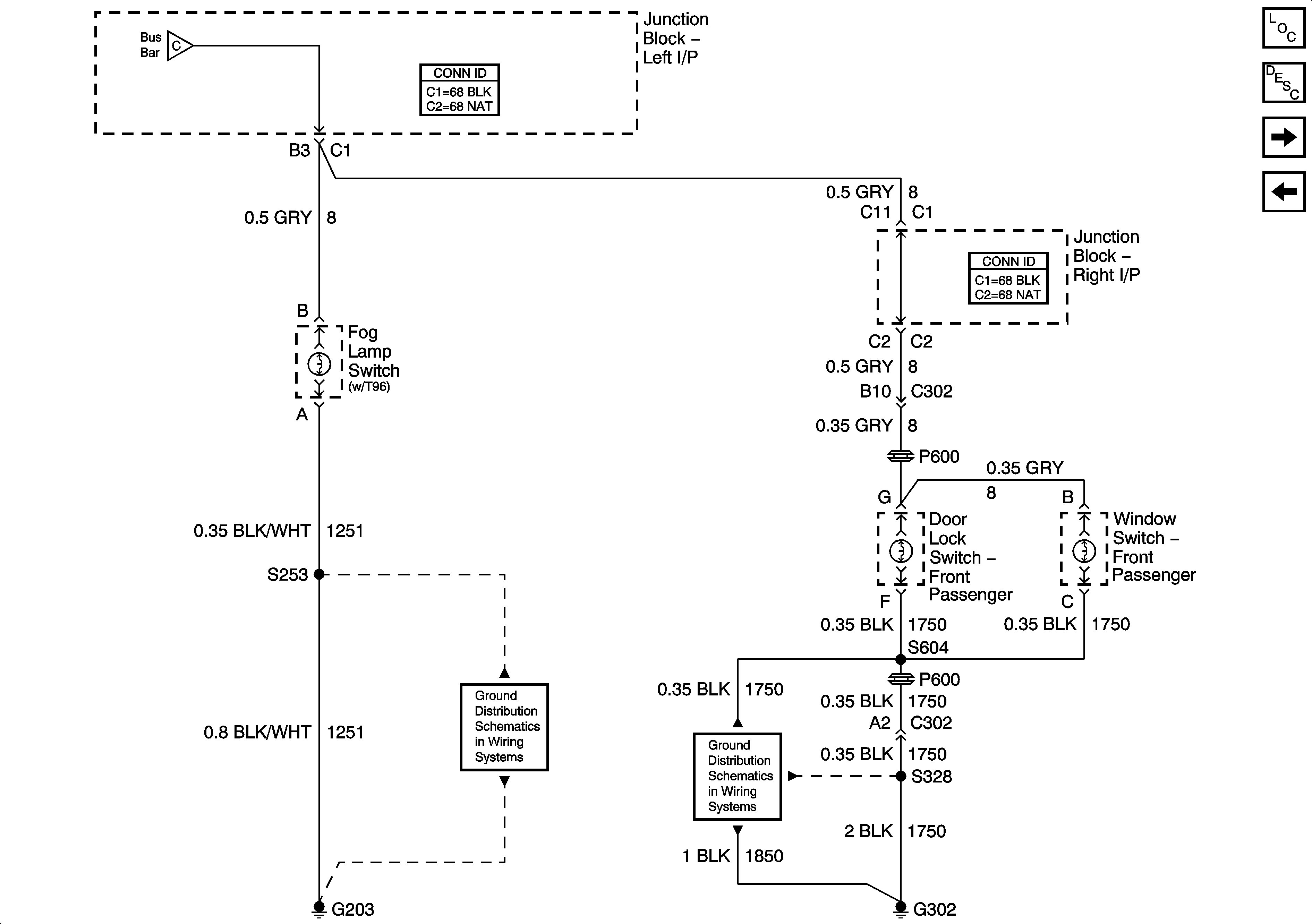
🢒 Fog Lamp Switch, and Front Passenger Door
Fog Lamp Switch, and Front Passenger Door
Fog Lamp Switch, and Front Passenger Door
Master Electrical Component List
Interior Lighting Systems Description and Operation
Class 2 Dimming
Console, and Driver Door
Console, and Driver Door
G203 (1 of 3)
G302 (1 of 2)