GM Service Manual Online
For 1990-2009 cars only
Makes
🢒
Chevrolet
🢒
2001
🢒
Impala
🢒 1/1
1/1
Master Electrical Component List
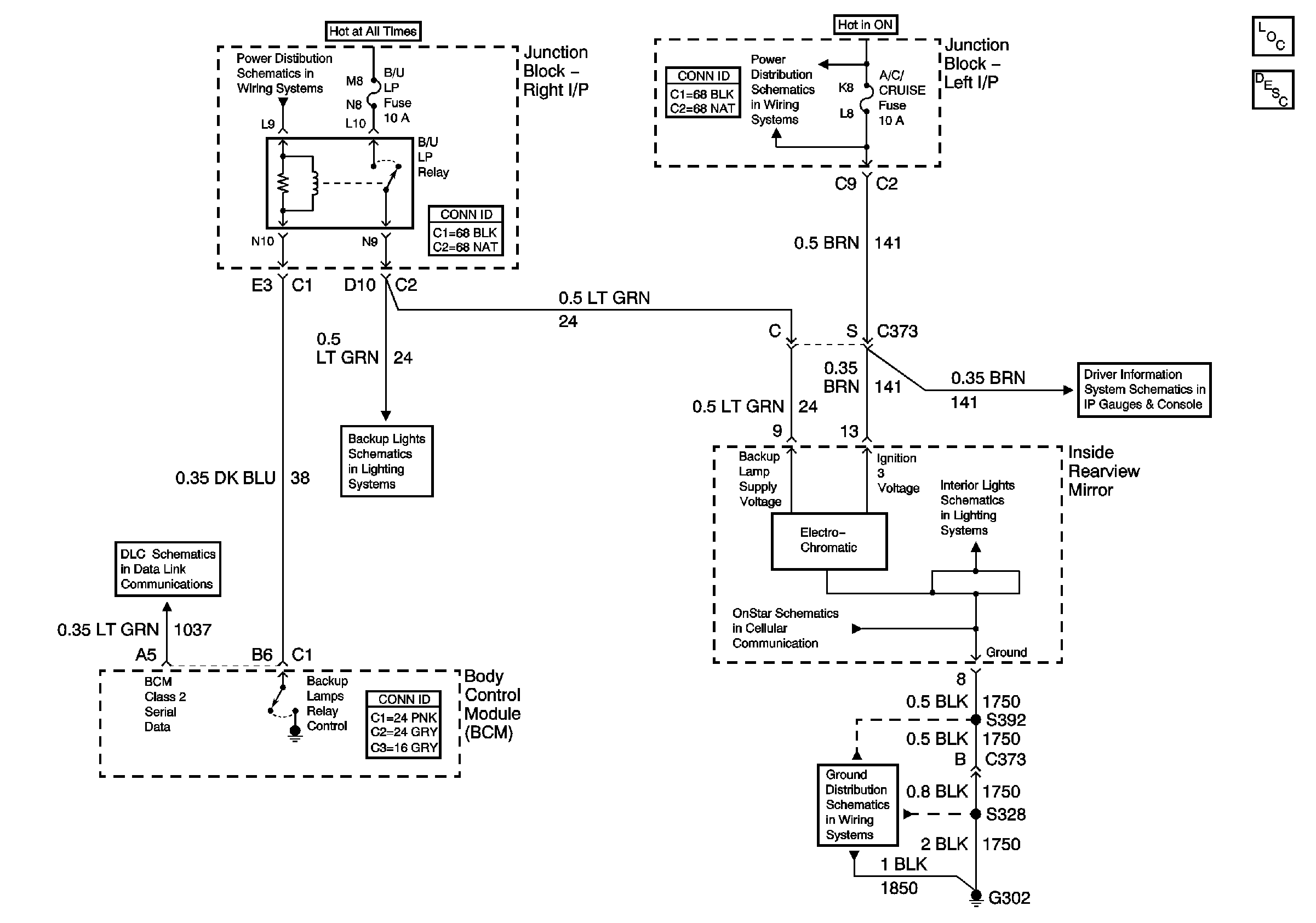
Automatic Day-Night Mirror Description and Operation
DIC/RKE, IP BRP, and TRK/ROOF BRP Fuses, BACKUP LP and BATT RUNDOWN PROTECTION Relays
A/C/CRUISE, A/C FAN, CRUISE, PCM/BCM/CLSTR, and PCM (CRANK) Fuses
1/1
Roof Lighting
Audio Communication and Inside Rearview Mirror
Backup Lamps
G302 (1 of 2)
DLC Schematics