GM Service Manual Online
For 1990-2009 cars only
Makes
🢒
Chevrolet
🢒
2002
🢒
Impala
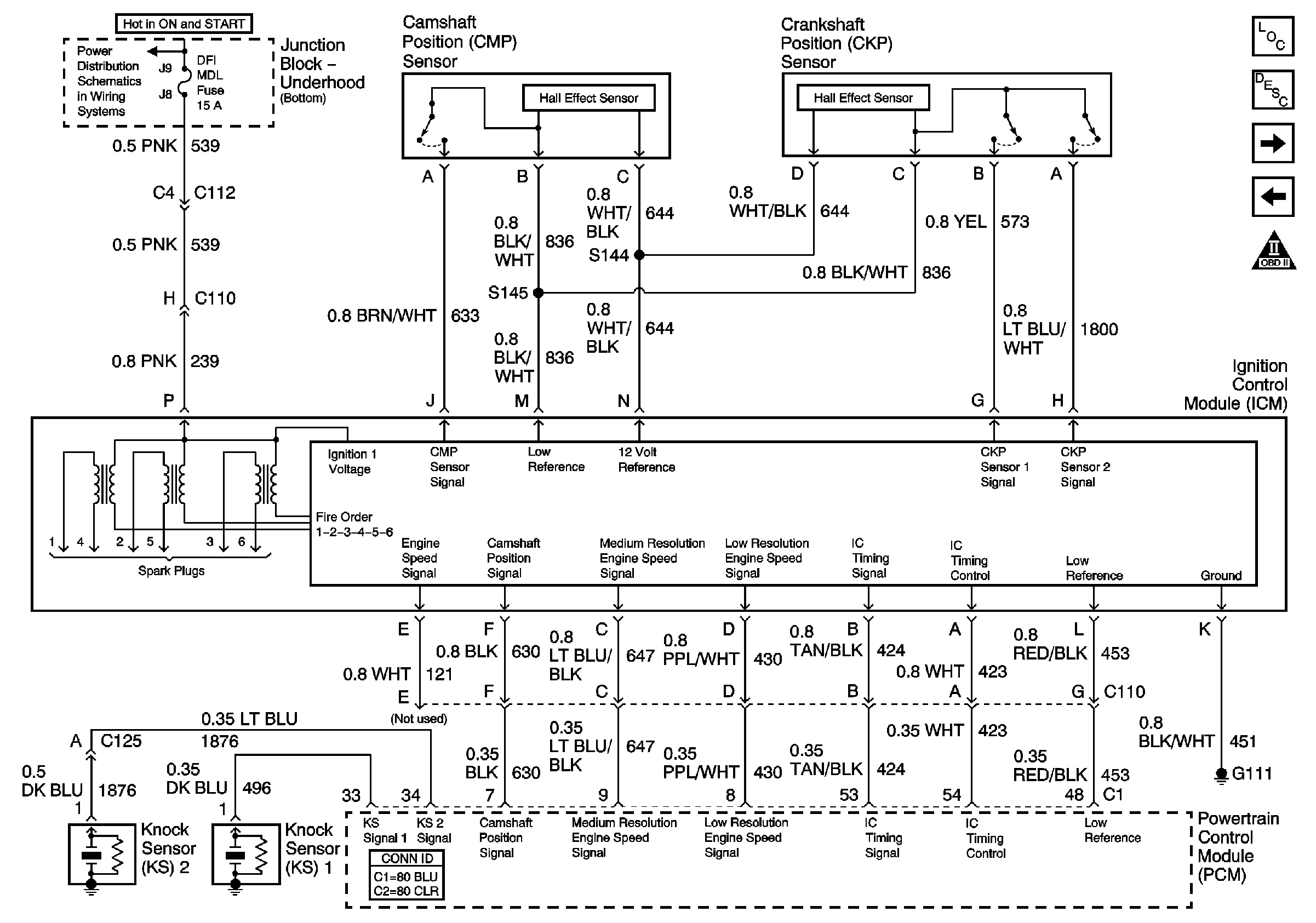
🢒 Ignition Control
Ignition Control
Ignition Control
Master Electrical Component List
Electronic Ignition (EI) System Description
Fuel Pump
HO2S
Engine Controls Schematic Icons
Junction Block - Underhood (Bottom) Bussing