GM Service Manual Online
For 1990-2009 cars only
Makes
🢒
Chevrolet
🢒
2002
🢒
Impala
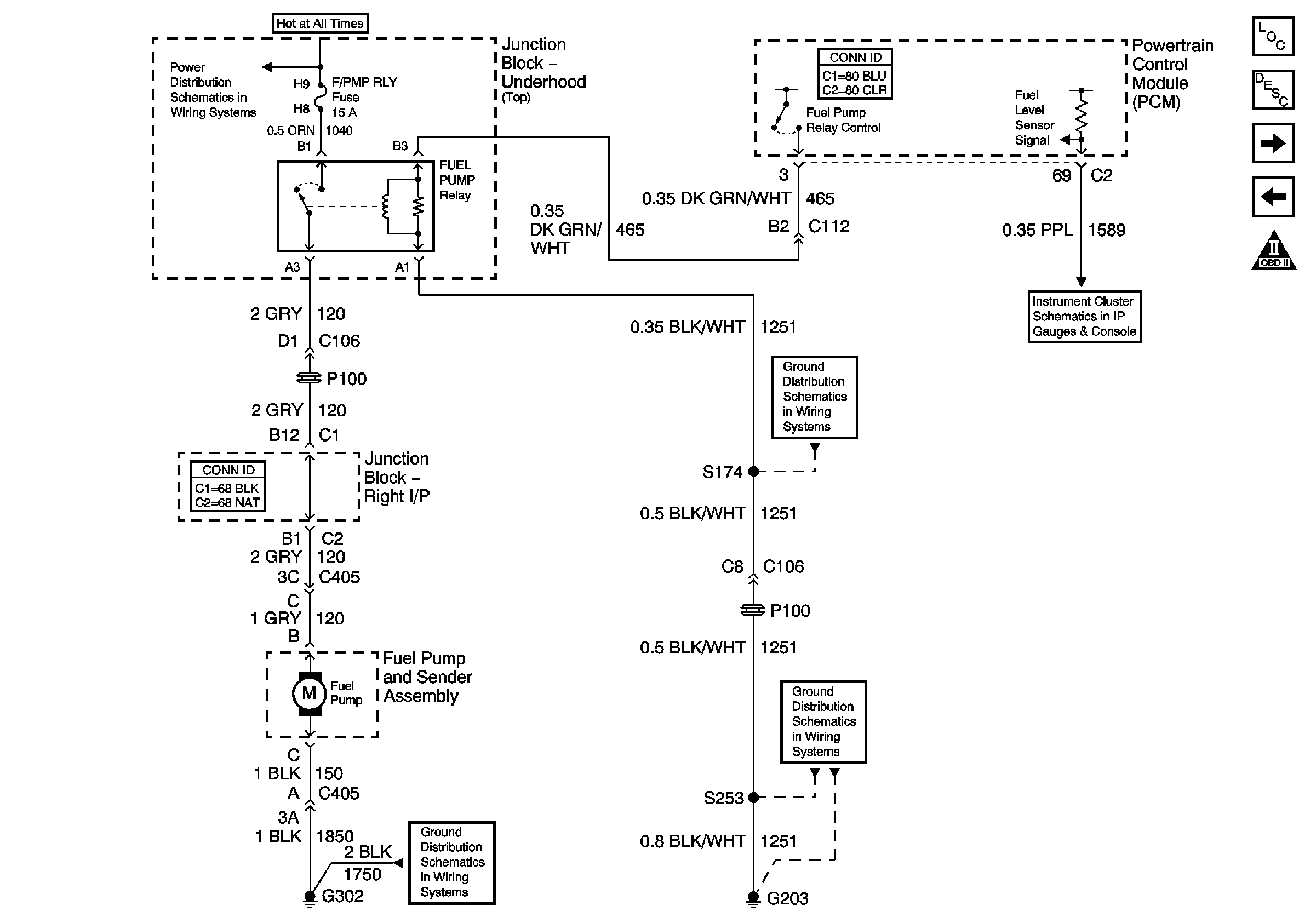
🢒 Fuel Pump
Fuel Pump
Fuel Pump
Master Electrical Component List
Fuel System Description
Fuel Injectors
Ignition Control
Engine Controls Schematic Icons
Junction Block-Underhood (Top) Bussing
G203 (3 of 3)
Gages, Illumination, and Indicators
G302 (1 of 2)
G203 (1 of 3)