GM Service Manual Online
For 1990-2009 cars only
Makes
🢒
Chevrolet
🢒
2002
🢒
Impala
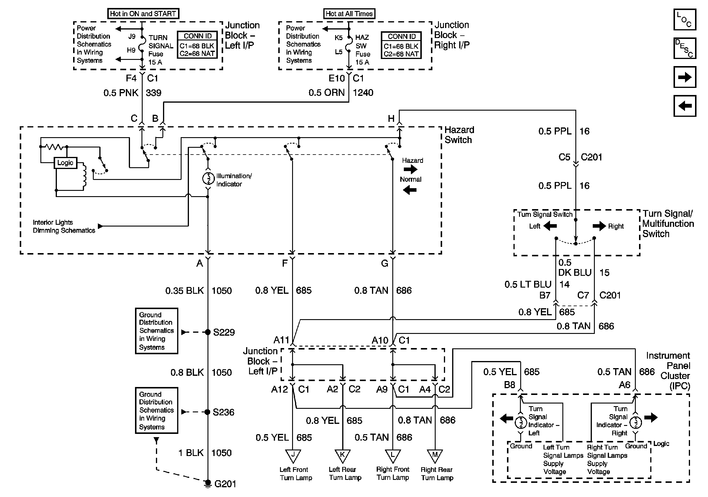
🢒 Turn/Hazard Lamps Control (Monte Carlo)
Turn/Hazard Lamps Control (Monte Carlo)
Turn/Hazard Lamps Control (Monte Carlo)
Master Electrical Component List
Exterior Lighting Systems Description and Operation
Turn Lamps (Monte Carlo)
Stop Lamps (Monte Carlo)
ABS/PCM, SRS, STOP, and TURN SIGNAL Fuses
AUX PWR, BRK SW, C/LTR, DRL/EXT LTS, HAZ SW, HVAC BLO, RT I/P#2. Spot Lamp-Left, and Spot Lamp-Right Fuses, DRL RLY Relay Fuses
G201 (2 of 2)
G201 (1 of 2)
Turn Lamps (Monte Carlo)
I/P