GM Service Manual Online
For 1990-2009 cars only
Makes
🢒
Chevrolet
🢒
2002
🢒
Impala
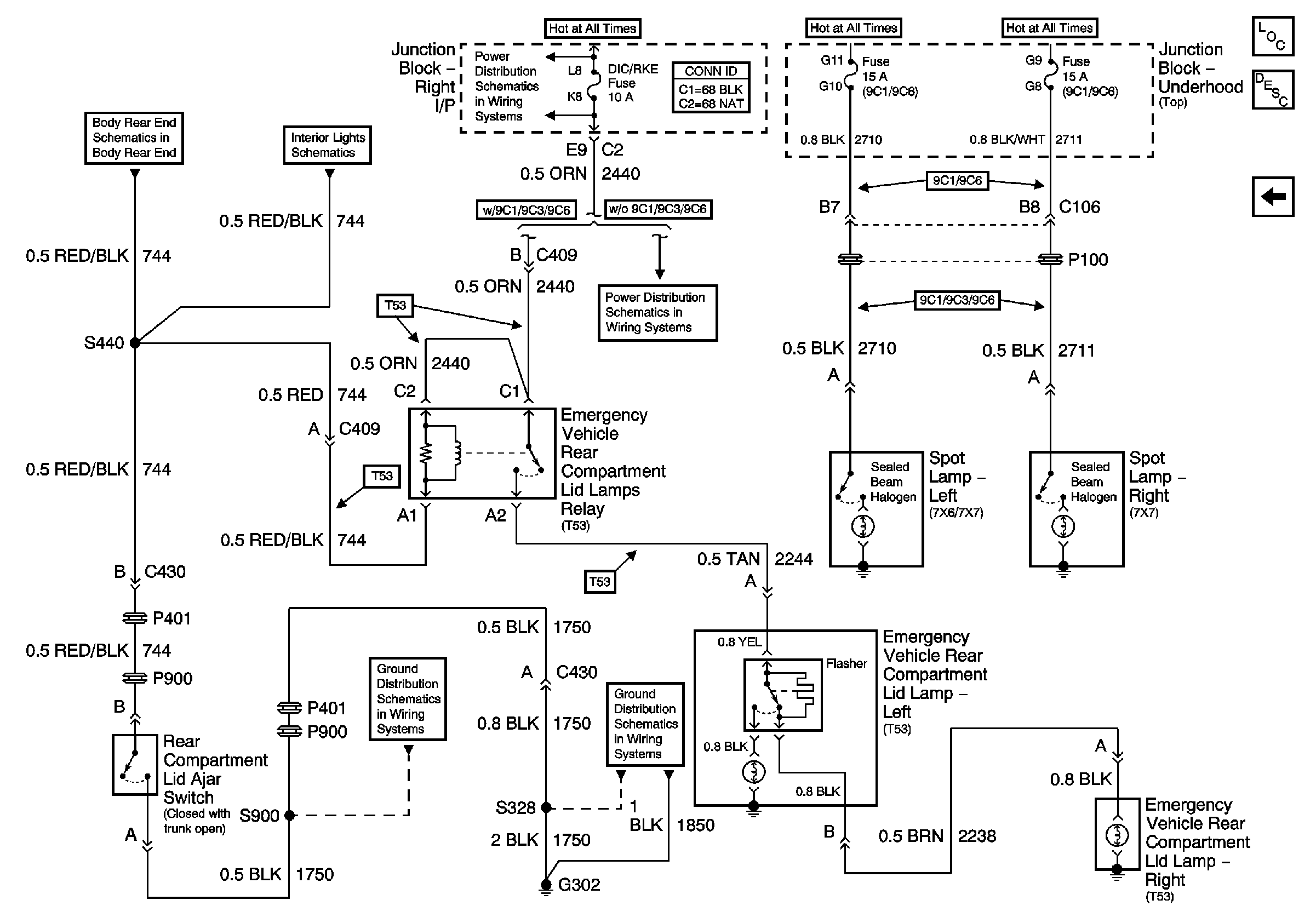
🢒 Emergency Vehicle Rear Compartment Lid Lamps, and Spot Lamps
Emergency Vehicle Rear Compartment Lid Lamps, and Spot Lamps
Emergency Vehicle Rear Compartment Lid Lamps, and Spot Lamps
Master Electrical Component List
Exterior Lighting Systems Description and Operation
Backup Lamps (9C1/9C3/9C6)
B/U LP, DIC/RKE, PWR DROP, and RH HTD ST Fuses, PWR SEATS Circuit Breaker
B/U LP, DIC/RKE, PWR DROP, and RH HTD ST Fuses, PWR SEATS Circuit Breaker
Decklid Release (9C1/9C3/9C6)
Rear Compartment
G302 (2 of 2) and G309
G302 (1 of 2)