GM Service Manual Online
For 1990-2009 cars only
Makes
🢒
Chevrolet
🢒
2002
🢒
Impala
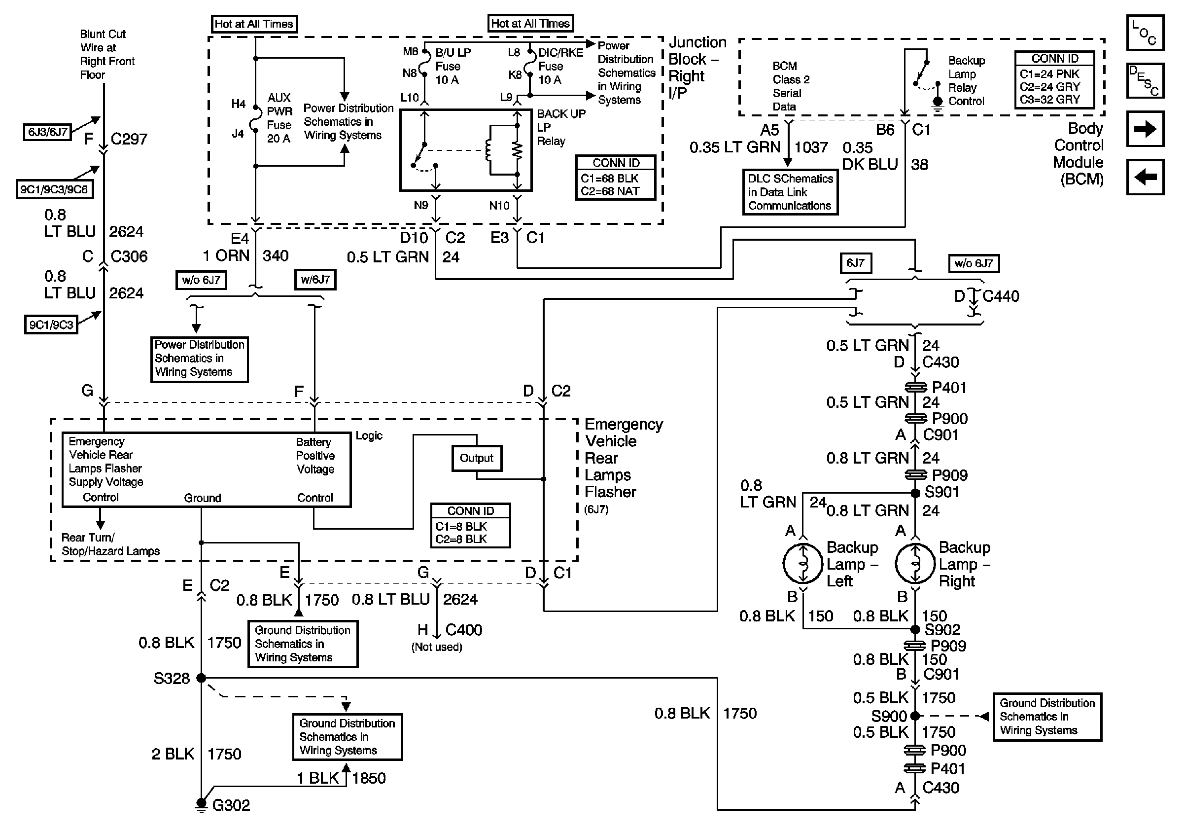
🢒 Backup Lamps (9C1/9C3/9C6)
Backup Lamps (9C1/9C3/9C6)
Backup Lamps (9C1/9C3/9C6)
Master Electrical Component List
Exterior Lighting Systems Description and Operation
Emergency Vehicle Rear Compartment Lid Lamps, and Spot Lamps
Backup Lamps (w/o 9C1/9C3/9C6)
AUX PWR, BRK SW, C/LTR, DRL/EXT LTS, HAZ SW, HVAC BLO, RT I/P#2. Spot Lamp-Left, and Spot Lamp-Right Fuses, DRL RLY Relay Fuses
B/U LP, DIC/RKE, PWR DROP, and RH HTD ST Fuses, PWR SEATS Circuit Breaker
DLC Schematics
AUX PWR, BRK SW, C/LTR, DRL/EXT LTS, HAZ SW, HVAC BLO, RT I/P#2. Spot Lamp-Left, and Spot Lamp-Right Fuses, DRL RLY Relay Fuses
G302 (2 of 2) and G309
G302 (1 of 2)
G302 (2 of 2) and G309
Rear Turn/Stop/Hazard Lamps (Impala w/o 6J7)