GM Service Manual Online
For 1990-2009 cars only
Makes
🢒
Chevrolet
🢒
2002
🢒
Impala
🢒 Impala Front Doors
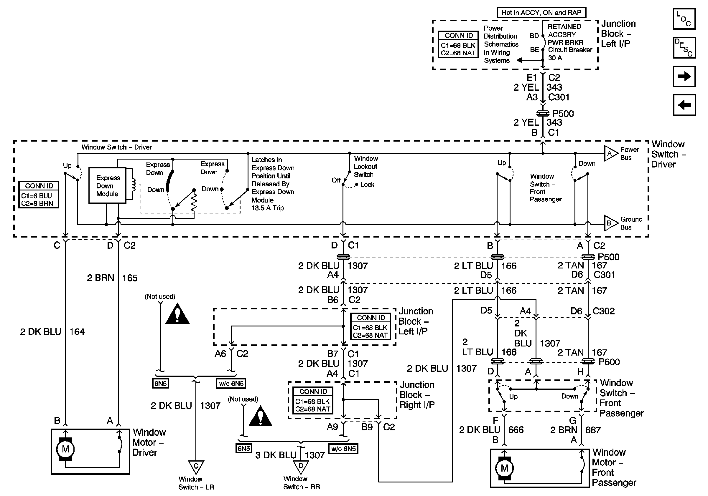
Impala Front Doors
Impala Front Doors
Master Electrical Component List
Power Windows Description and Operation
Impala Rear Doors
Monte Carlo
CLSTR/BCM, DR LK, LEFT IP, LT HTD ST/BCM, and PWR MIR Fuses, RETAINED ACCSRY PWR BRKR Circuit Breaker, HEADLAMP, and RETAINED ACCSRY PWR Relays
Impala Rear Doors
Impala Rear Doors
Impala Rear Doors
Impala Rear Doors
Power Door Systems Schematic Icons
Power Door Systems Schematic Icons