GM Service Manual Online
For 1990-2009 cars only
Makes
🢒
Chevrolet
🢒
2002
🢒
Impala
🢒 Impala Rear Doors
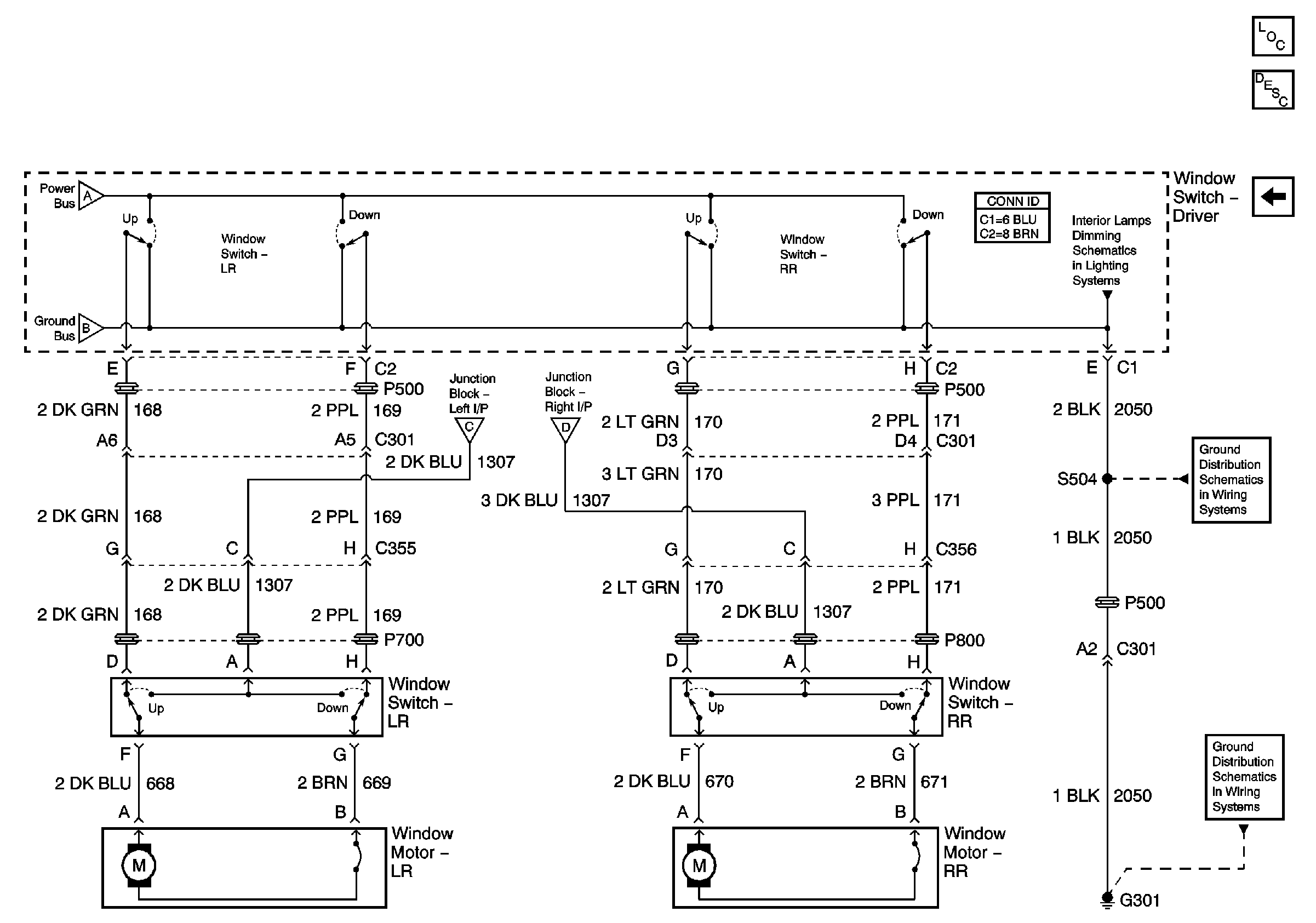
Impala Rear Doors
Impala Rear Doors
Master Electrical Component List
Power Windows Description and Operation
Impala Front Doors
Impala Front Doors
Impala Front Doors
Impala Front Doors
Impala Front Doors
Console, and Driver Door
G301 (2 of 2)
G301 (1 of 2)