GM Service Manual Online
For 1990-2009 cars only
Makes
🢒
Chevrolet
🢒
2002
🢒
Impala
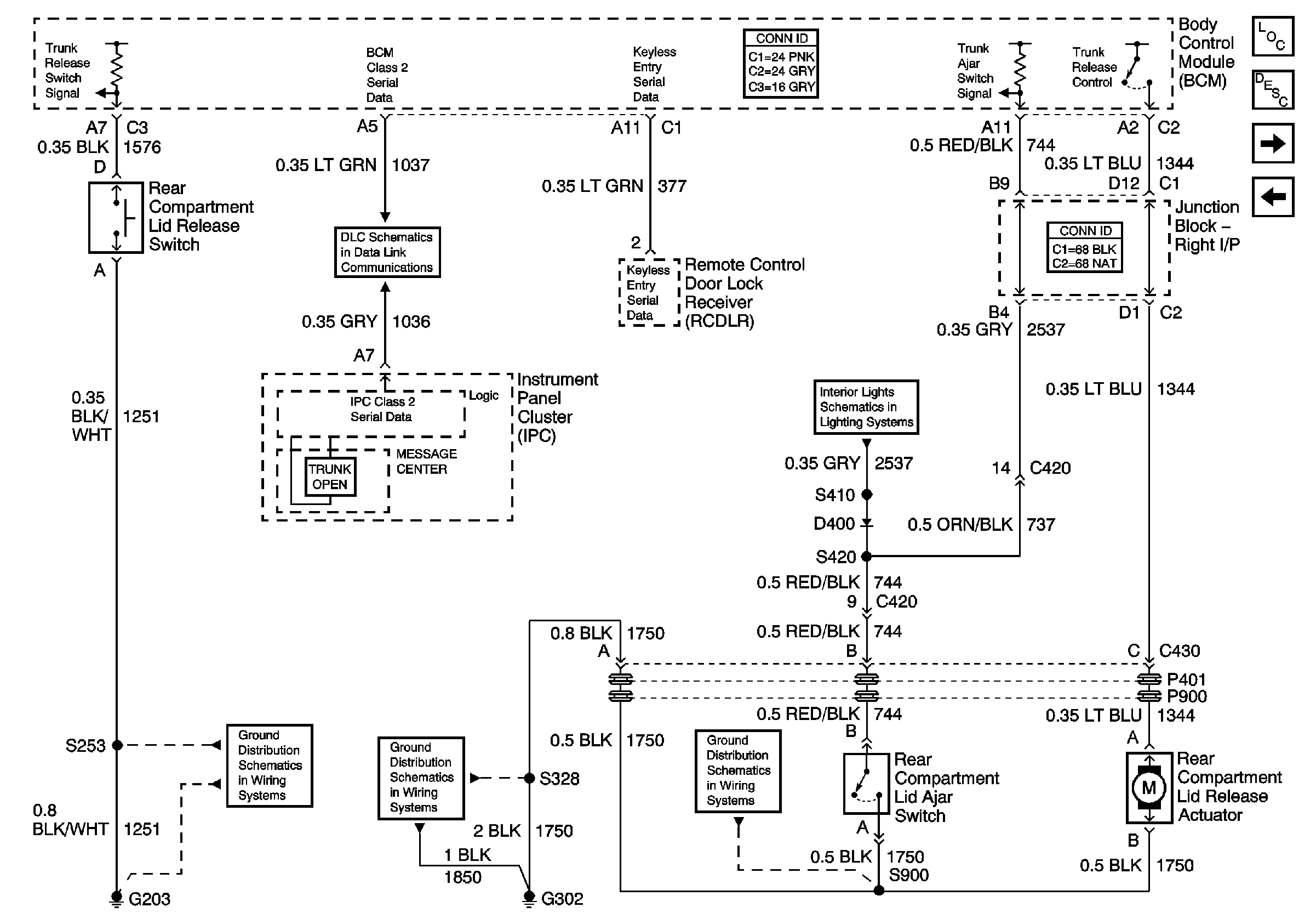
🢒 Decklid Release (w/o Entrapment Protection)
Decklid Release (w/o Entrapment Protection)
Decklid Release (w/o Entrapment Protection)
Master Electrical Component List
Luggage Compartment Description and Operation
Decklid Release (9C1/9C3/9C6)
Decklid Release (w/Entrapment Protection)
Rear Compartment
DLC Schematics
G302 (2 of 2) and G309
G302 (1 of 2)
G203 (1 of 3)