GM Service Manual Online
For 1990-2009 cars only
Makes
🢒
Chevrolet
🢒
2002
🢒
Impala
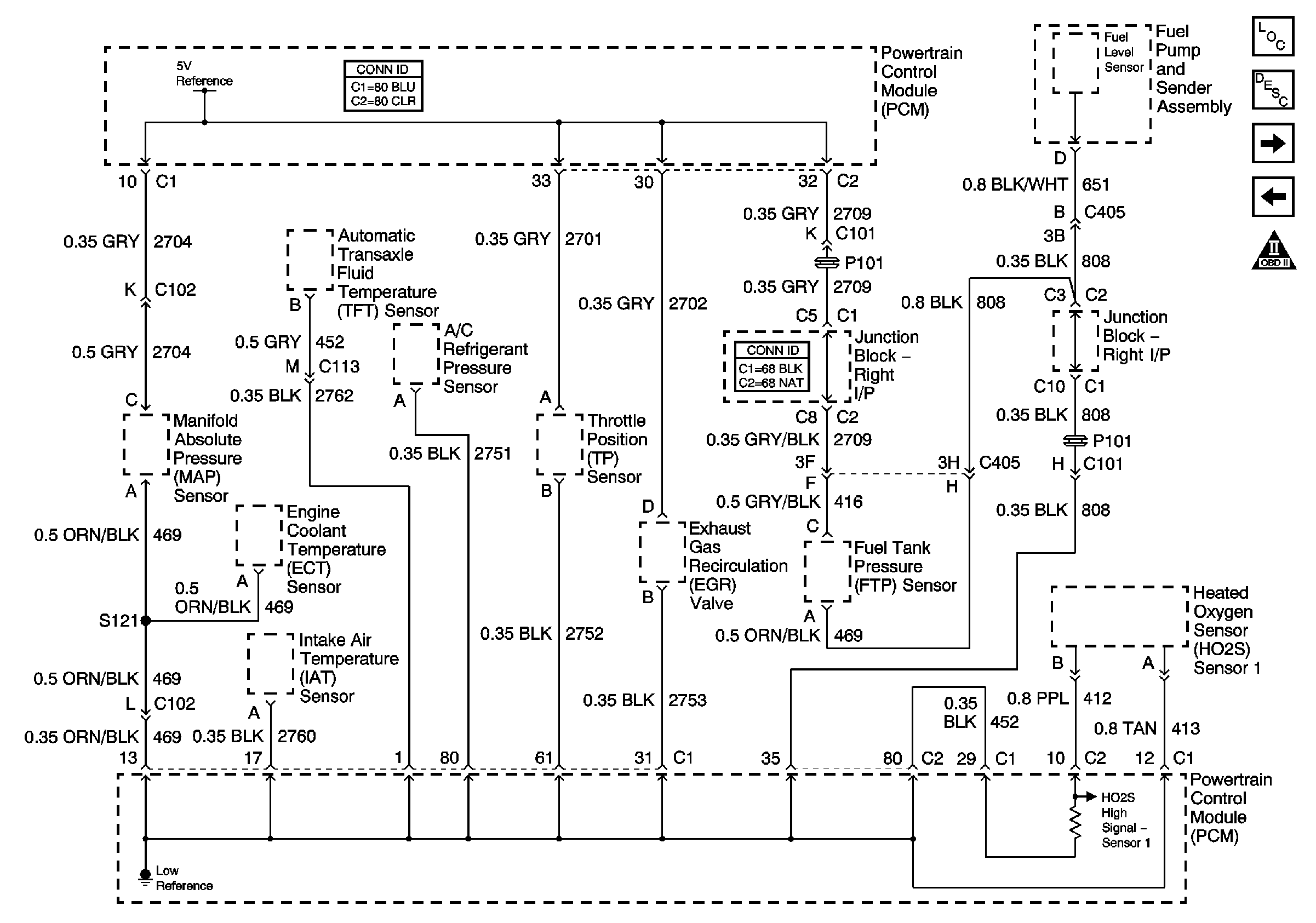
🢒 5 Volt and Low Reference Bussing
5 Volt and Low Reference Bussing
5 Volt and Low Reference Bussing
Master Electrical Component List
Powertrain Control Module Description
ECT, IAT, MAP, and TP Sensors
Data Link, Grounds, MIL, and Power
Engine Controls Schematic Icons