GM Service Manual Online
For 1990-2009 cars only
Makes
🢒
Chevrolet
🢒
2002
🢒
Impala
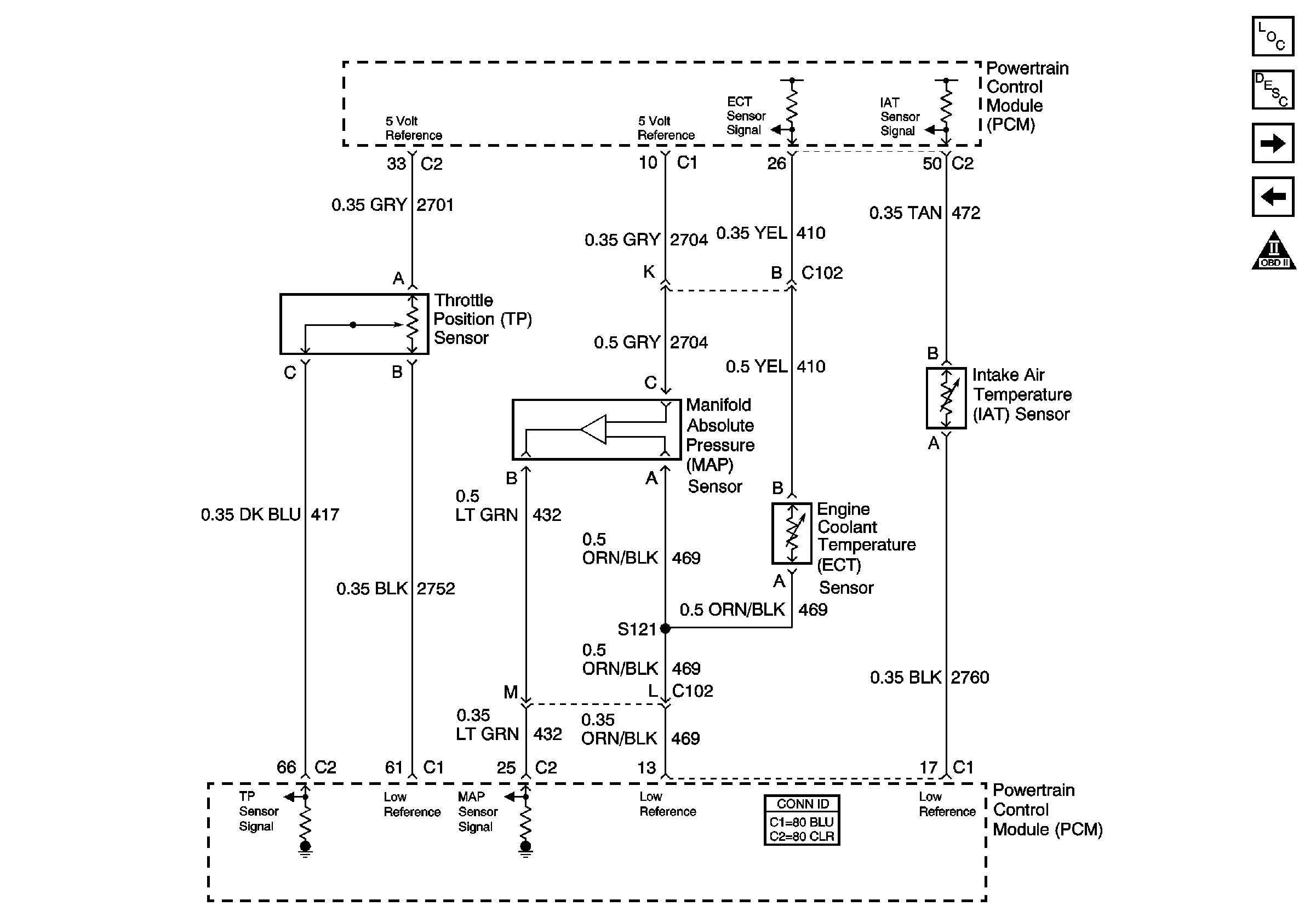
🢒 ECT, IAT, MAP, and TP Sensors
ECT, IAT, MAP, and TP Sensors
ECT, IAT, MAP, and TP Sensors
Master Electrical Component List
Air Intake System Description
MAF and VSS
5 Volt and Low Reference Bussing
Engine Controls Schematic Icons