GM Service Manual Online
For 1990-2009 cars only
Makes
🢒
Chevrolet
🢒
2002
🢒
Impala
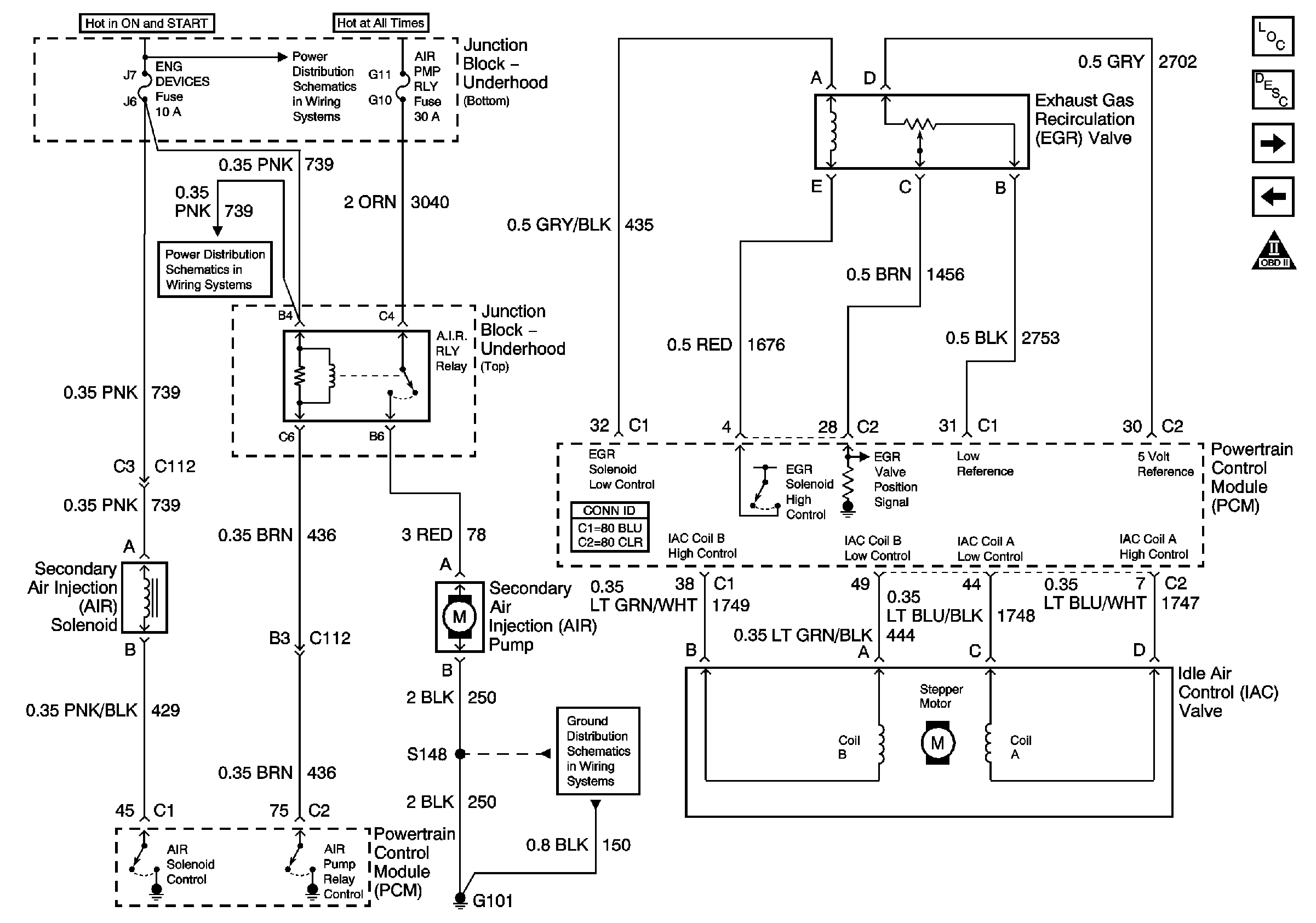
🢒 AIR, EGR, and IAC
AIR, EGR, and IAC
AIR, EGR, and IAC
Master Electrical Component List
Secondary Air Injection System Description
Subsystem References
EVAP and FTP
Engine Controls Schematic Icons
Junction Block - Underhood (Bottom) Bussing
DFI MDL, ENG DEVICES, and OXY SEN Fuses
G101