GM Service Manual Online
For 1990-2009 cars only
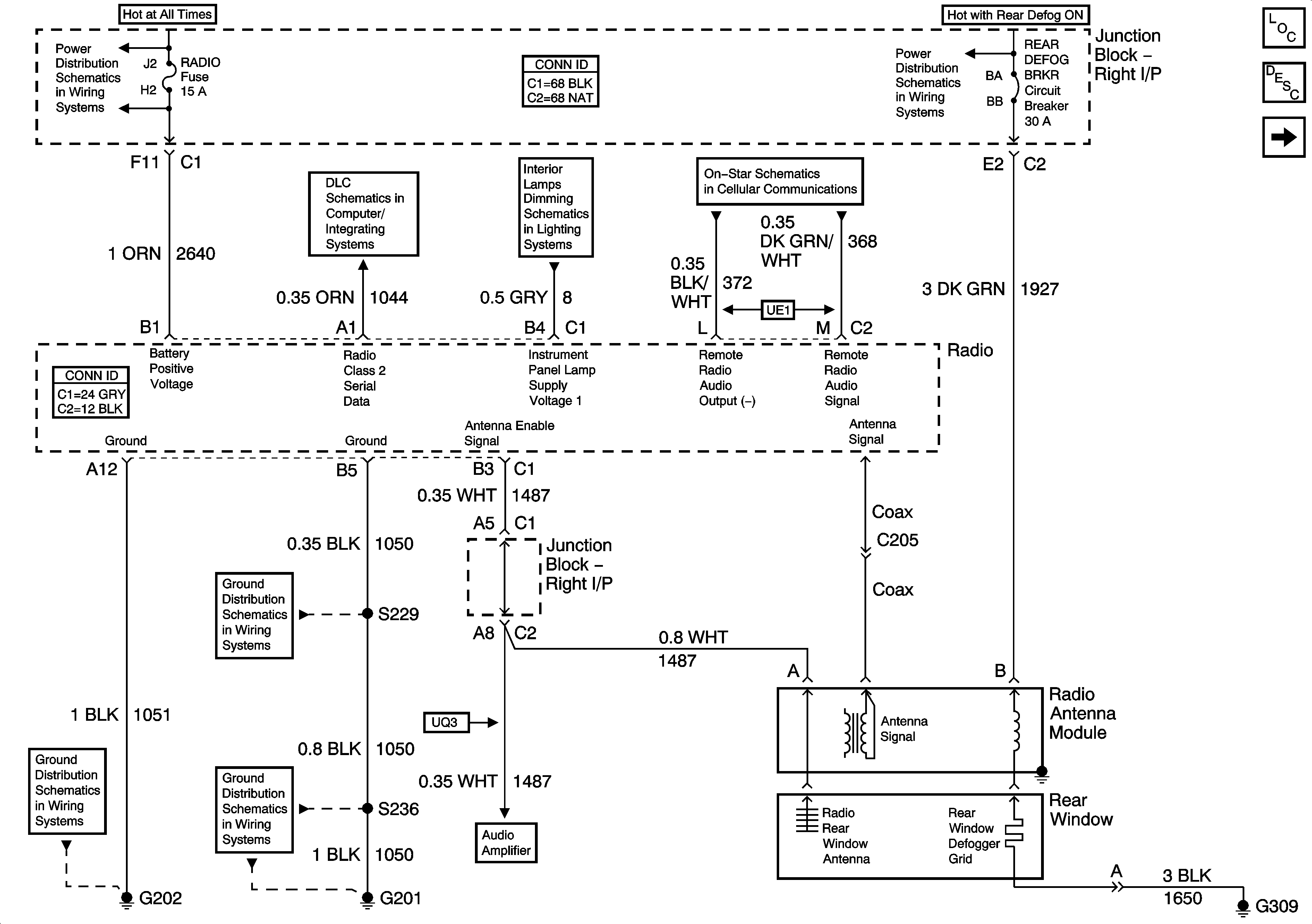
Figure 1:

Antenna, Grounds, Power, DLC, and References to Lighting and OnStar


Object Number: 1551838  Size: FS
Master Electrical Component List
Radio/Audio System Description and Operation
Audio Amplifier
HTD MIR, RADIO, and RT IP #3 Fuses, REAR DEFOG BRKR Circuit, and REAR DEFOG Relay
DLC
I/P
Audio Communication and Inside Rearview Mirror
HTD MIR, RADIO, and RT IP #3 Fuses, REAR DEFOG BRKR Circuit, and REAR DEFOG Relay
G202
G201 - 2 of 2
G201 - 1 of 2
Audio Amplifier
Figure 2:

Audio Amplifier


Object Number: 1225270  Size: FS
Master Electrical Component List
Radio/Audio System Description and Operation
Digital Radio Receiver (U2K)
Antenna, Grounds, Power, DLC, and References to Lighting and Onstar
HTD MIR, RADIO, and RT IP #3 Fuses, REAR DEFOG BRKR Circuit, and REAR DEFOG Relay
HTD MIR, RADIO, and RT IP #3 Fuses, REAR DEFOG BRKR Circuit, and REAR DEFOG Relay
Entertainment Schematic Icons
Entertainment Schematic Icons
Entertainment Schematic Icons
Entertainment Schematic Icons
Antenna, Grounds, Power, DLC, and References to Lighting and Onstar
G202
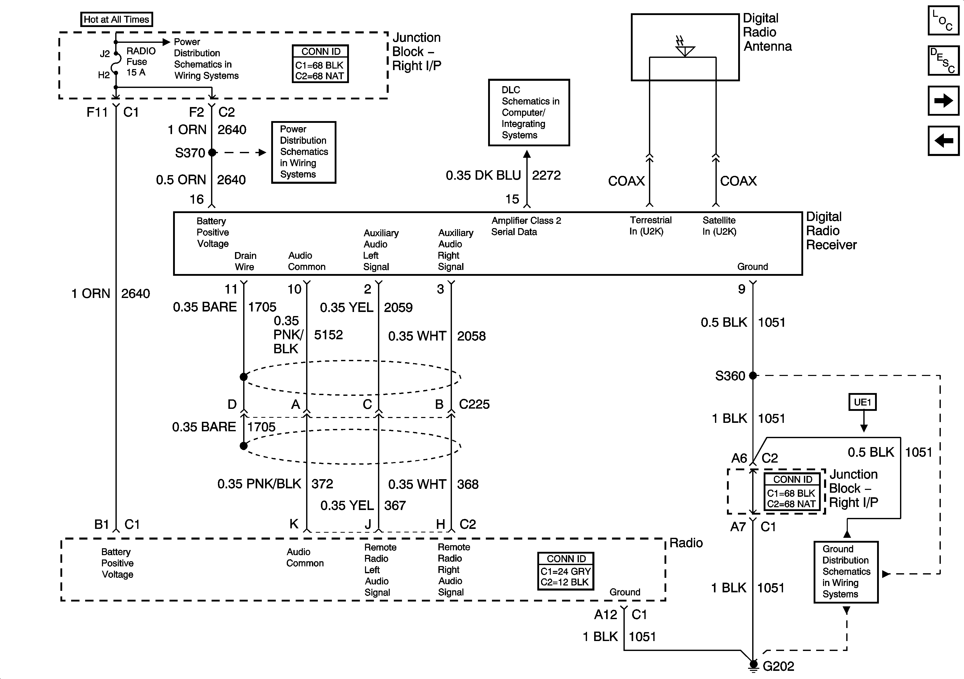
Figure 3:

Digital Radio Receiver (U2K)


Object Number: 1551931  Size: FS
Master Electrical Component List
Radio/Audio System Description and Operation
Speakers (U62/Uw6)
Audio Amplifier
HTD MIR, RADIO, and RT IP #3 Fuses, REAR DEFOG BRKR Circuit, and REAR DEFOG Relay
HTD MIR, RADIO, and RT IP #3 Fuses, REAR DEFOG BRKR Circuit, and REAR DEFOG Relay
DLC
G202
Figure 4:

Speakers (U62/UW6)


Object Number: 775313  Size: FS
Master Electrical Component List
Radio/Audio System Description and Operation
Speakers (UQ3)
Digital Radio Receiver (U2K)
Entertainment Schematic Icons
Entertainment Schematic Icons
Entertainment Schematic Icons
Entertainment Schematic Icons
Entertainment Schematic Icons
Entertainment Schematic Icons
Entertainment Schematic Icons
Entertainment Schematic Icons
Entertainment Schematic Icons
Figure 5:

Speakers (UQ3)


Object Number: 899378  Size: FS
Master Electrical Component List
Radio/Audio System Description and Operation
Speakers (WX7)
Speakers (U62/Uw6)
Entertainment Schematic Icons
Entertainment Schematic Icons
Figure 6:

Speakers (WX7)


Object Number: 696987  Size: FS
Master Electrical Component List
Radio/Audio System Description and Operation
Speakers (UQ3)
Entertainment Schematic Icons
Entertainment Schematic Icons
Entertainment Schematic Icons
Entertainment Schematic Icons
Entertainment Schematic Icons
Entertainment Schematic Icons
Entertainment Schematic Icons
Entertainment Schematic Icons
Entertainment Schematic Icons
Entertainment Schematic Icons