GM Service Manual Online
For 1990-2009 cars only
Makes
🢒
Chevrolet
🢒
2005
🢒
Impala
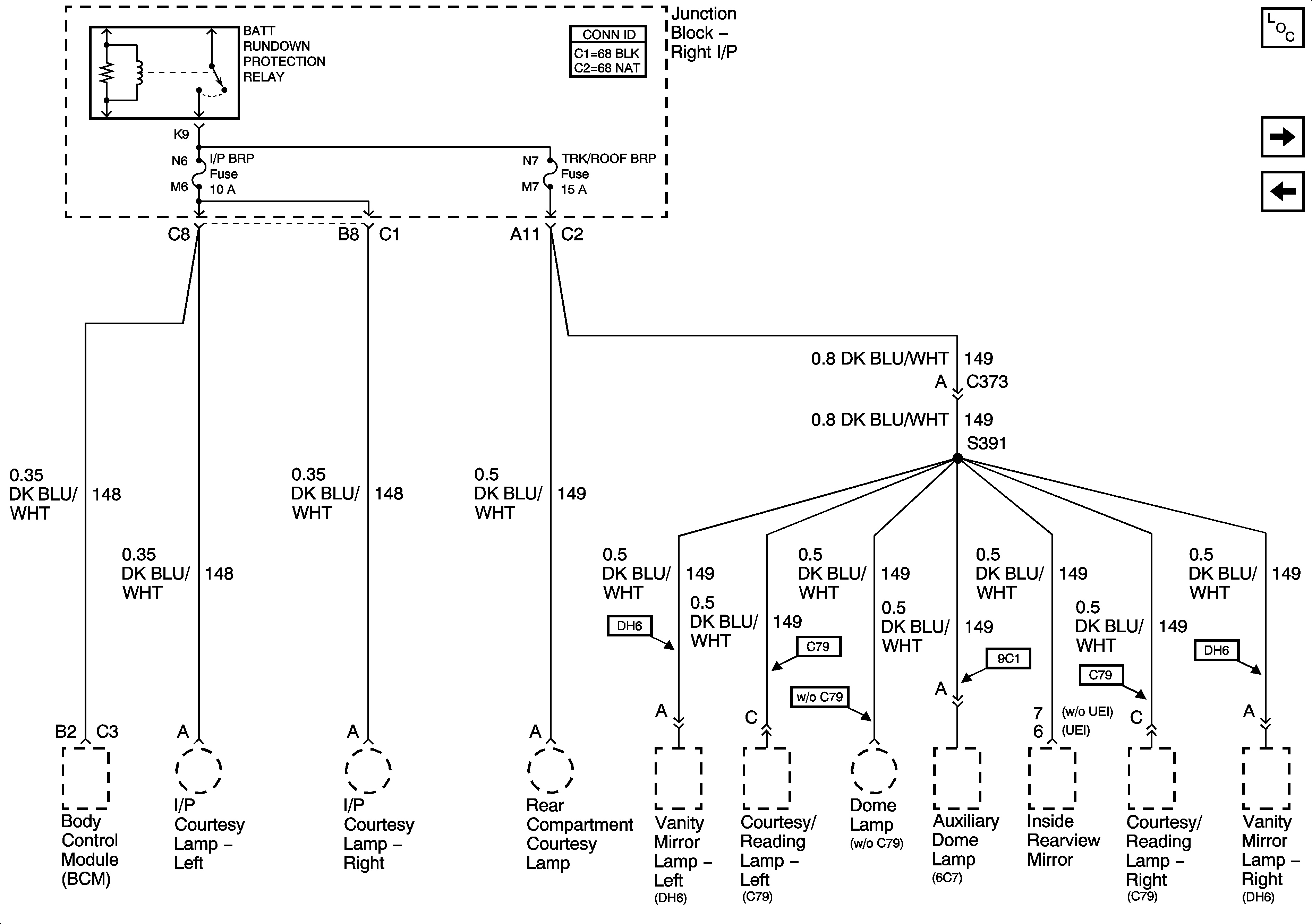
🢒 BATT RUNDOWN PROTECTION RELAY, I/P BRP, and TRK/ROOF BRP Fuses
BATT RUNDOWN PROTECTION RELAY, I/P BRP, and TRK/ROOF BRP Fuses
BATT RUNDOWN PROTECTION RELAY, IP BRP, and TRK/ROOF BRP Fuses
Master Electrical Component List
FRT PARK LP and REAR PK LP Fuses
B/U LP, DIC/RKE, PWR DROP and RT HTD ST Fuses, PWR SEATS BRKR Circuit Breaker