GM Service Manual Online
For 1990-2009 cars only
Makes
🢒
Chevrolet
🢒
2005
🢒
Impala
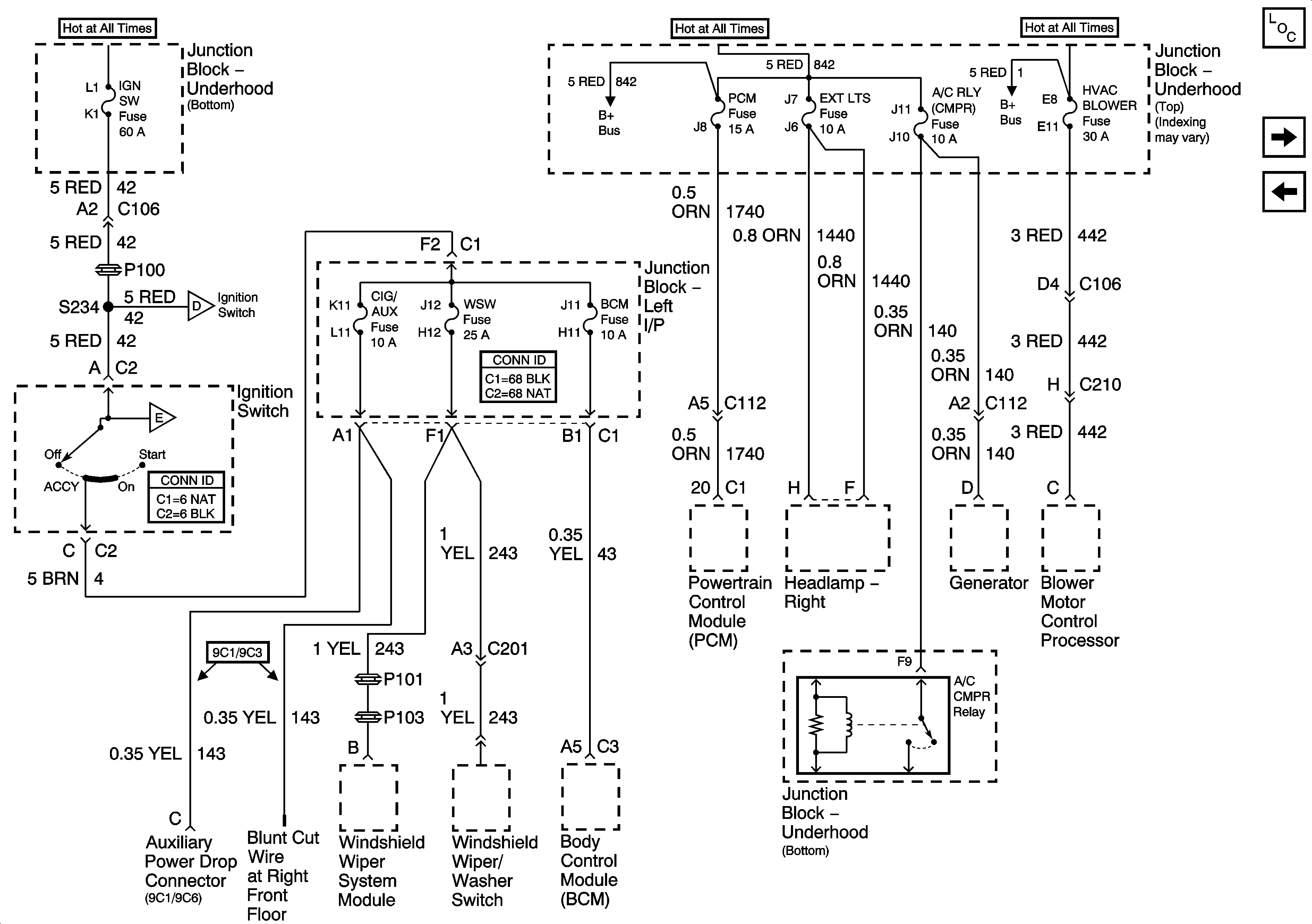
🢒 A/C RLY (CMPR), BCM, CIG/AUS, EXT LTS, IGN SW, PCM, HVAC BLOWER, and WSW Fuses
A/C RLY (CMPR), BCM, CIG/AUS, EXT LTS, IGN SW, PCM, HVAC BLOWER, and WSW Fuses
A/C RLY (CMPR), BCM, CIG/AUX, EXT LTS, IGN SW, PCM, HVAC BLOWER, and WSW Fuses
Master Electrical Component List
A/C/CRUISE, CRUISE, PCM/BCM/CLSTR, and PCM (CRANK) Fuses
AUX PWR, BRK SW, C/LTR, DRL/EXT LTS, HAZ SW, RT I/P #2, SPOTLAMP-L, and SPOTLAMP-R Fuses, DRL RLY Relay
Junction Block - Underhood (Top) Bussing
Junction Block - Underhood (Top) Bussing
A/C/CRUISE, CRUISE, PCM/BCM/CLSTR, and PCM (CRANK) Fuses
ABS/PCM, SRS, STOP, and TURN SIGNAL Fuses