GM Service Manual Online
For 1990-2009 cars only
Makes
🢒
Chevrolet
🢒
2005
🢒
Impala
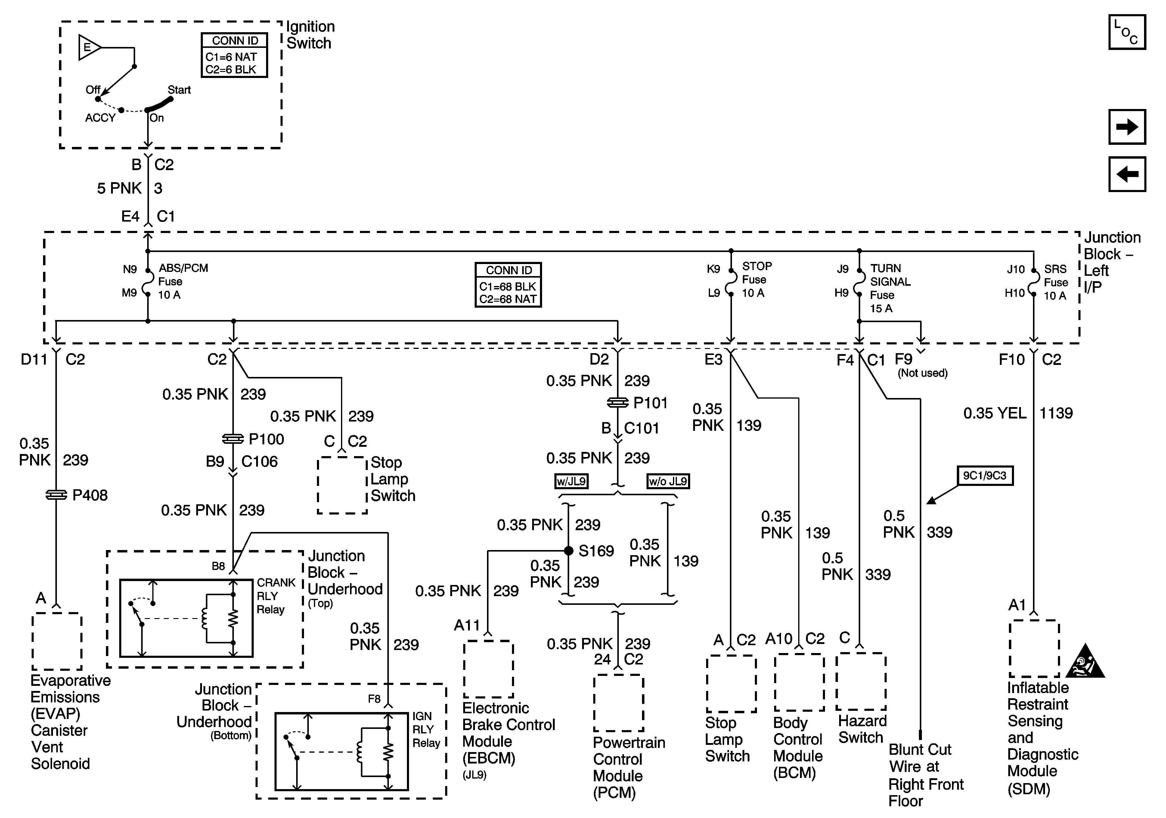
🢒 ABS/PCM, SRS, STOP, and TURN SIGNAL Fuses
ABS/PCM, SRS, STOP, and TURN SIGNAL Fuses
ABS/PCM, SRS, STOP, and TURN SIGNAL Fuses
Master Electrical Component List
HTD MIR, RADIO, and RT IP #3 Fuses, REAR DEFOG BRKR Circuit, and REAR DEFOG Relay
A/C/CRUISE, CRUISE, PCM/BCM/CLSTR, and PCM (CRANK) Fuses
A/C RLY (CMPR), BCM, CIG/AUS, EXT LTS, IGN SW, PCM, HVAC BLOWER, and WSW Fuses
SIR Caution for Zoning