GM Service Manual Online
For 1990-2009 cars only
Makes
🢒
Chevrolet
🢒
2005
🢒
Impala
🢒 Indicators and Lamp Control
Indicators and Lamp Control
Indicators, and Lamp Control
Master Electrical Component List
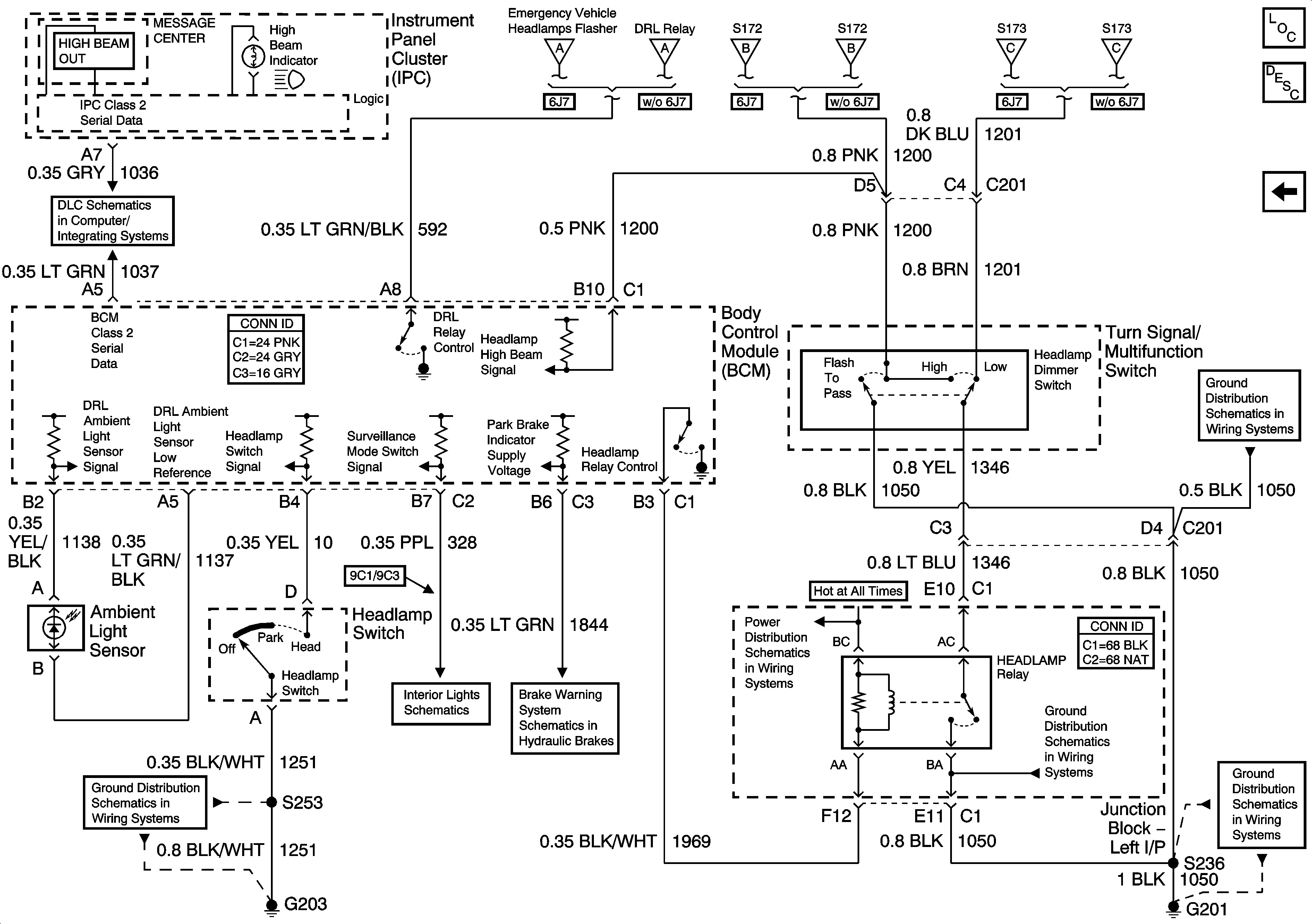
Exterior Lighting Systems Description and Operation
DRL Relay, Flasher, Headlamps, and Power (6J7)
DLC
DRL Relay, Flasher, Headlamps, and Power (6J7)
DRL Relay, Headlamps and Power (w/o 6J7)
DRL Relay, Flasher, Headlamps, and Power (6J7)
DRL Relay, Headlamps and Power (w/o 6J7)
DRL Relay, Flasher, Headlamps, and Power (6J7)
DRL Relay, Headlamps and Power (w/o 6J7)
G201 - 1 of 2
G203 - 1 of 3
Courtesy Lamps Control and I/P
Brake Warning System
CLSTR/BCM, DR LK, LEFT IP, LH HTD ST/BCM and PWR MIR Fuses, RETAINED ACCSRY PWR BRKR Circuit Breaker, and RETAINED ACCSRY PWR Relay
G201 - 1 of 2
G201 - 1 of 2