GM Service Manual Online
For 1990-2009 cars only
Makes
🢒
Chevrolet
🢒
2005
🢒
Impala
🢒 Stop Lamps Control and CHMSL (Impala)
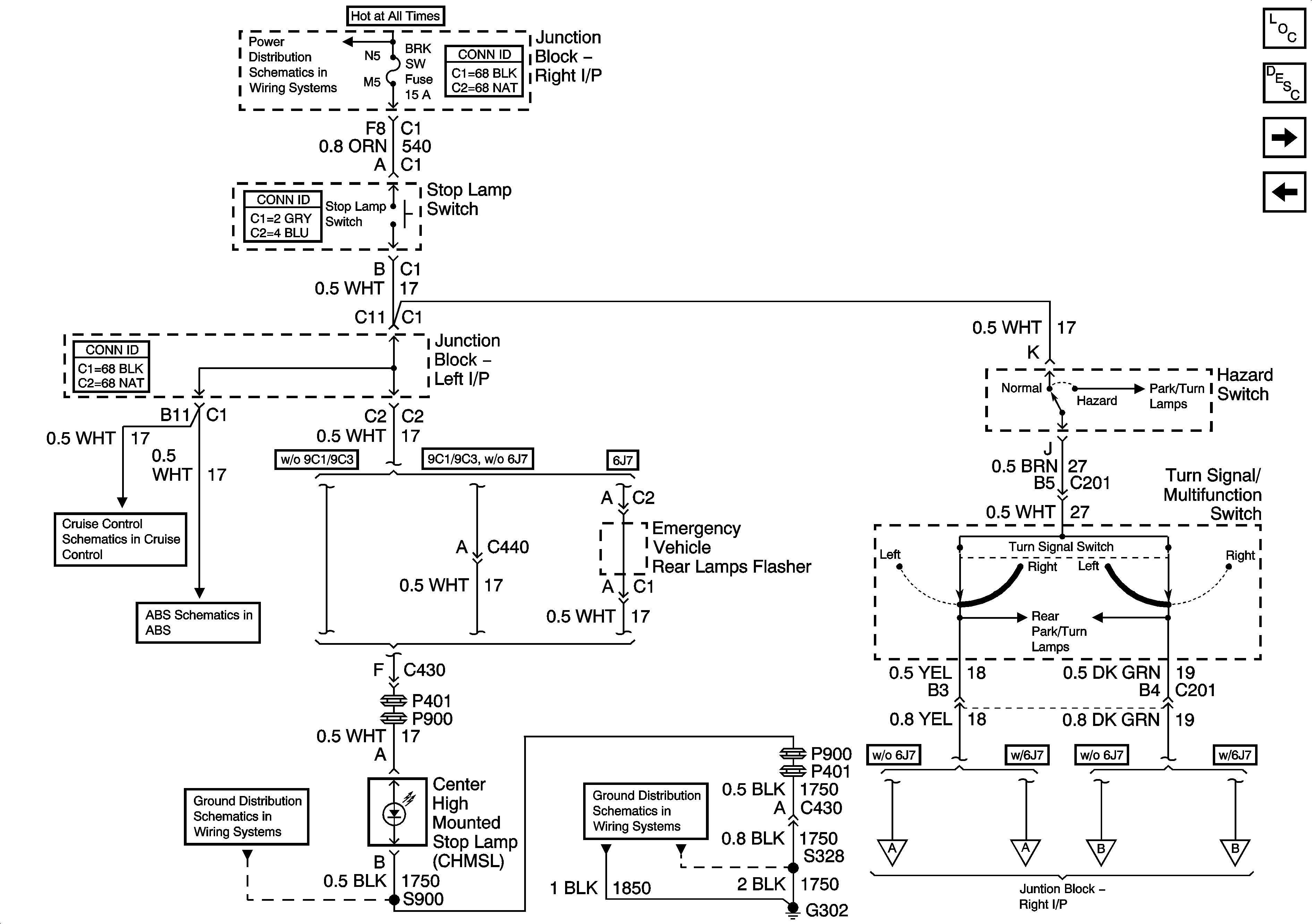
Stop Lamps Control and CHMSL (Impala)
Stop Lamps Control and CHMSL (Impala)
Master Electrical Component List
Exterior Lighting Systems Description and Operation
Turn/Hazard Lamps Control (Impala)
Park Lamps (Impala)
AUX PWR, BRK SW, C/LTR, DRL/EXT LTS, HAZ SW, RT I/P #2, SPOTLAMP-L, and SPOTLAMP-R Fuses, DRL RLY Relay
Turn/Hazard Lamps Control (Impala)
Impala
Stop Lamps and Torque Signals
Turn/Hazard Lamps Control (Impala)
G302 - 2 of 2 and G309
G302 - 1 of 2
Rear Turn/Stop/Hazard Lamps (Impala w/o 6J7)
Rear Turn/Stop/Hazard Lamps (Impala 6J7)
Rear Turn/Stop/Hazard Lamps (Impala w/o 6J7)
Rear Turn/Stop/Hazard Lamps (Impala 6J7)