GM Service Manual Online
For 1990-2009 cars only
Makes
🢒
Chevrolet
🢒
2005
🢒
Impala
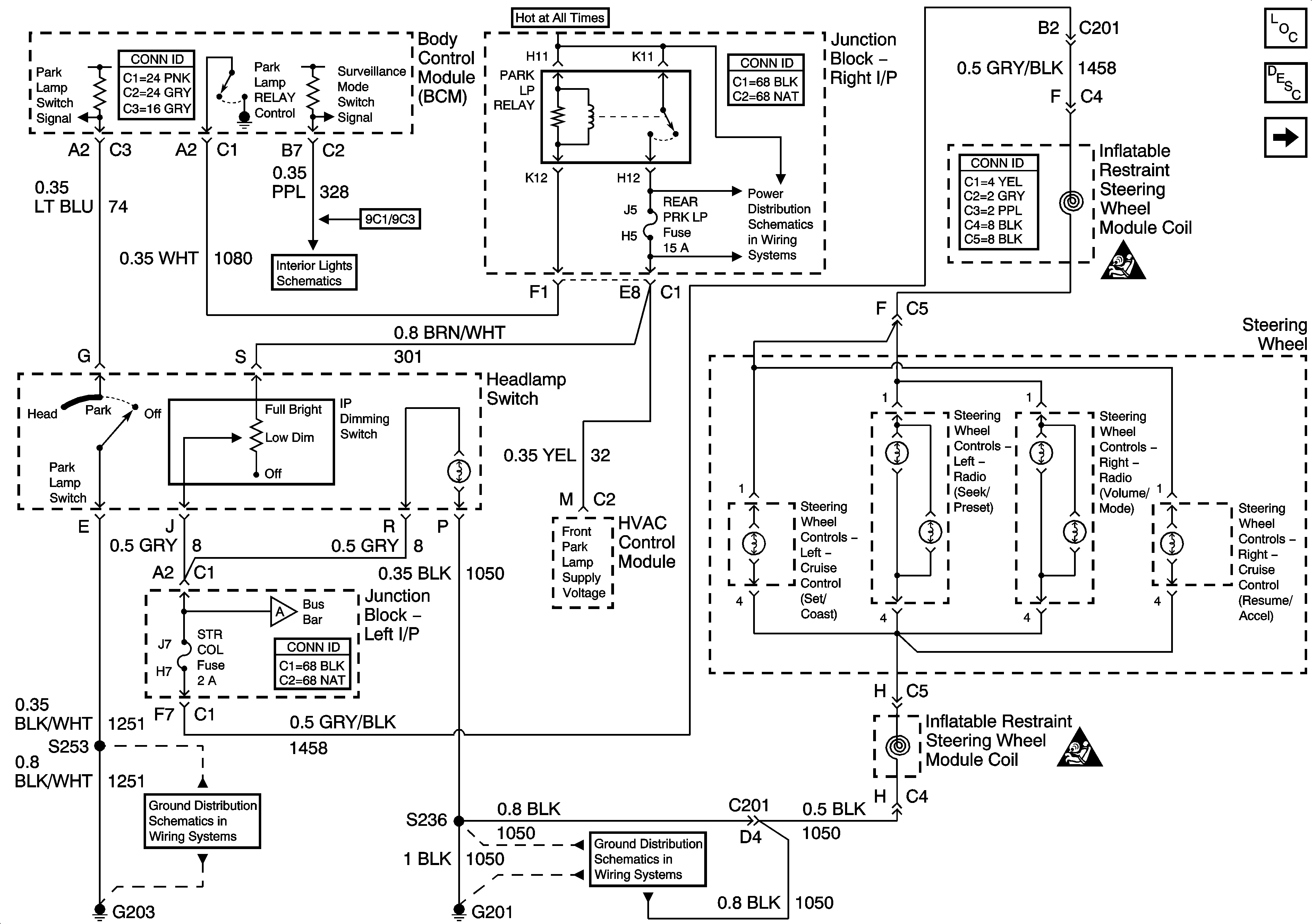
🢒 Dimming Control and Steering Wheel Controls
Dimming Control and Steering Wheel Controls
Dimming Control, and Steering Wheel Controls
Master Electrical Component List
Interior Lighting Systems Description and Operation
I/P
Courtesy Lamps Control and I/P
FRT PARK LP and REAR PK LP Fuses
SIR Caution for Zoning
G203 - 1 of 3
I/P
G201 - 1 of 2
SIR Caution for Zoning