GM Service Manual Online
For 1990-2009 cars only
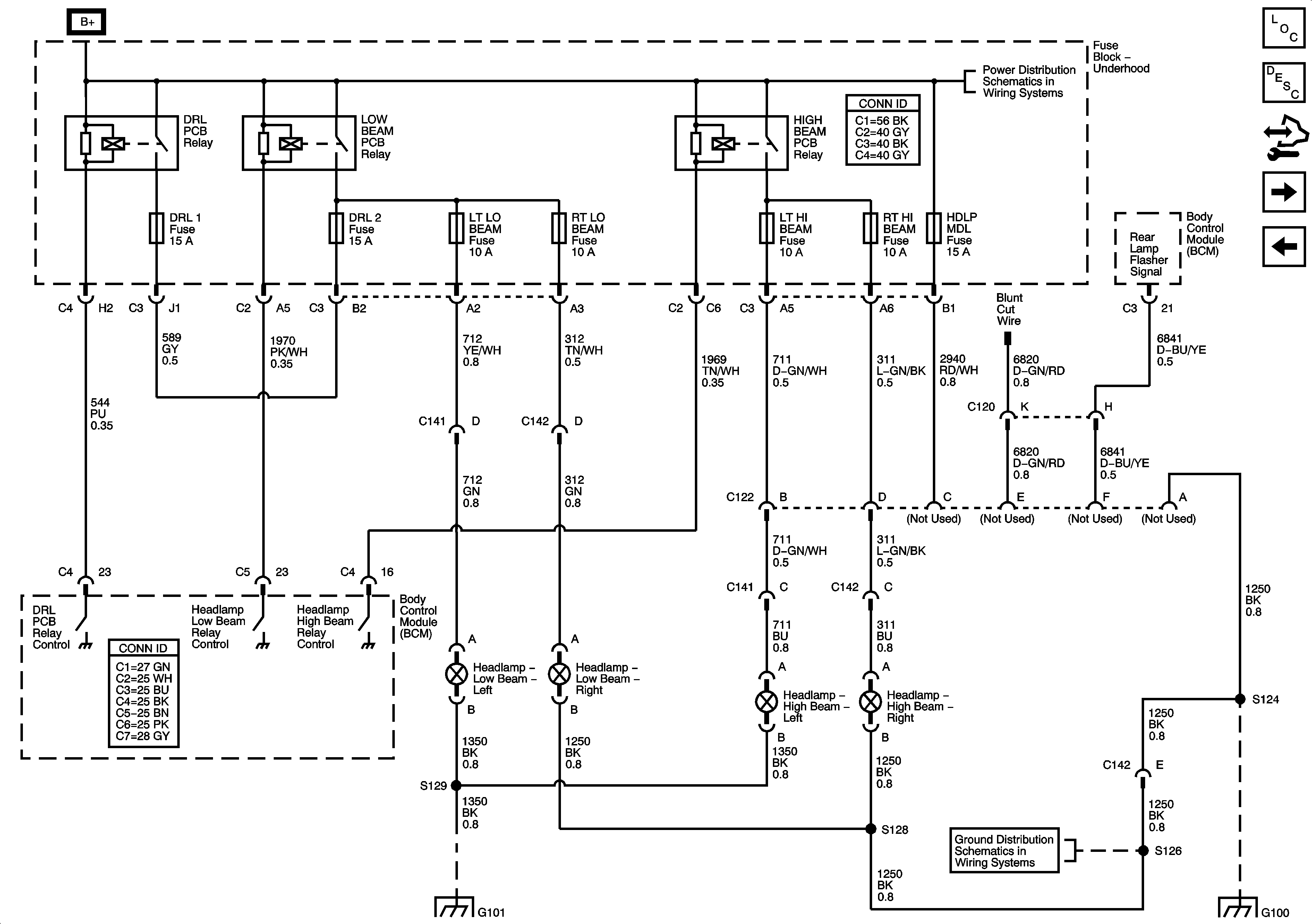
Figure 1:

DRL Relay, Headlamps, and Power


Object Number: 1657079  Size: FS
Master Electrical Component List
Exterior Lighting Systems Description and Operation
Control Module References
DRL Relay, Headlamps, and Power (9C1, 9C3)
Fuse Block - Underhood Bussing
Fuse Block - Underhood Bussing
G101, G102, G111, and G112 (LS4)
G100
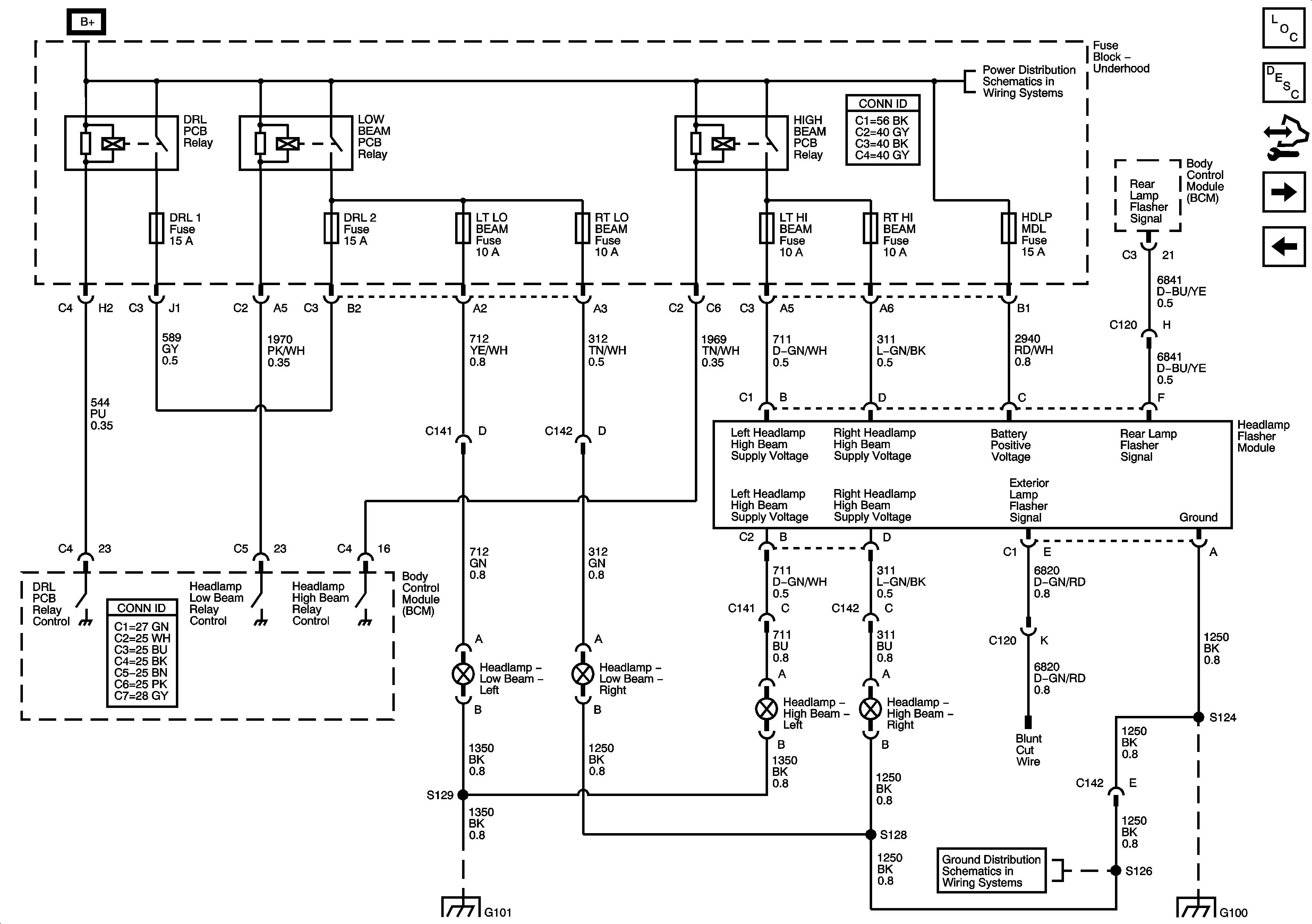
Figure 2:

DRL Relay, Headlamps, and Power (9C1, 9C3)


Object Number: 1657082  Size: FS
Master Electrical Component List
Exterior Lighting Systems Description and Operation
Control Module References
DRL Relay, Headlamps, and Power (6J7)
DRL Relay, Headlamps, and Power
Fuse Block - Underhood Bussing
Fuse Block - Underhood Bussing
G101, G102, G111, and G112 (LS4)
G100
G100
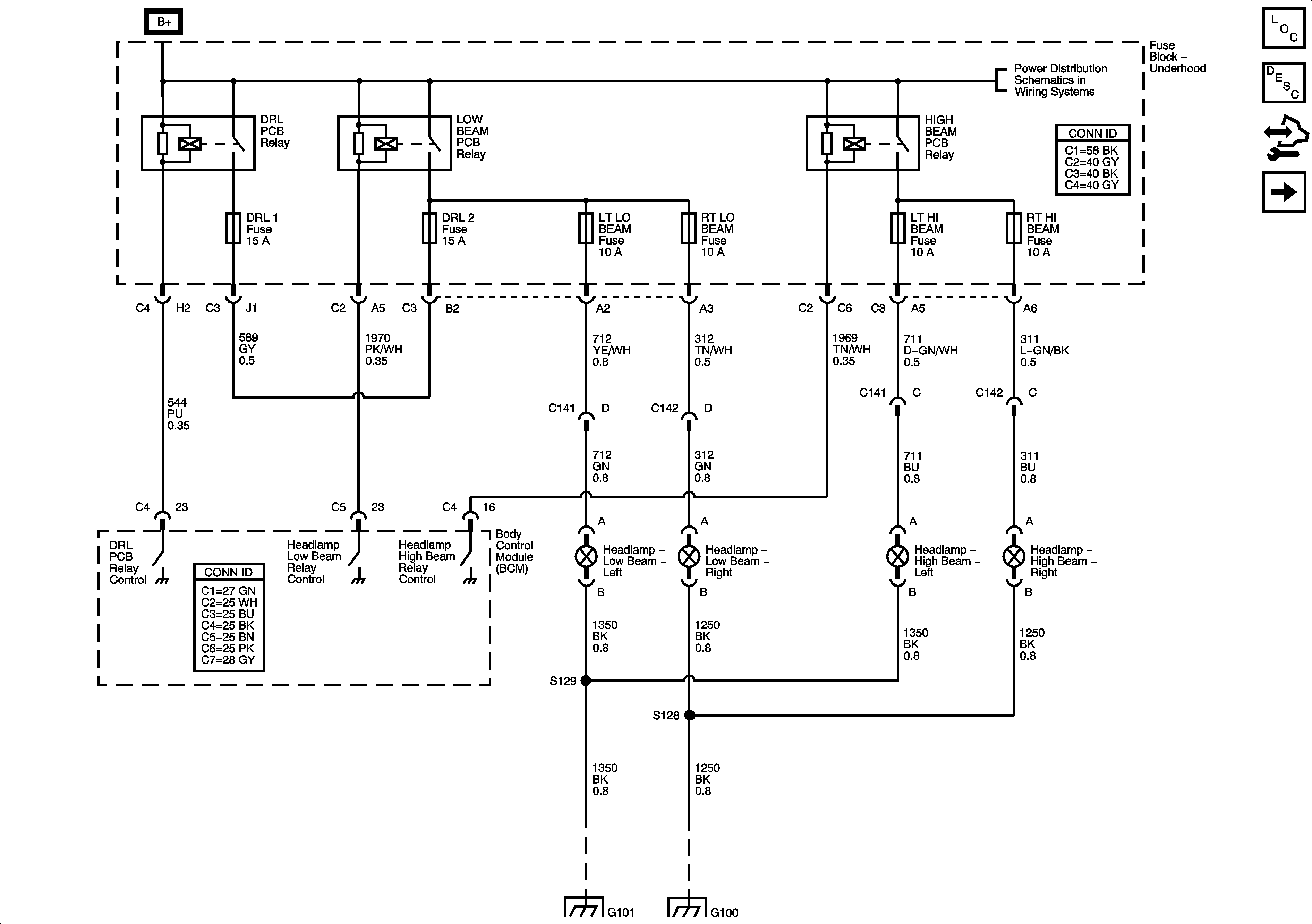
Figure 3:

DRL Relay, Flasher, Headlamps, and Power (6J7)


Object Number: 1657084  Size: FS
Master Electrical Component List
Exterior Lighting Systems Description and Operation
Control Module References
Switches
DRL Relay, Headlamps, and Power (9C1, 9C3)
Fuse Block - Underhood Bussing
Fuse Block - Underhood Bussing
G101, G102, G111, and G112 (LS4)
G100
G100
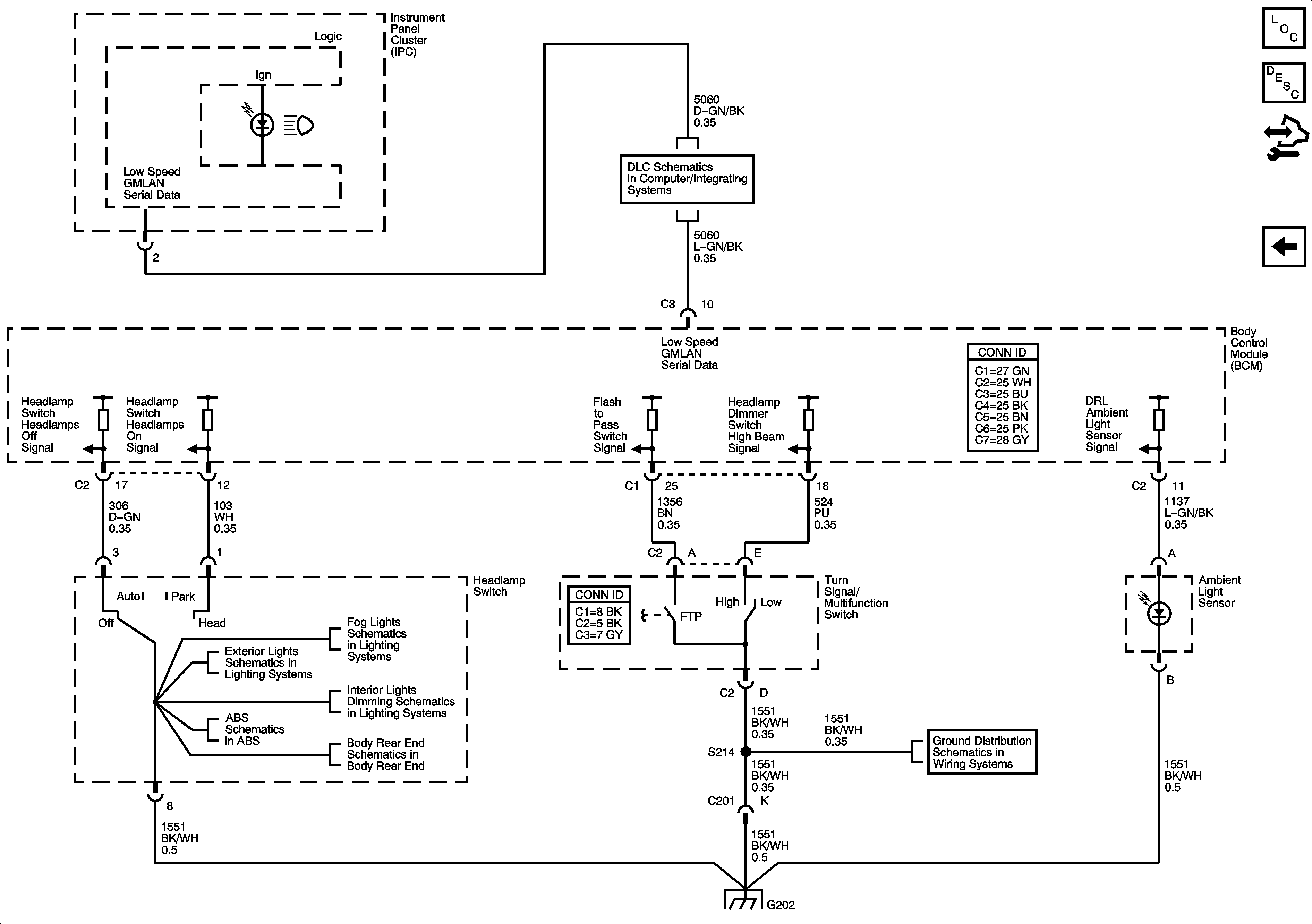
Figure 4:

Switches


Object Number: 1657086  Size: FS
Master Electrical Component List
Exterior Lighting Systems Description and Operation
Control Module References
DRL Relay, Headlamps, and Power (6J7)
Power, Ground, and Low Speed GMLAN Serial Data
Fog Lights Schematics
Park Lamps 1 of 2
Coupe
Indicators, ABS, and Traction Control
Body Rear End Schematics
G202, and G204
G202, and G204