GM Service Manual Online
For 1990-2009 cars only
Makes
🢒
Chevrolet
🢒
2006
🢒
Impala
🢒
Vehicle Control Systems
🢒
Vehicle DTC Information
🢒 Interior Lights Schematics
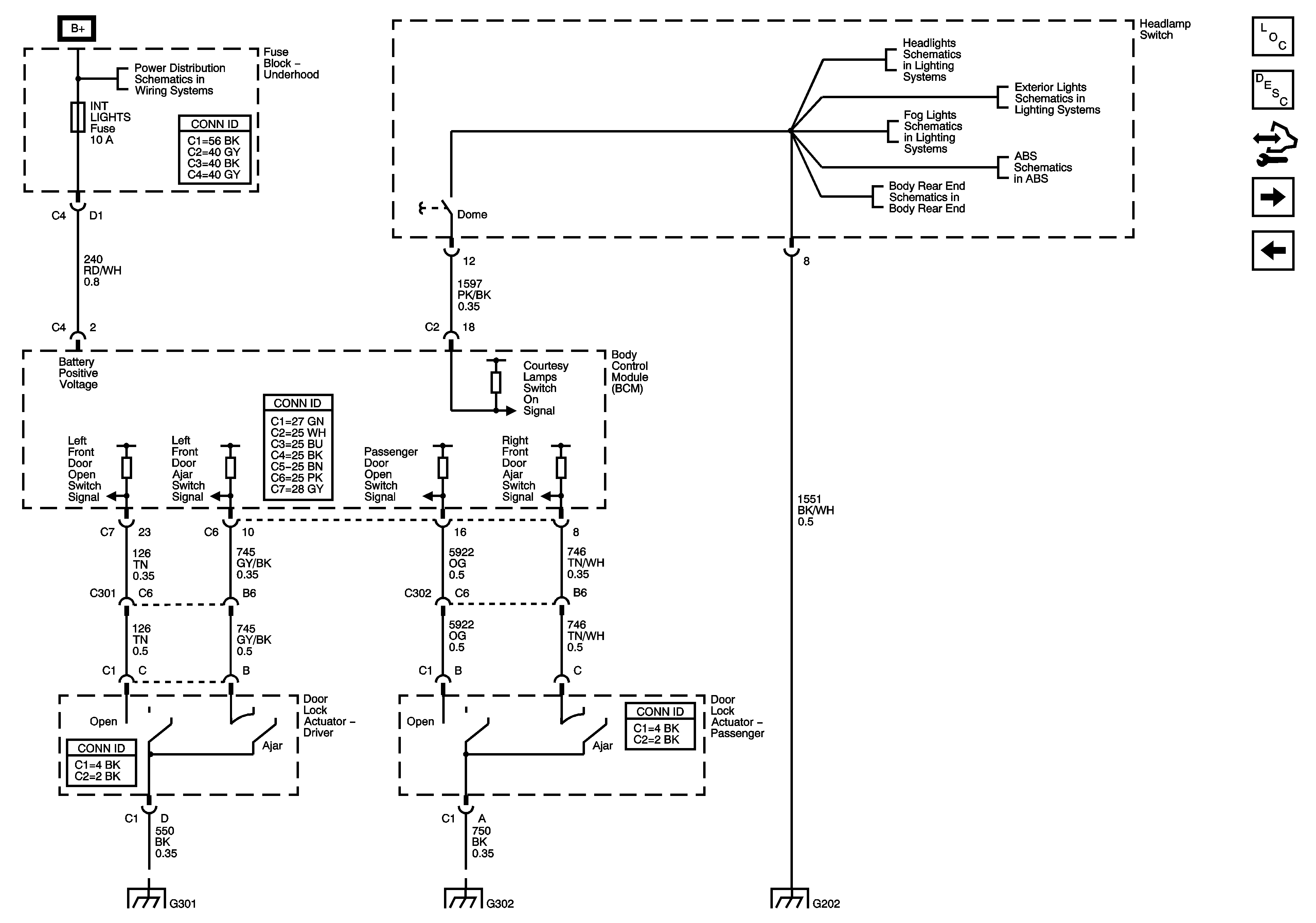
Figure
1:
Switches (Sedan)
Master Electrical Component List
Interior Lighting Systems Description and Operation
Control Module References
Switches (Coupe)
Fuse Block - Underhood Bussing
INT LTS/PNL DIM, LT T/SIG RT T/SIG, CHMSL/BACKUP, INT LIGHTS, RVC SEN, and ECM/TCM Fuses
Switches
Park Lamps 1 of 2
Fog Lights Schematics
Indicators, ABS, and Traction Control
Body Rear End Schematics
G301
G302 (Sedan)
G301
G302 (Sedan)
G202, and G204
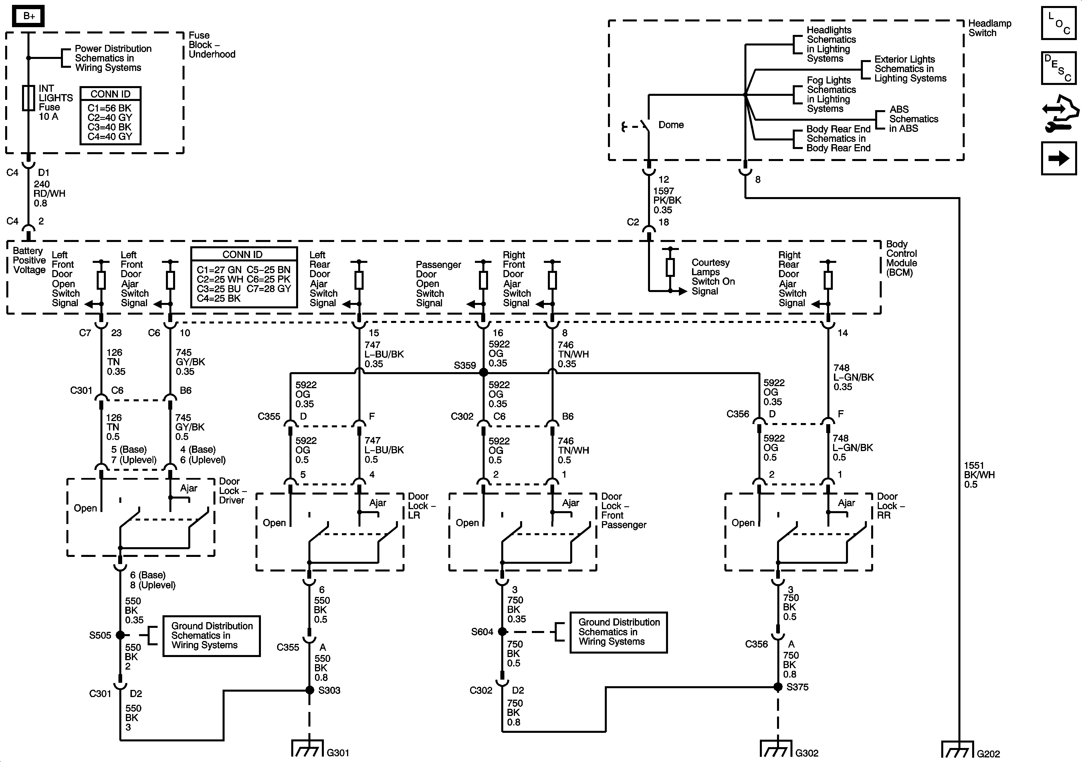
Figure
2:
Switches (Coupe)
Master Electrical Component List
Interior Lighting Systems Description and Operation
Control Module References
Passenger Compartment Lights
Switches (Sedan)
Fuse Block - Underhood Bussing
INT LTS/PNL DIM, LT T/SIG RT T/SIG, CHMSL/BACKUP, INT LIGHTS, RVC SEN, and ECM/TCM Fuses
Switches
Park Lamps 1 of 2
Fog Lights Schematics
Indicators, ABS, and Traction Control
Body Rear End Schematics
G301
G302
G202, and G204
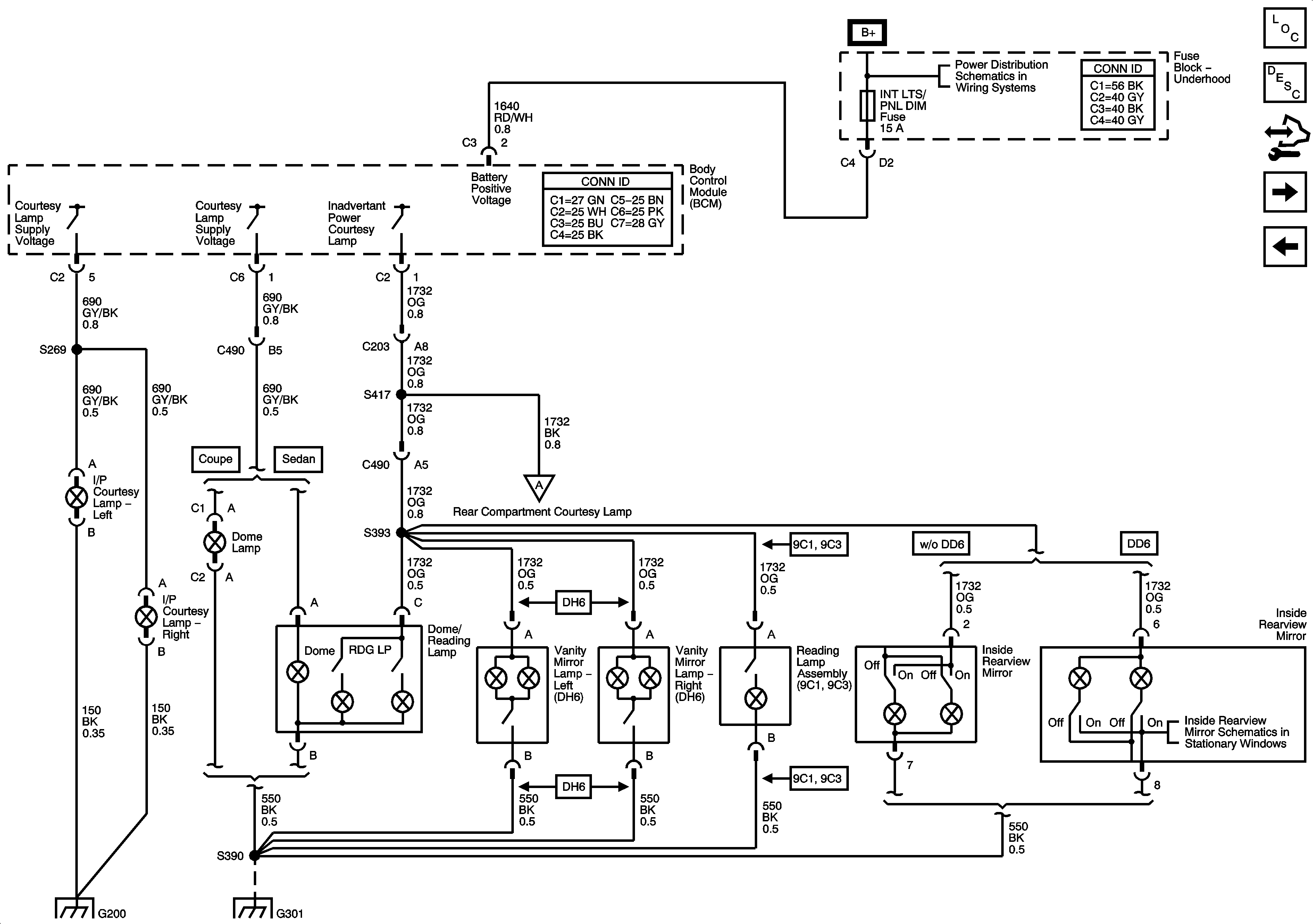
Figure
3:
Passenger Compartment Lights
Master Electrical Component List
Interior Lighting Systems Description and Operation
Control Module References
Rear Compartment Lights
Switches (Coupe)
Fuse Block - Underhood Bussing
INT LTS/PNL DIM, LT T/SIG RT T/SIG, CHMSL/BACKUP, INT LIGHTS, RVC SEN, and ECM/TCM Fuses
Rear Compartment Lights
Inside Rearview Mirror Schematics
G200
G301
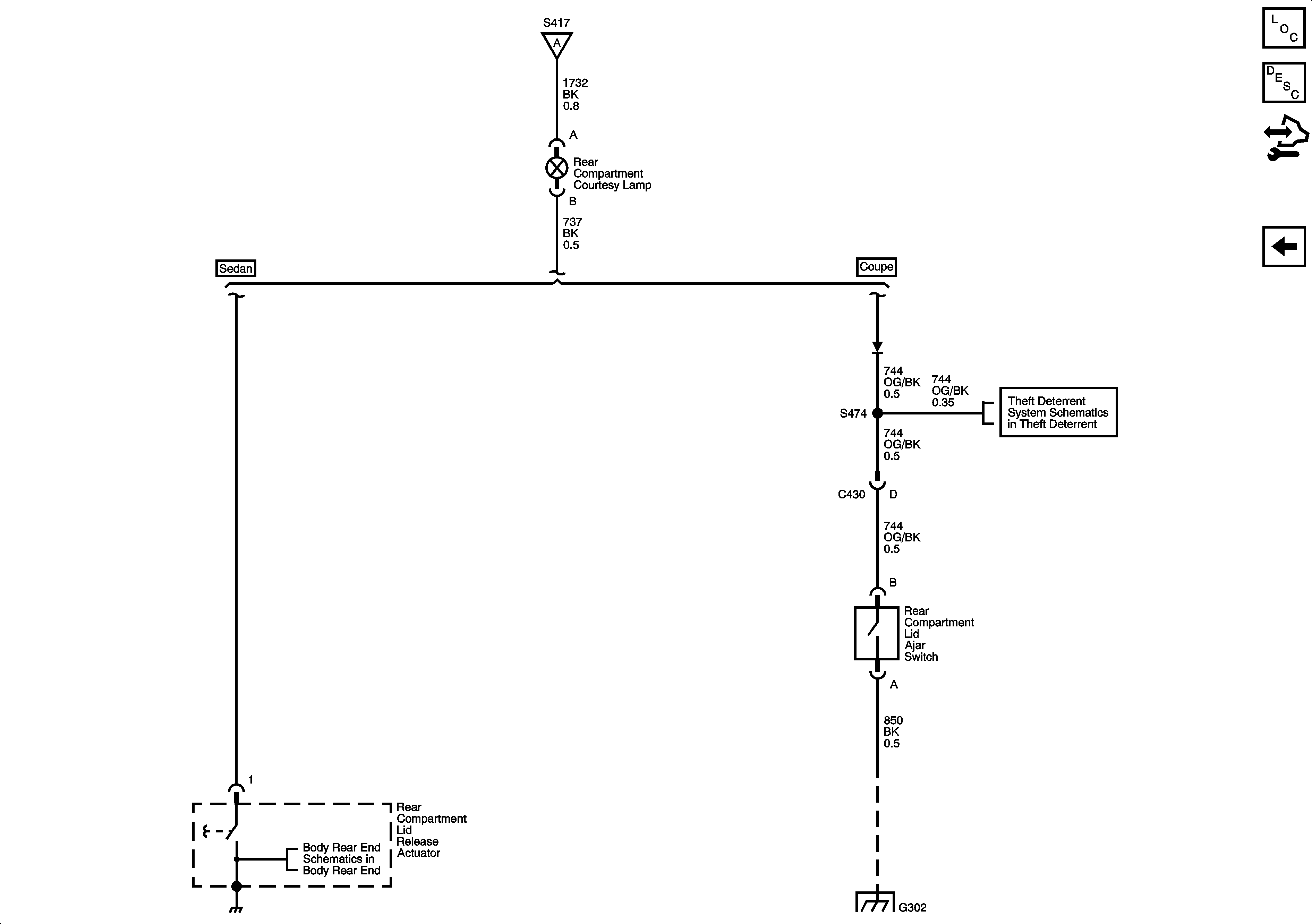
Figure
4:
Rear Compartment Lights
Master Electrical Component List
Interior Lighting Systems Description and Operation
Control Module References
Passenger Compartment Lights
Passenger Compartment Lights
Content Theft Deterrent (CTD) System
Body Rear End Schematics
G302