GM Service Manual Online
For 1990-2009 cars only
Makes
🢒
Chevrolet
🢒
2006
🢒
Impala
🢒
Vehicle Control Systems
🢒
Vehicle DTC Information
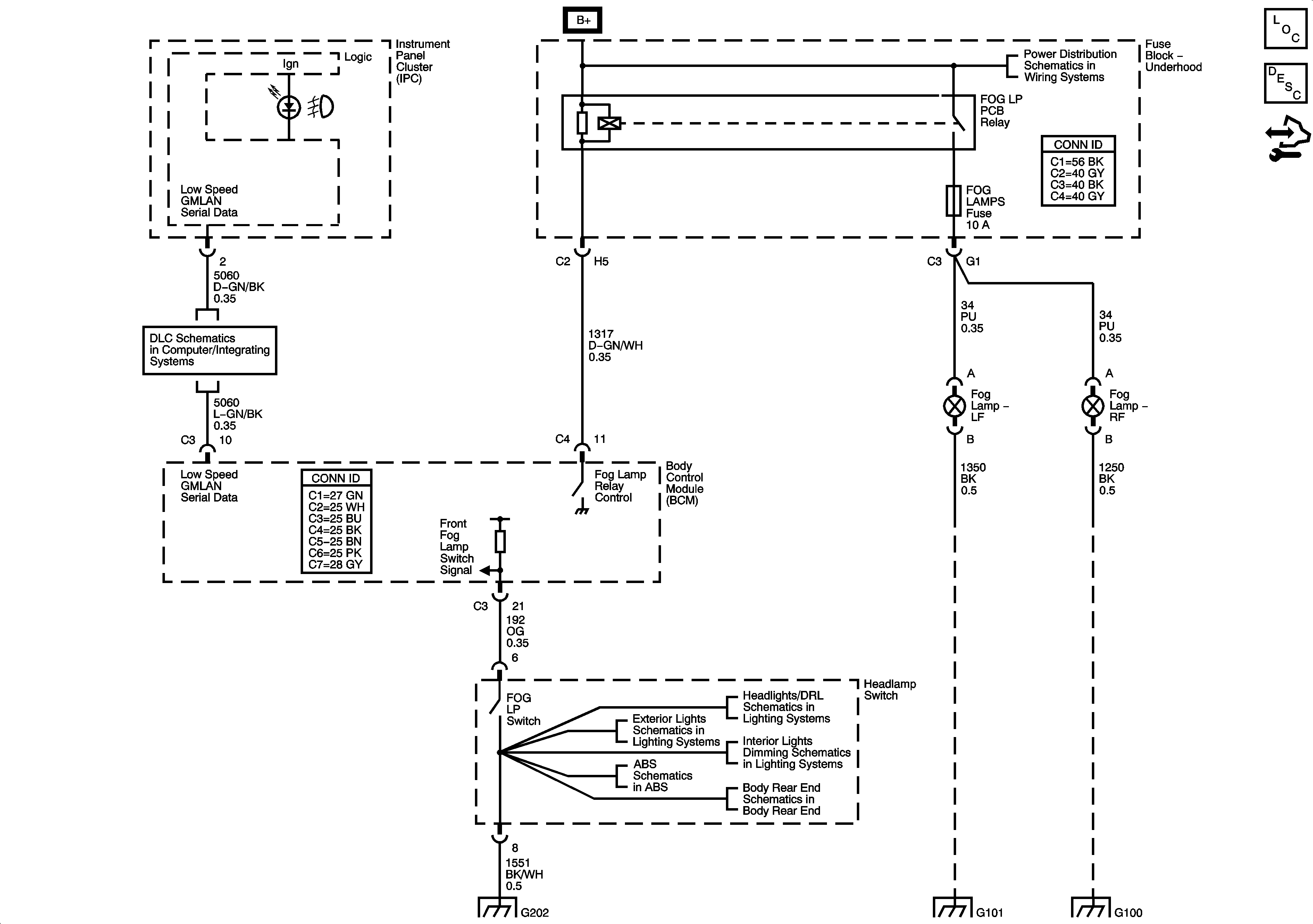
🢒 Fog Lights Schematics
Master Electrical Component List
Exterior Lighting Systems Description and Operation
Control Module References
Fuse Block - Underhood Bussing
Fuse Block - Underhood Bussing
Power, Ground, and Low Speed GMLAN Serial Data
Switches
Park Lamps 1 of 2
Coupe
Indicators, ABS, and Traction Control
Body Rear End Schematics
G202, and G204
G101, G102, G111, and G112 (LS4)
G100