GM Service Manual Online
For 1990-2009 cars only
Makes
🢒
Chevrolet
🢒
2006
🢒
Impala
🢒
Accessories
🢒
Keyless Entry
🢒 Keyless Entry Schematics
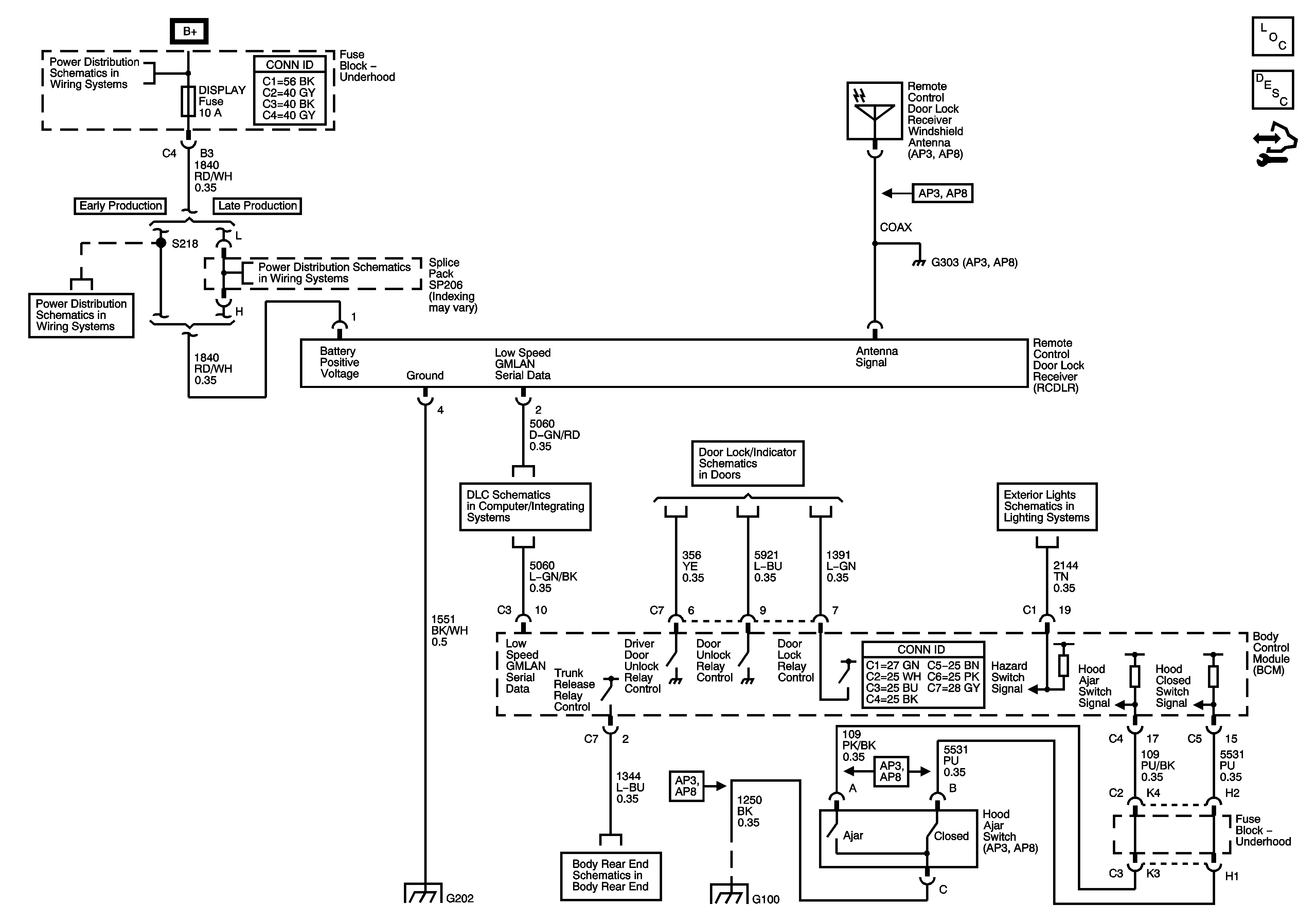
Master Electrical Component List
Keyless Entry System Description and Operation (without Accessory 2 Way Remote)
Control Module References
Fuse Block - Underhood Bussing
Fuse Block - Underhood Bussing
HDLP MDL, DISPLAY, LT SPOT, and RT SPOT Fuses
HDLP MDL, DISPLAY, LT SPOT, and RT SPOT Fuses
Power, Ground, and Low Speed GMLAN Serial Data
Door Lock Actuators
Turn Signal, Hazard, and Stoplamps Inputs
Body Rear End Schematics
G202, and G204