GM Service Manual Online
For 1990-2009 cars only
Makes
🢒
Chevrolet
🢒
2006
🢒
Impala
🢒
Accessories
🢒
Theft Deterrent
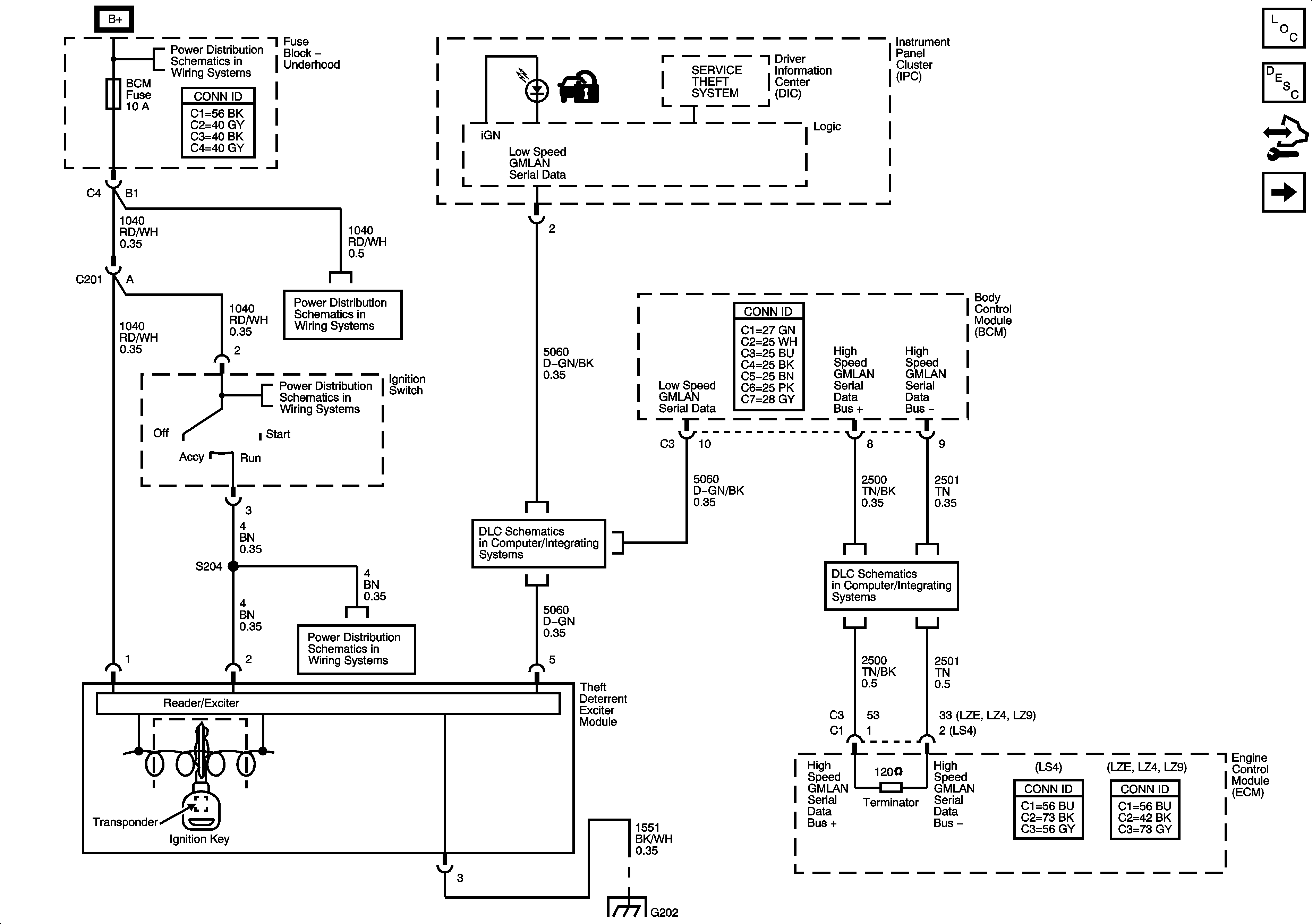
🢒 Theft Deterrent System Schematics
Figure
1:
Vehicle Theft Deterrent (VTD) System
Master Electrical Component List
Vehicle Theft Deterrent (VTD) Description and Operation
Control Module References
Content Theft Deterrent (CTD) System
Fuse Block - Underhood Bussing
Fuse Block - Underhood Bussing
Ignition Switch
Ignition Switch
Ignition Switch
Power, Ground, and Low Speed GMLAN Serial Data
High Speed GMLAN Serial Data
G202, and G204
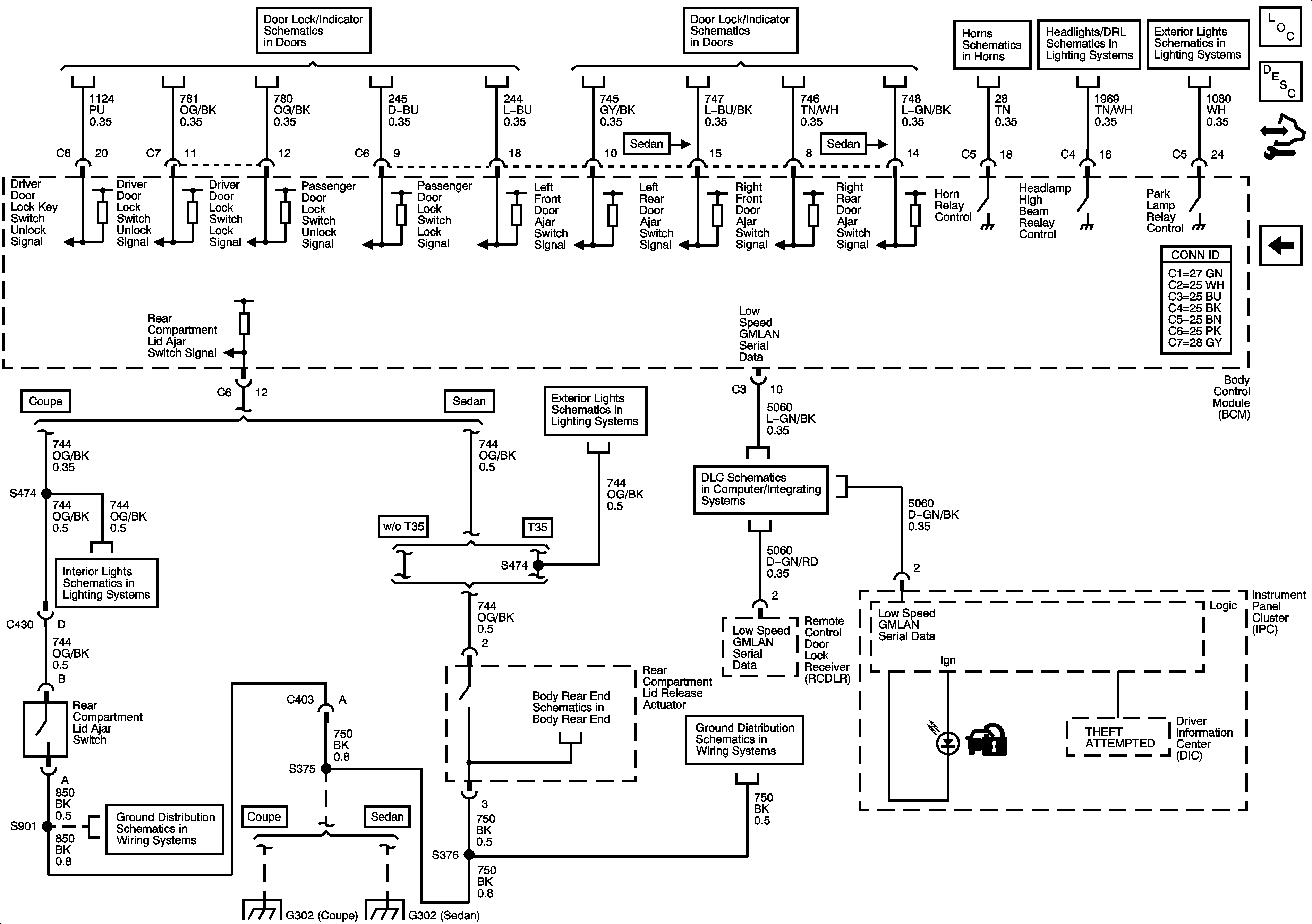
Figure
2:
Content Theft Deterrent (CTD) System
Master Electrical Component List
Content Theft Deterrent (CTD) Description and Operation
Control Module References
Vehicle Theft Deterrent (VTD) System
Door Lock Switches
Door Ajar Indicators
Horns Schematics
DRL Relay, Headlamps, and Power
Park Lamps 1 of 2
Rear Compartment Lights
Emergency Vehicle Rear Compartment Lid Lamps, and Spot Lamps - T53, 7X6, 7X7
Power, Ground, and Low Speed GMLAN Serial Data
Body Rear End Schematics
G302
G302
G302 (Sedan)
G302 (Sedan)