GM Service Manual Online
For 1990-2009 cars only
Makes
🢒
Chevrolet
🢒
2007
🢒
Impala
🢒
Diagnostic Navigation
🢒
Vehicle Diagnostic Information
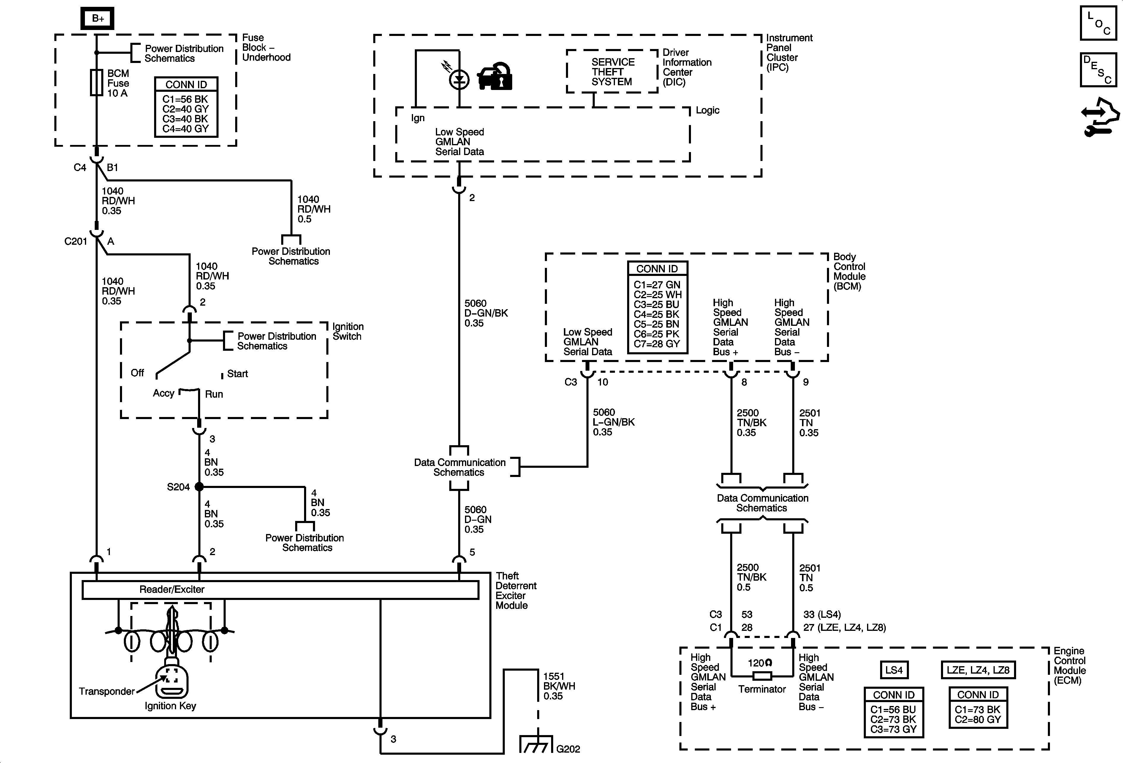
🢒 Immobilizer Schematics
Master Electrical Component List
Immobilizer Description and Operation
Control Module References
Fuse Block - Underhood Bussing
Fuse Block - Underhood Bussing
Ignition Switch
Ignition Switch
Ignition Switch
Power, Ground, and Low Speed GMLAN Serial Data
High Speed GMLAN Serial Data
G202 and G204