GM Service Manual Online
For 1990-2009 cars only
Makes
🢒
Chevrolet
🢒
2007
🢒
Impala
🢒
Diagnostic Navigation
🢒
Vehicle Diagnostic Information
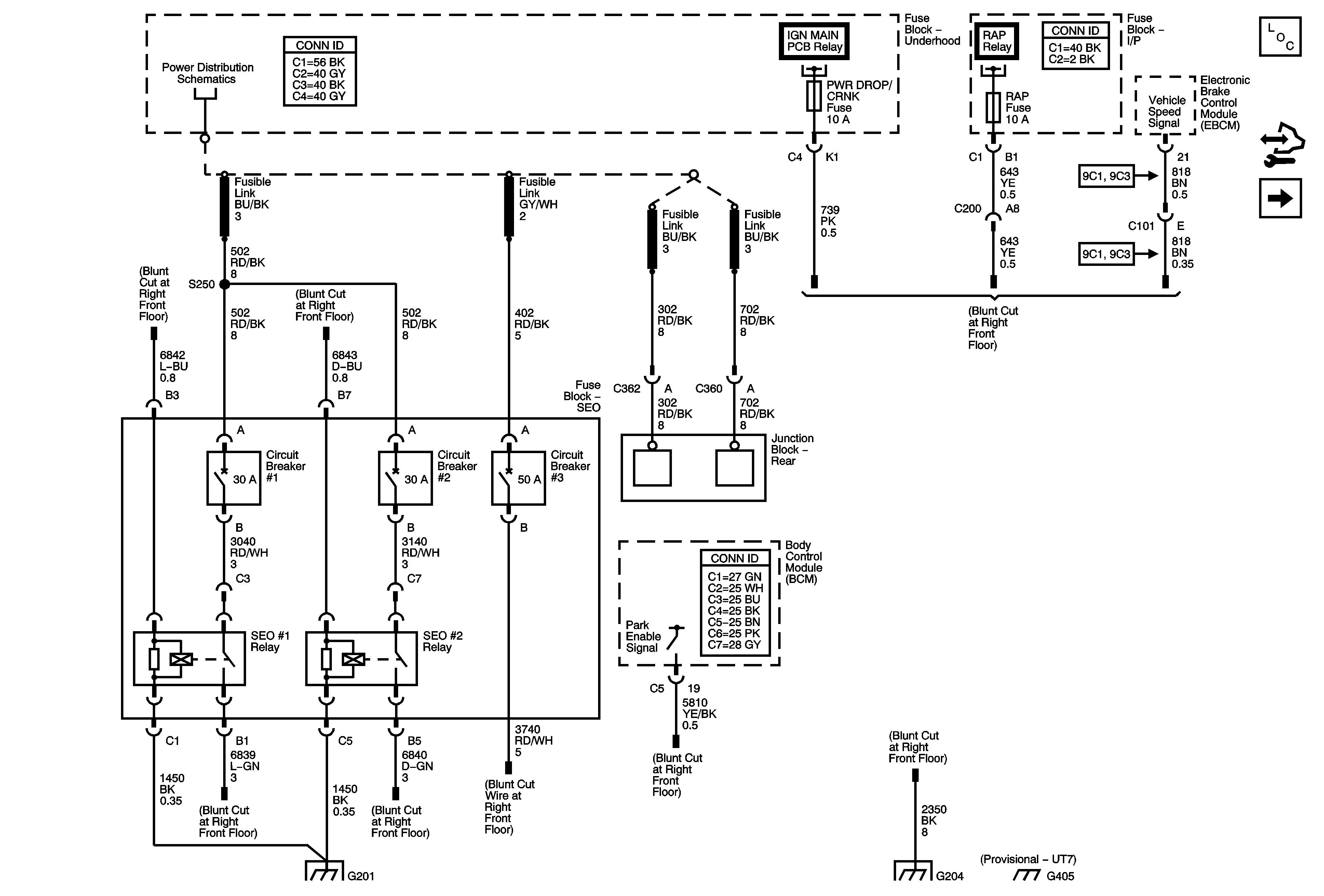
🢒 Upfitter Provision Schematics
Figure
1:
6J1
Master Electrical Component List
Control Module References
6J3, 6J6, 6F5, 6C8
Fuse Block - Underhood Bussing
Fuse Block - Underhood Bussing
Retained Accessory Power - RAP Fuse Circuits
G201
G202 and G204
Figure
2:
6J3, 6J6, 6F5, and 6C8
Master Electrical Component List
Control Module References
6J1