GM Service Manual Online
For 1990-2009 cars only
Makes
🢒
Chevrolet
🢒
2007
🢒
Impala
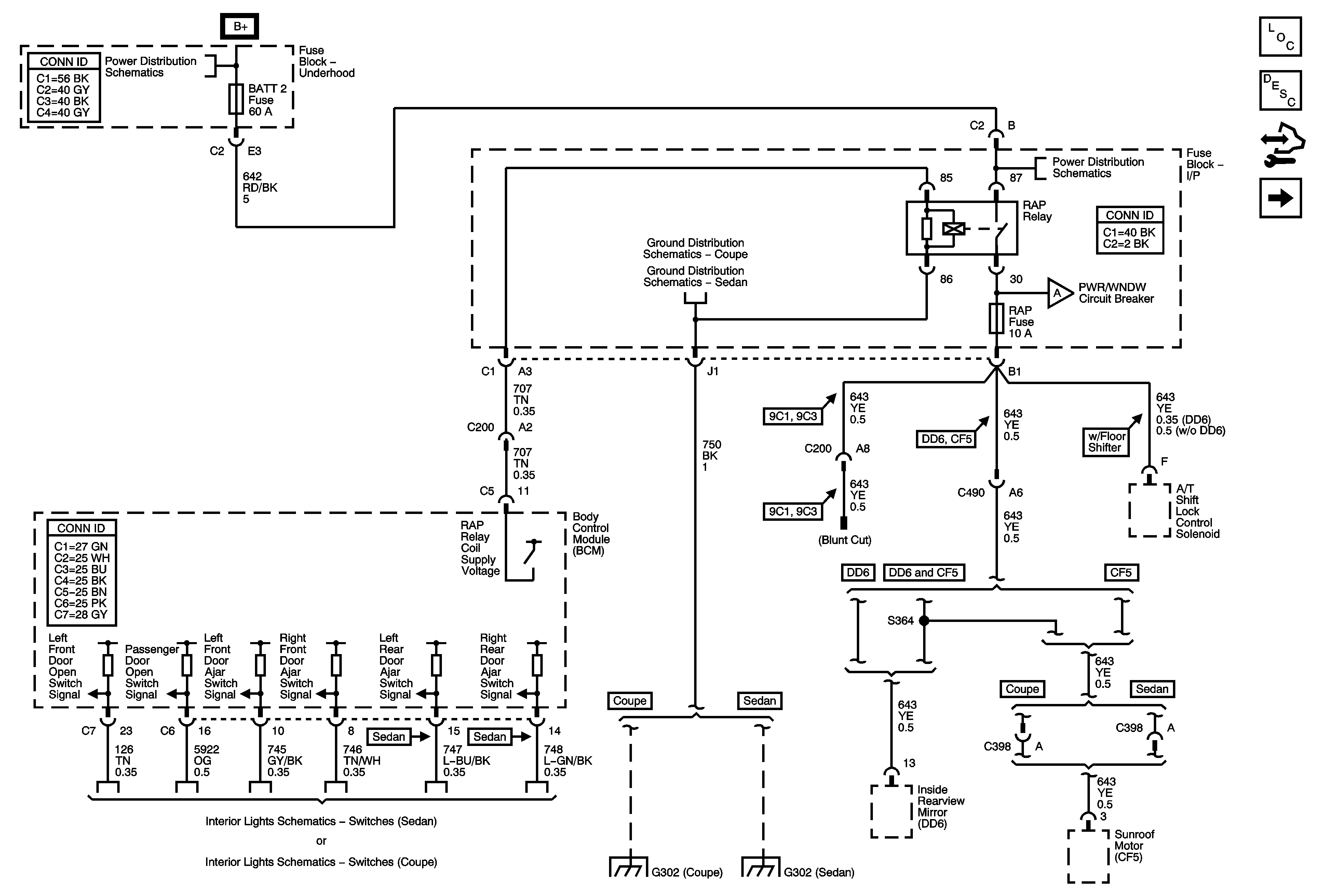
🢒 Retained Accessory Power - RAP Fuse Circuits
Retained Accessory Power - RAP Fuse Circuits
Retained Accessory Power- RAP Fuse Circuits
Master Electrical Component List
Retained Accessory Power (RAP) Description and Operation
Control Module References
Retained Accessory Power - Power Window Circuits
Fuse Block - Underhood Bussing
Fuse Block - Underhood Bussing
S/ROOF, DR/LCK, RAP Fuses, and RAP Relay, DOOR UNLOCK PCB Relay-Driver, DOOR UNLOCK PCB Relay, and DOOR LOCK PCB Relay
G302 (Coupe)
G302 (Sedan)
Retained Accessory Power - Power Window Circuits
Switches (Sedan)
Switches (Coupe)
G302 (Coupe)
G302 (Sedan)