GM Service Manual Online
For 1990-2009 cars only
Makes
🢒
Chevrolet
🢒
2007
🢒
Impala
🢒 G301
G301
G301
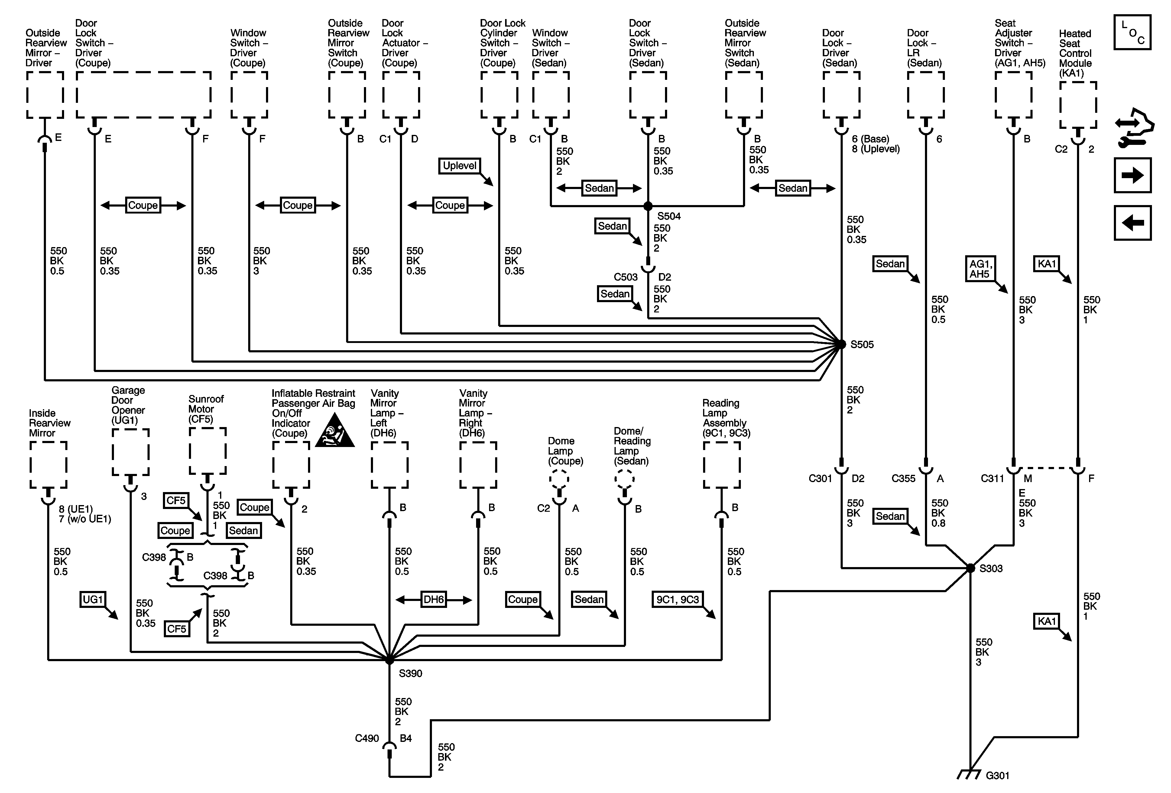
Master Electrical Component List
Control Module References
G302 (Coupe)
G202 and G204
Power and Grounding Schematic Icons