GM Service Manual Online
For 1990-2009 cars only
Makes
🢒
Chevrolet
🢒
2007
🢒
Impala
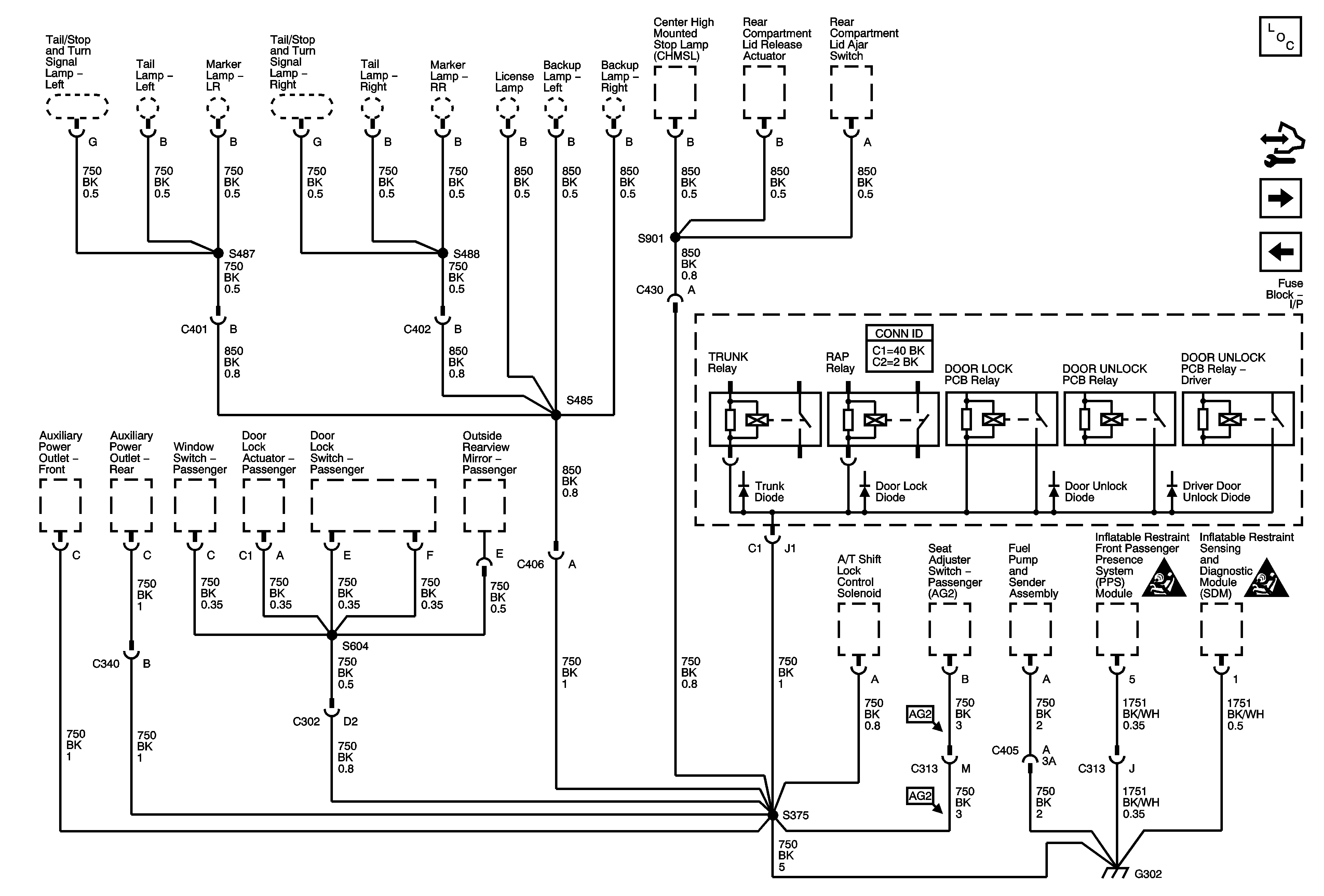
🢒 G302 (Coupe)
G302 (Coupe)
G302 (Coupe)
Master Electrical Component List
Control Module References
G302 (Sedan)
G301
Power and Grounding Schematic Icons
Power and Grounding Schematic Icons