GM Service Manual Online
For 1990-2009 cars only
Makes
🢒
Chevrolet
🢒
2007
🢒
Impala
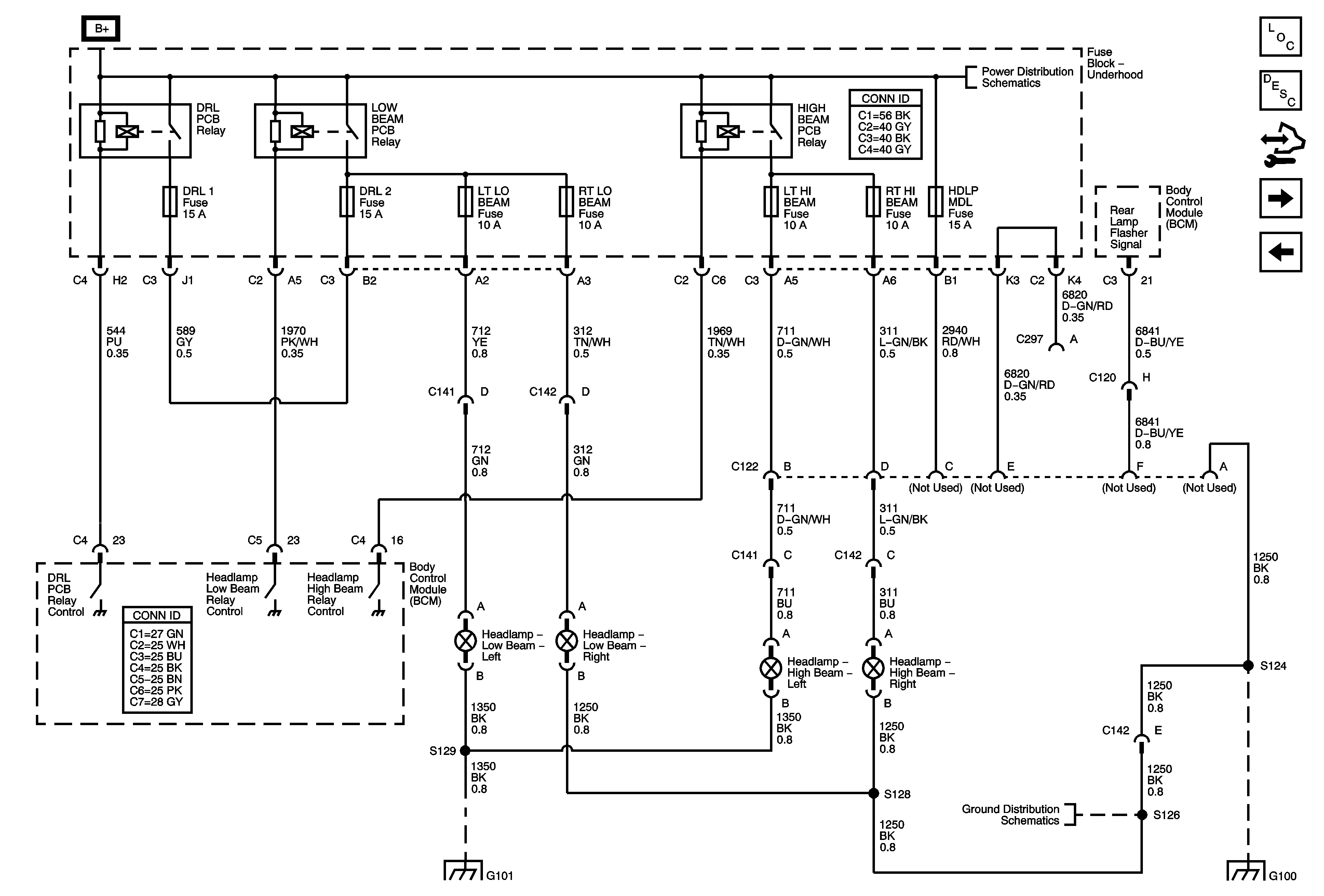
🢒 Headlamps (9C1, 9C3)
Headlamps (9C1, 9C3)
Headlamps (9C1, 9C3)
Master Electrical Component List
Exterior Lighting Systems Description and Operation
Control Module References
Headlamps (6J7)
Headlamps
Fuse Block - Underhood Bussing
Fuse Block - Underhood Bussing
G101, G102, and G111
G100
G100